GB/T 27713-2011 非木浆碱回收燃烧系统能量平衡及能量效率计算方法
GB/T 27713-2011 Calculation method of energy equilibrium and energy efficiency in alkali recovery combustion system of non-wood pulp
国家标准
中文简体
现行
页数:24页
|
格式:PDF
基本信息
标准号
GB/T 27713-2011
相关服务
仅限个人学习交流使用
标准类型
国家标准
标准状态
现行
中国标准分类号(CCS)
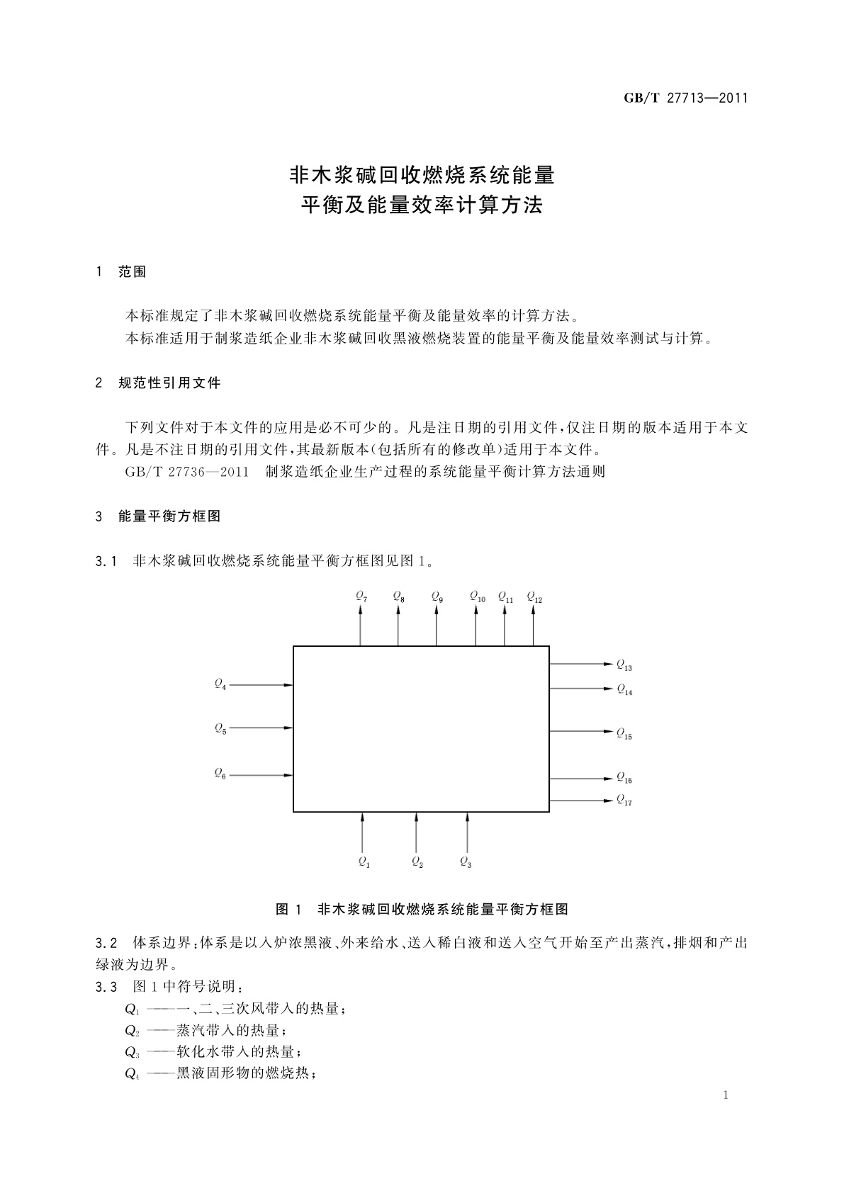
Y30 非木浆碱回收燃烧系统能量平衡及能量效率计算方法
国际标准分类号(ICS)
85-010
发布日期
2011-12-30
实施日期
2012-07-01
发布单位/组织
中华人民共和国国家质量监督检验检疫总局、中国国家标准化管理委员会
归口单位
全国造纸工业标准化技术委员会(SAC/TC 141)
适用范围
-
发布历史
-
2012-07
文前页预览
免费预览已结束,剩余部分可下载查看
研制信息
- 起草单位:
- 中国制浆造纸研究院、大连工业大学、山东晨鸣纸业集团齐河纸板有限公司
- 起草人:
- 刘秉钺、张清文、张楠、邱文伦
- 出版信息:
- 页数:24页 | 字数:35 千字 | 开本: 大16开
推荐标准
- YB/T 118-1997 耐火材料气孔孔径分布试验方法 1997-08-04
- GB/T 7672.22-2008 玻璃丝包绕组线 第22部分:155级浸漆玻璃丝包铜圆线和玻璃丝包漆包铜圆线 2008-06-30
- GB/T 11828.2-2005 水位测量仪器 第2部分:压力式水位计 2005-03-02
- GB/T 38027-2019 微纳卫星试验要求 2019-08-30
- GB/T 15079.9-1994 钼精矿化学分析方法 铋量的测定 1994-05-11
- YS/T 438.1-2001 砂状氧化铝物理性能测定方法 筛分法测定粒度分布 2001-02-12
- YC/T 310-2009 烟草漂浮育苗基质 2009-06-30
- GB/T 29289.2-2025 消费品生命周期安全 第2部分:设计 2025-05-30
- GB/T 26354-2025 旅游信息咨询服务 2025-03-28
- GB/T 6974.3-2008 起重机 术语 第3部分:塔式起重机 2008-07-09
相似标准推荐
更多>- 1 GB/T 40645-2021 信息安全技术 互联网信息服务安全通用要求
- 2 LY/T 2565-2015 竹塑复合材料
- 3 GB/T 22638.10-2008 铝箔试验方法 第10部分:涂层表面密度的测定
- 4 GB/T 41654-2022 金属和合金的腐蚀 在高温腐蚀环境下暴露后试样的金相检验方法
- 5 GB/T 43951-2024 食品容器用覆膜铁、覆膜铝质量通则
- 6 GB/T 43625-2023 郁金香生产技术规程
- 7 CB/T 3800-1997 船用双速换向组合阀
- 8 GB/T 17980.10-2000 农药 田间药效试验准则(一)杀虫剂防治梨木虱
- 9 GB/T 21897-2008 承载防水卷材
- 10 GB/T 14233.1-2022 医用输液、输血、注射器具检验方法 第1部分:化学分析方法

关闭预览
