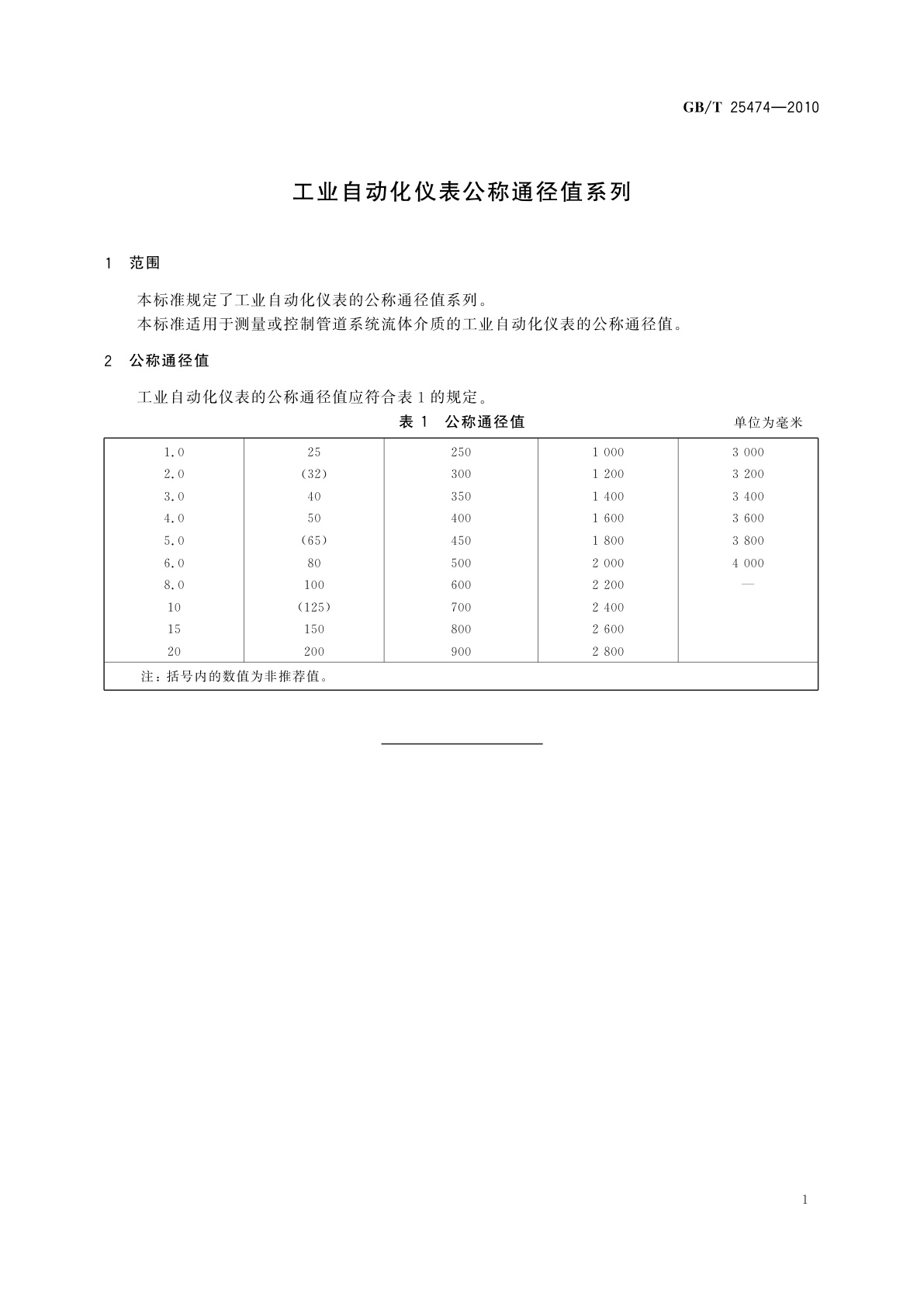
GB/T 25474-2010 工业自动化仪表公称通径值系列
GB/T 25474-2010 Values of nominal size for industrial process measurement and control instruments
国家标准
中文简体
现行
页数:8页
|
格式:PDF
基本信息
标准号
GB/T 25474-2010
相关服务
仅限个人学习交流使用
标准类型
国家标准
标准状态
现行
中国标准分类号(CCS)
N10 工业自动化仪表公称通径值系列
国际标准分类号(ICS)
25.040.40
发布日期
2010-12-01
实施日期
2011-05-01
发布单位/组织
中华人民共和国国家质量监督检验检疫总局、中国国家标准化管理委员会
归口单位
全国工业过程测量和控制标准化技术委员会(SAC/TC 124)
适用范围
-
发布历史
-
2011-05
文前页预览
免费预览已结束,剩余部分可下载查看
研制信息
- 起草单位:
- 上海工业自动化仪表研究所
- 起草人:
- 李明华、蔡闻智、范萍
- 出版信息:
- 页数:8页 | 字数:2 千字 | 开本: 大16开
推荐标准
- GB/T 3615-2007 电解电容器用铝箔 2007-04-30
- GB/T 29056-2012 硅外延用三氯氢硅化学分析方法 硼、铝、磷、钒、铬、锰、铁、钴、镍、铜、钼、砷和锑量的测定 电感耦合等离子体质谱法 2012-12-31
- GB/T 25440.4-2010 外科植入物的取出与分析 第4部分:取出陶瓷外科植入物的分析 2010-11-10
- GB/T 22145-2008 饲料添加剂 丙酸 2008-06-27
- GB/T 6992.2-1997 可信性管理 第2部分:可信性大纲要素和工作项目 1997-10-24
- GB/T 14926.16-2001 实验动物 乙型溶血性链球菌检测方法 2001-08-29
- YY 0023-1990 自动中药小丸机 1990-11-15
- GB/T 44056-2024 美丽中国建设评估技术指南 2024-05-28
- GB/T 12574-1990 喷气燃料总酸值测定法 1990-12-14
- WS/T 475-2015 放射性皮肤疾病护理规范 2015-03-06
相似标准推荐
更多>- 1 GB/T 11737-1989 居住区大气中苯、甲苯和二甲苯卫生检验标准方法 气相色谱法
- 2 GB/T 46096.2-2025 船舶与海洋技术 压载水管理系统 第2部分:电解法压载水管理系统的风险评估与风险减小
- 3 GB/T 18204.6-2000 理发用具微生物检验方法 大肠菌群测定
- 4 LY/T 3362-2023 无患子提取物
- 5 GB/T 31952-2015 企业信用档案信息规范
- 6 GB/T 3836.23-2017 爆炸性环境 第23部分:用于瓦斯和/或煤尘环境的Ⅰ类EPL Ma级设备
- 7 GA 734-2007 警服材料 抗静电仿毛哔叽
- 8 YS/T 902-2013 高纯铼及铼酸铵化学分析方法 铍、钠、镁、铝、钾、钙、钛、铬、锰、铁、钴、镍、铜、锌、砷、钼、镉、铟、锡、锑、钡、钨、铂、铊、铅、铋量的测定 电感耦合等离子体质谱法
- 9 GB/T 44129-2024 城市供水和用水绩效评价标准
- 10 GB/T 36276-2023 电力储能用锂离子电池

关闭预览
