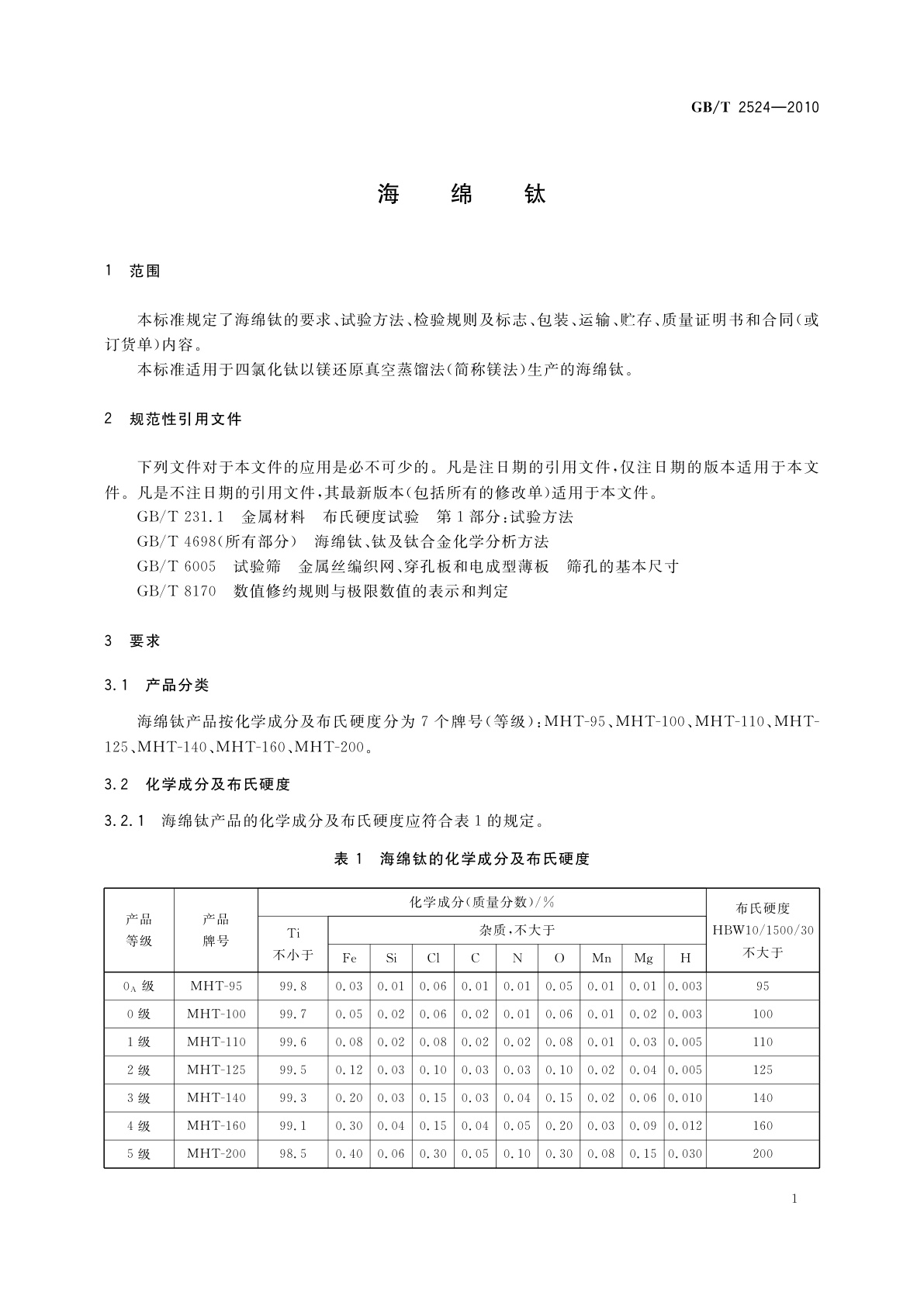
GB/T 2524-2010 海绵钛
GB/T 2524-2010 Titanium sponge
国家标准
中文简体
被代替
页数:12页
|
格式:PDF
基本信息
标准号
GB/T 2524-2010
相关服务
仅限个人学习交流使用
标准类型
国家标准
标准状态
被代替
中国标准分类号(CCS)
H64 海绵钛
国际标准分类号(ICS)
77.150.50
发布日期
2011-01-10
实施日期
2011-10-01
发布单位/组织
中华人民共和国国家质量监督检验检疫总局、中国国家标准化管理委员会
归口单位
全国有色金属标准化技术委员会(SAC/TC 243)
适用范围
-
发布历史
-
2003-03
-
2011-10
文前页预览
免费预览已结束,剩余部分可下载查看
研制信息
- 起草单位:
- 遵义钛业股份有限公司、抚顺钛业有限公司、宝钛集团有限公司
- 起草人:
- 翁启钢、余家华、赵以容、罗霖、刘禹明、庄军、刘洪贵、李林、刘群、乔璐、盛远禄
- 出版信息:
- 页数:12页 | 字数:14 千字 | 开本: 大16开
推荐标准
- LS/T 1710-2004 粮食信息分类与编码 粮食仓储业务统计分类与代码 2004-04-22
- GB/T 1396-1993 化学试剂 硫酸铵 1993-03-01
- GB/T 4323-2002 弹性套柱销联轴器 2002-09-13
- JG/T 329-2011 混凝土热物理参数测定仪 2011-07-04
- GB/T 9933-1988 内燃机油性能评定法(开特皮勒1G2法) 1988-09-20
- GB/T 13583-1992 红外探测器外形尺寸系列 1992-07-15
- GB/T 6809.2-2013 往复式内燃机 零部件和系统术语 第2部分:气门、凸轮轴传动和驱动机构 2013-12-31
- GB/T 19215.1-2003 电气安装用电缆槽管系统 第1部分:通用要求 2003-06-24
- GB/T 16107-1995 车间空气中氢氧化钠的火焰光度测定方法 1996-01-23
- GB 31631-2014 食品安全国家标准 食品添加剂 氯化铵 2015-01-28
相似标准推荐
更多>- 1 GB/T 36981-2018 轨道交通 客运列车断电过分相系统相互匹配准则
- 2 MT/T 375.2-1994 矿用菱镁混凝土制品 梯形支架技术条件
- 3 YC/T 434.2-2012 烟草机械验收 第2部分:卷烟盒、条包装质量综合判定
- 4 GB/T 41643-2022 高功率激光制造设备安全和使用指南
- 5 GB/T 21585-2008 危险品 中型散装容器防渗漏试验方法
- 6 GB/T 23666-2009 1-萘酚-5-磺酸(L酸)
- 7 GB/T 39112-2020 消费品生命周期安全风险控制通则
- 8 LY/T 1462-2008 原料仓
- 9 GB/T 39248-2020 输送液化石油气和液化天然气用热塑性塑料多层(非硫化)软管及软管组合件 规范
- 10 GB/T 5252-2006 锗单晶位错腐蚀坑密度测量方法

关闭预览
