GB/T 25047-2016 金属材料 管 环扩张试验方法
GB/T 25047-2016 Metallic materials—Tube—Ring-expanding test
国家标准
中文简体
现行
页数:8页
|
格式:PDF
基本信息
标准号
GB/T 25047-2016
相关服务
仅限个人学习交流使用
标准类型
国家标准
标准状态
现行
中国标准分类号(CCS)
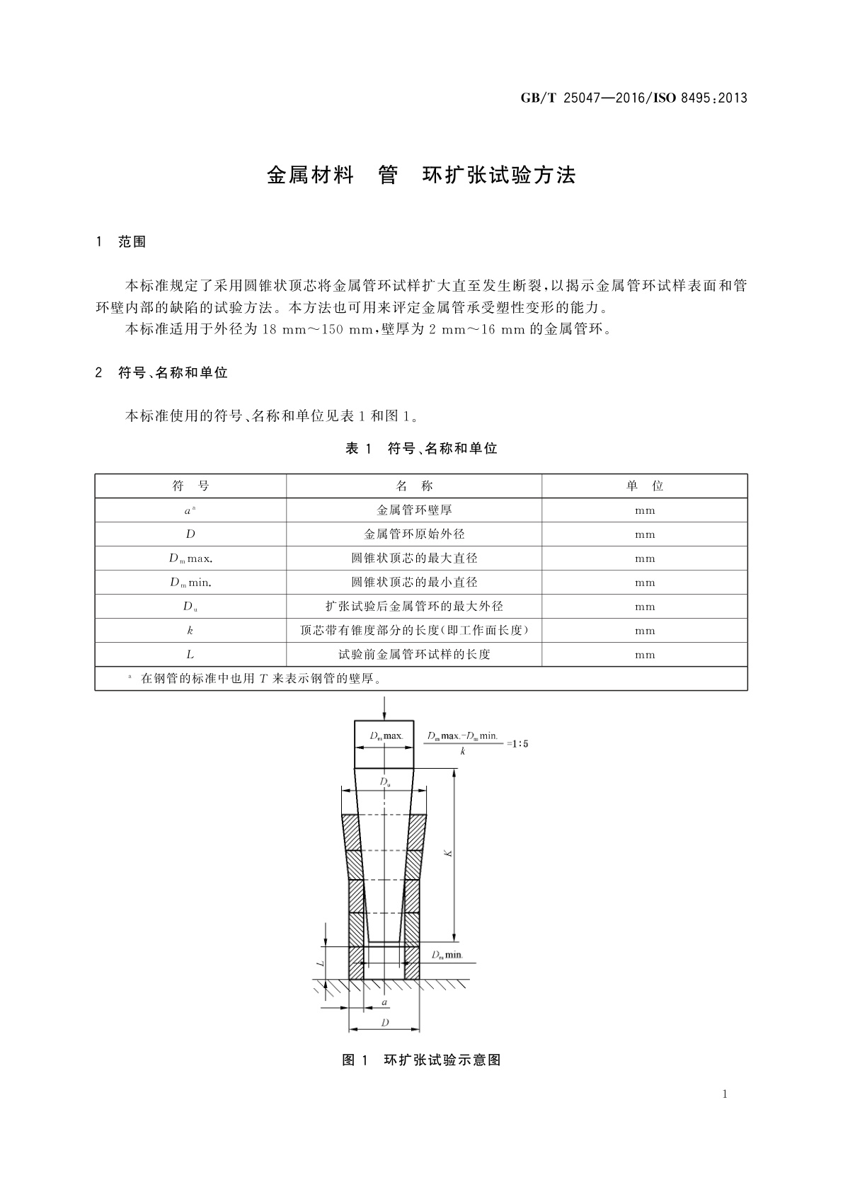
H23 金属材料 管 环扩张试验方法
国际标准分类号(ICS)
77.040.10
发布日期
2016-08-29
实施日期
2017-07-01
发布单位/组织
中华人民共和国国家质量监督检验检疫总局、中国国家标准化管理委员会
归口单位
全国钢标准化技术委员会(SAC/TC 183)
适用范围
-
发布历史
-
2011-06
-
2017-07
文前页预览
免费预览已结束,剩余部分可下载查看
研制信息
- 起草单位:
- 上海出入境检验检疫局工业品与原材料检测技术中心、冶金工业信息标准研究院
- 起草人:
- 吉静、王彪、徐凌云、吴益文、董莉
- 出版信息:
- 页数:8页 | 字数:8 千字 | 开本: 大16开
推荐标准
- GB/T 11907-1989 水质 银的测定 火焰原子吸收分光光度法 1989-12-25
- GB/T 9106.1-2009 包装容器 铝易开盖铝两片罐 2009-11-30
- SB/T 10732-2012 营养师岗位技能要求 2012-08-01
- GB/T 46122.7-2025 烟花爆竹 特定化学物质检测方法 第7部分:氯酸盐含量的测定 化学滴定分析法 2025-08-29
- GB/T 3654.6-2008 铌铁 硫含量的测定 燃烧碘量法、次甲基蓝光度法和红外线吸收法 2008-05-13
- GB/T 34110-2017 信息与文献 文件管理体系 基础与术语 2017-07-31
- GB/T 39972-2021 国土空间规划“一张图”实施监督信息系统技术规范 2021-03-09
- GB/T 24288-2009 纸和纸板 主波长和兴奋纯度的测定 D65/10°漫反射法 2009-07-31
- GB/T 16561-1996 集装箱设备交接单 1996-10-09
- GB/T 9130-2007 钢制管法兰用金属环垫 技术条件 2007-11-05
相似标准推荐
更多>- 1 GB/T 32151.31-2024 温室气体排放核算与报告要求 第31部分:木材加工企业
- 2 GB 17440-1998 粮食加工、储运系统粉尘防爆安全规程
- 3 GB/T 4348.3-2012 工业用氢氧化钠 铁含量的测定 1,10-菲啰啉分光光度法
- 4 GB/T 15384-2011 气瓶型号命名方法
- 5 GB 13122-2016 食品安全国家标准 谷物加工卫生规范
- 6 GB/T 7167-1996 锗γ射线探测器测试方法
- 7 YY/T 1088-2007 在0.5 MHz至15 MHz频率范围内采用水听器测量与表征医用超声设备声场特性的导则
- 8 GB/T 7937-2002 液压气动管接头及其相关元件公称压力系列
- 9 NB/T 11447-2023 矿用生命探测仪
- 10 GB/T 2478-2008 普通磨料 棕刚玉

关闭预览
