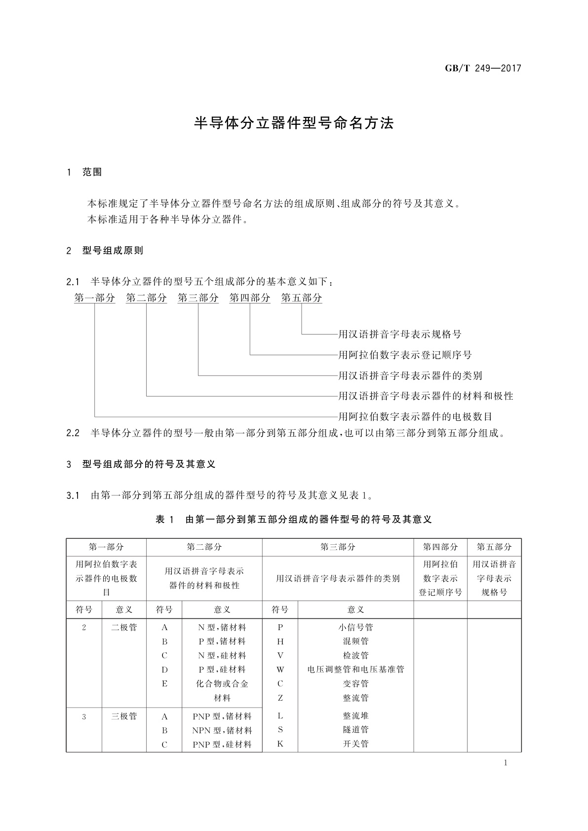
GB/T 249-2017 半导体分立器件型号命名方法
GB/T 249-2017 The rule of type designation for discrete semiconductor devices
国家标准
中文简体
现行
页数:8页
|
格式:PDF
基本信息
标准号
GB/T 249-2017
相关服务
仅限个人学习交流使用
标准类型
国家标准
标准状态
现行
中国标准分类号(CCS)
L40 半导体分立器件型号命名方法
国际标准分类号(ICS)
31.080.01
发布日期
2017-05-12
实施日期
2017-12-01
发布单位/组织
中华人民共和国国家质量监督检验检疫总局、中国国家标准化管理委员会
归口单位
全国半导体器件标准化技术委员会(SAC/TC 78)
适用范围
-
发布历史
-
2017-12
文前页预览
免费预览已结束,剩余部分可下载查看
研制信息
- 起草单位:
- 中国电子科技集团公司第十三研究所
- 起草人:
- 陈海蓉、崔波、李丽霞
- 出版信息:
- 页数:8页 | 字数:9 千字 | 开本: 大16开
推荐标准
- NB/T 10761-2021 煤矿综合机械化固体充填与垮落协同采煤法技术要求 2021-11-16
- GB/T 28951-2012 中国森林认证 森林经营 2012-11-20
- GB/T 11826-2002 转子式流速仪 2002-09-09
- GB/T 45410.1-2025 光学和光子学 望远镜系统试验方法 第1部分:基本特性 2025-03-28
- GB/T 25892.5-2010 信息技术 维吾尔文、哈萨克文、柯尔克孜文编码字符集 32点阵字型 第5部分:如克白体 2011-01-10
- GB/T 1973.2-2005 小型圆柱螺旋拉伸弹簧尺寸及参数 2005-07-11
- GA/T 454.2-2021 居民身份证平压技术规范 第2部分:平压设备技术要求 2021-10-25
- YY/T 1970-2025 脂蛋白相关磷脂酶A2测定试剂盒(化学发光免疫分析法) 2025-06-18
- GB/T 15231.3-1994 玻璃纤维增强水泥性能试验方法 抗弯性能 1994-09-24
- GB/T 35287-2017 信息安全技术 网站可信标识技术指南 2017-12-29
相似标准推荐
更多>- 1 GB/T 20037-2005 纺织机械 染整机器左右侧定义
- 2 GB/T 44179-2024 交流电压高于1 000 V和直流电压高于1 500 V的变电站用空心支柱复合绝缘子 定义、试验方法和接收准则
- 3 GB/T 20564.2-2017 汽车用高强度冷连轧钢板及钢带 第2部分:双相钢
- 4 YB/T 172-2000 硅砖定量相分析 X射线衍射法
- 5 GB/T 22165-2022 坚果与籽类食品质量通则
- 6 JJG 517-2009 出租汽车计价器
- 7 GB/T 26593-2011 无损检测仪器 工业用X射线CT装置性能测试方法
- 8 GB/T 13519-2016 包装用聚乙烯热收缩薄膜
- 9 GB/T 37072-2018 美丽乡村建设评价
- 10 GB/T 42874-2023 城市公共设施服务 城市家具 系统建设实施评价规范

关闭预览
