GB/T 23913.6-2009 复合岩棉板耐火舱室 第6部分:安装节点
GB/T 23913.6-2009 Fire-resisting compartment of composite rock wool panel—Part 6:Detail of installation
国家标准
中文简体
现行
页数:24页
|
格式:PDF
基本信息
标准号
GB/T 23913.6-2009
相关服务
仅限个人学习交流使用
标准类型
国家标准
标准状态
现行
中国标准分类号(CCS)
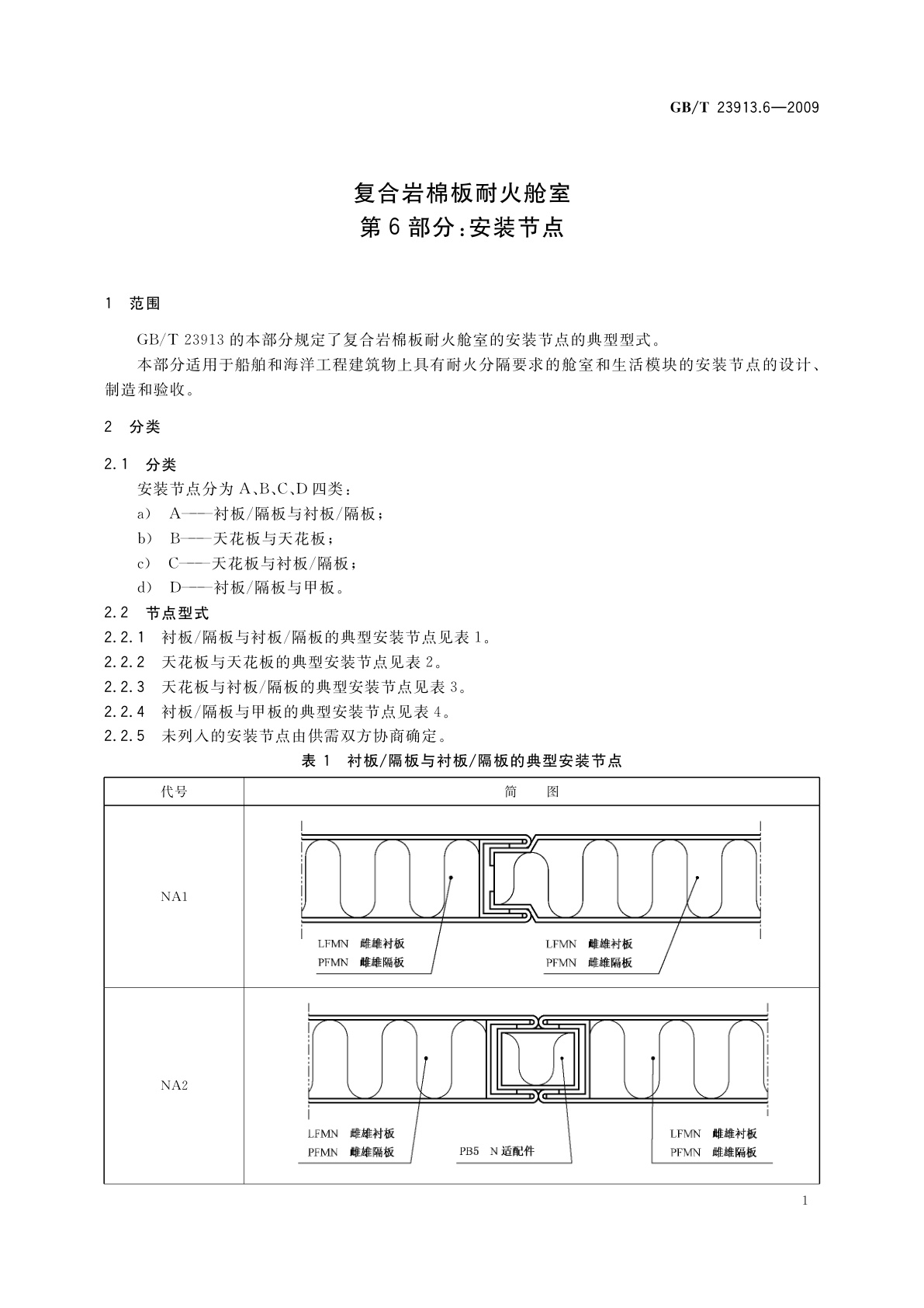
U25 复合岩棉板耐火舱室 第6部分:安装节点
国际标准分类号(ICS)
47.020.80
发布日期
2009-06-04
实施日期
2010-01-01
发布单位/组织
中华人民共和国国家质量监督检验检疫总局、中国国家标准化管理委员会
归口单位
全国船舶舾装标准化技术委员会内装分技术委员会
适用范围
-
发布历史
-
2010-01
文前页预览
免费预览已结束,剩余部分可下载查看
研制信息
- 起草单位:
- 江西朝阳机械厂、中国船舶工业综合技术经济研究院
- 起草人:
- 李德全、梅志兵、陈丽、张美玲
- 出版信息:
- 页数:24页 | 字数:36 千字 | 开本: 大16开
推荐标准
- GB/T 12971.1-2023 电力牵引用接触线 第1部分:铜及铜合金接触线 2023-08-06
- GH/T 1378-2022 农田地膜源微塑料残留量的测定 2022-11-24
- GB/T 19721.2-2017 海洋预报和警报发布 第2部分:海浪预报和警报发布 2017-03-09
- GB/T 4333.10-1990 硅铁化学分析方法 红外线吸收法测定碳量 1990-05-04
- GB/T 18724-2008 印刷技术 印刷品与印刷油墨 耐各种试剂性的测定 2008-12-30
- GB 1886.28-2016 食品安全国家标准 食品添加剂 D-异抗坏血酸钠 2016-08-31
- GB/T 12599-2002 金属覆盖层 锡电镀层 技术规范和试验方法 2002-09-11
- GB/T 32371.1-2015 低溶剂型或无溶剂型胶粘剂涂敷后释放特性的短期测量方法 第1部分:通则 2015-12-31
- GBZ/T(卫生) 256-2014 非铀矿山开采中氡的放射防护要求 2014-10-13
- GB/T 31344-2014 节能量测量和验证技术要求 板坯加热炉系统 2014-12-31
相似标准推荐
更多>- 1 GB/T 5009.108-2003 畜禽肉中己烯雌酚的测定
- 2 GB/T 18345.1-2001 燃气轮机 烟气排放 第1部分:测量与评估
- 3 GB/T 18329.1-2001 滑动轴承 多层金属滑动轴承结合强度的超声波无损检验
- 4 GB/T 6472-1996 立式内拉床 精度检验
- 5 GB/T 25067-2016 信息技术 安全技术 信息安全管理体系审核和认证机构要求
- 6 GB/T 15400-2018 饲料中色氨酸的测定
- 7 JB/T 20103-2022 蒸发浓缩器
- 8 GB/T 19659.2-2006 工业自动化系统与集成 开放系统应用集成框架 第2部分:基于ISO 11898的控制系统的参考描述
- 9 GB/T 10823-2009 充气轮胎轮辋实心轮胎规格、尺寸与负荷
- 10 GB/T 5484-2012 石膏化学分析方法

关闭预览
