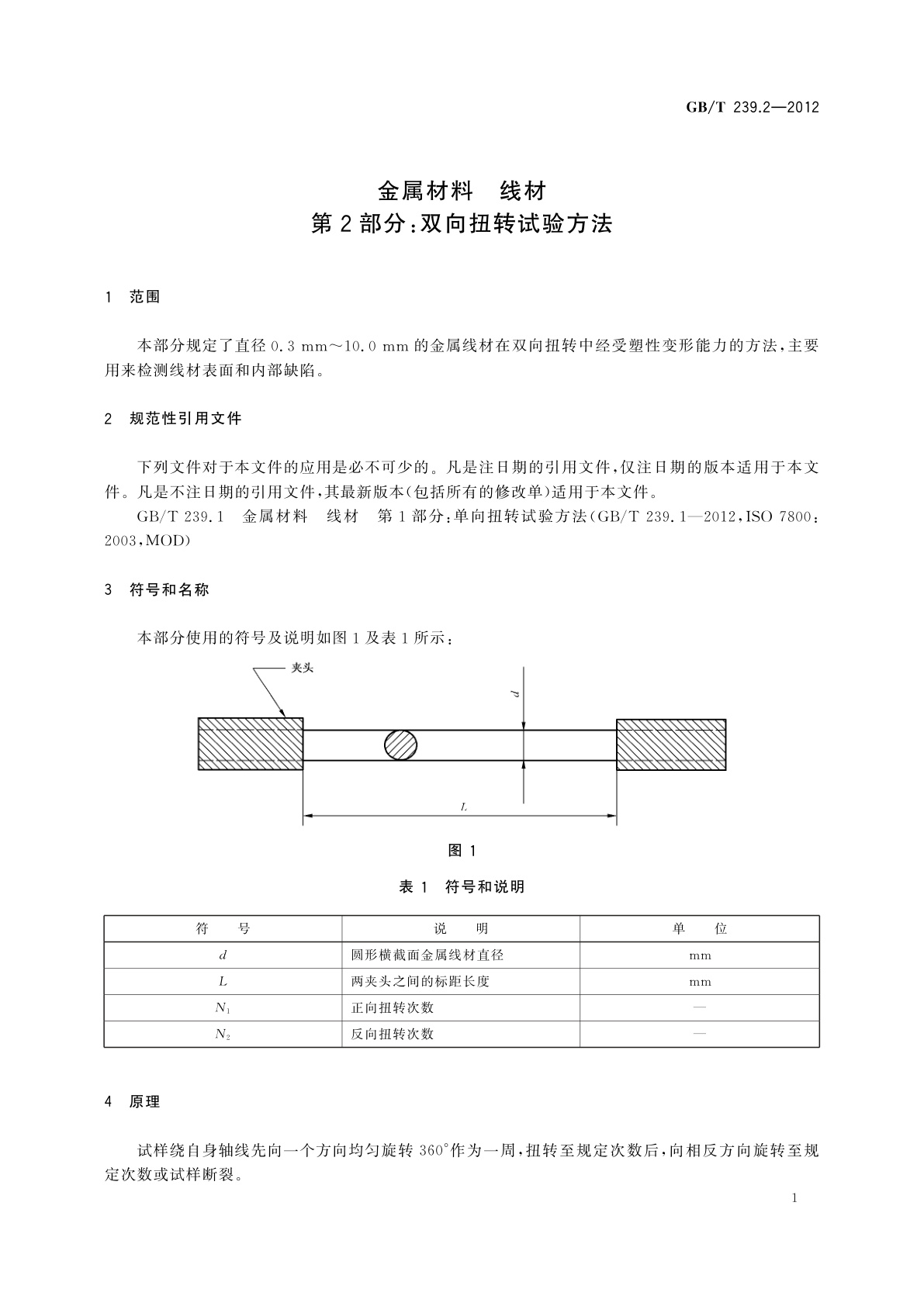
GB/T 239.2-2012 金属材料 线材 第2部分:双向扭转试验方法
GB/T 239.2-2012 Metallic materials—Wire—Part 2:Reverse torsion test
国家标准
中文简体
被代替
页数:8页
|
格式:PDF
基本信息
标准号
GB/T 239.2-2012
相关服务
仅限个人学习交流使用
标准类型
国家标准
标准状态
被代替
中国标准分类号(CCS)
H23 金属材料 线材 第2部分:双向扭转试验方法
国际标准分类号(ICS)
77.040.10
发布日期
2012-05-11
实施日期
2013-02-01
发布单位/组织
中华人民共和国国家质量监督检验检疫总局、中国国家标准化管理委员会
归口单位
全国钢标准化技术委员会(SAC/TC 183)
适用范围
-
发布历史
-
2000-08
-
2013-02
文前页预览
免费预览已结束,剩余部分可下载查看
研制信息
- 起草单位:
- 广东出入境检验检疫局、冶金工业信息研究院、武汉钢铁(集团)公司、中钢集团郑州金属制品研究院、首钢总公司
- 起草人:
- 周崎、李成明、董莉、李荣峰、洪涛、李小敏、莫明珍、谭莹、曹标、陈明、吴朝晖
- 出版信息:
- 页数:8页 | 字数:9 千字 | 开本: 大16开
推荐标准
- YS/T 583-2006 热锻水暖管件用黄铜棒 2006-05-25
- GB/T 25117.3-2010 轨道交通 机车车辆 组合试验 第3部分:间接变流器供电的交流电动机及其控制系统的组合试验 2010-09-02
- JG/T 309-2011 外墙涂料水蒸气透过率的测定及分级 2011-02-17
- GB/T 20183.1-2024 植物保护机械 喷雾设备 第1部分:喷雾机喷头试验方法 2024-04-25
- GB/T 29402.2-2012 谷物和豆类储存 第2部分:实用建议 2012-12-31
- GB/T 14833-2020 合成材料运动场地面层 2020-03-31
- GB/T 14733.4-2012 电信术语 电信中的交换和信令 2012-11-05
- GB/T 6900.6-1986 粘土、高铝质耐火材料化学分析方法 EDTA容量法测定氧化钙量 1986-09-16
- GB/T 15492-1995 残疾人轮椅篮球和游泳运动员功能分级 1995-02-21
- GB/T 2077-2023 硬质合金可转位刀片 圆角半径 2023-12-28
相似标准推荐
更多>- 1 GB/T 9267-1988 乳胶漆用乳液最低成膜温度的测定
- 2 GB 6995.1-1986 电线电缆识别标志 第1部分:一般规定
- 3 GB/T 17500-1998 卫星地球站 工作在11/12GHz频带下用于数据分配的只接收甚小口径终端(VSAT)技术要求
- 4 GB/T 36608.2-2018 家用电器的人类工效学技术要求与测评 第2部分:空调器
- 5 GB/T 11313.24-2001 射频连接器 第24部分:75Ω电缆分配系统用螺纹连接射频同轴连接器(F型)
- 6 GB/T 34978-2017 信息安全技术 移动智能终端个人信息保护技术要求
- 7 GB/T 29268.5-2022 信息技术 生物特征识别性能测试和报告 第5部分:访问控制场景与分级机制
- 8 GB/T 40506-2021 生物天然气 术语
- 9 GB/T 10992.2-1999 静电复印机 便携式复印机
- 10 YY/T 1497-2016 医用防护口罩材料病毒过滤效率评价测试方法 Phi-X174噬菌体测试方法

关闭预览
