GB/T 22908-2008 废弃荧光灯回收再利用 技术规范
GB/T 22908-2008 Abandoned fluorescent lamp's recycling and reuse—Technical specification
国家标准
中文简体
现行
页数:8页
|
格式:PDF
基本信息
标准号
GB/T 22908-2008
相关服务
仅限个人学习交流使用
标准类型
国家标准
标准状态
现行
中国标准分类号(CCS)
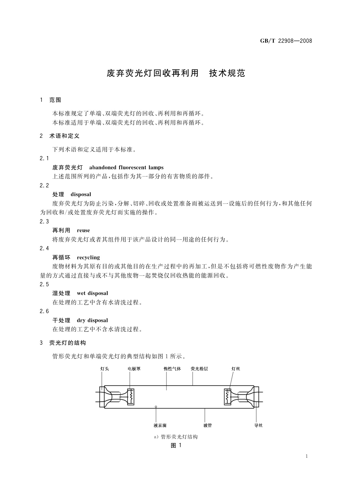
K70 废弃荧光灯回收再利用 技术规范
国际标准分类号(ICS)
29.140.01
发布日期
2008-12-30
实施日期
2009-09-01
发布单位/组织
中华人民共和国国家质量监督检验检疫总局、中国国家标准化管理委员会
归口单位
全国照明电器标准化技术委员会(SAC/TC 224)
适用范围
-
发布历史
-
2009-09
文前页预览
免费预览已结束,剩余部分可下载查看
研制信息
- 起草单位:
- 北京电光源研究所、北京松下照明光源有限公司、浙江阳光集团股份有限公司、浙江晨辉照明有限公司、霍尼韦尔朗能电器系统技术(广东)有限公司
- 起草人:
- 姚念稷、屈素辉、吴国明、陆光明、付宝成、李维升、赵秀荣
- 出版信息:
- 页数:8页 | 字数:8 千字 | 开本: 大16开
推荐标准
- GB/T 36231.1-2018 矿山机械 图形符号 第1部分:矿物开采设备 2018-05-14
- GB/T 6006.2-2001 玻璃纤维毡试验方法 第2部分:拉伸断裂强力的测定 2001-05-11
- GB/T 11409-2008 橡胶防老剂、硫化促进剂试验方法 2008-06-18
- GB/T 13829.2-2004 槽销 带倒角及全长平行沟槽 2004-02-10
- GB/T 17154.1-1997 ISDN用户-网络接口第三层基本呼叫控制技术规范及测试方法 第1部分:第三层基本呼叫控制技术规范 1997-12-16
- GB/T 6006.2-2013 玻璃纤维毡试验方法 第2部分:拉伸断裂强力的测定 2013-09-18
- GB/T 5915-1993 仔猪、生长肥育猪配合饲料 1993-02-16
- GB/T 20528.2-2009 使用基于平板视觉显示器工作的人类工效学要求 第2部分:平板显示器的人类工效学要求 2009-05-06
- FZ/T 14037-2017 涤纶烫金面料 2017-04-21
- YC/T 12.4-2006 烟草机械 产品工艺文件 第4部分:工艺规程设计 2006-02-23
相似标准推荐
更多>- 1 FZ/T 64077.2-2019 壳聚糖纤维非织造布 第2部分:水刺非织造布
- 2 GB/T 43821-2024 纺织品 铅释放量的测定
- 3 YY/T 1438-2016 麻醉和呼吸设备 评价自主呼吸者肺功能的呼气峰值流量计
- 4 GB/T 2900.103-2020 电工术语 发电、输电及配电 电力系统可信性及服务质量
- 5 GB/T 30144-2024 YZP-H系列船用起重用变频调速三相异步电动机 技术规范(机座号112~400)
- 6 GB/T 12674-1990 汽车质量(重量)参数测定方法
- 7 GB/T 6135.4-1996 直柄麻花钻 第4部分:直柄长麻花钻的型式和尺寸
- 8 GB/T 40810.1-2021 产品几何技术规范(GPS) 生产过程在线测量 第1部分:几何特征(尺寸、表面结构)的在线检测与验证
- 9 GB/T 24387-2009 农业和林业拖拉机燃油箱 安全要求
- 10 GB/T 31439.2-2015 波形梁钢护栏 第2部分:三波形梁钢护栏

关闭预览
