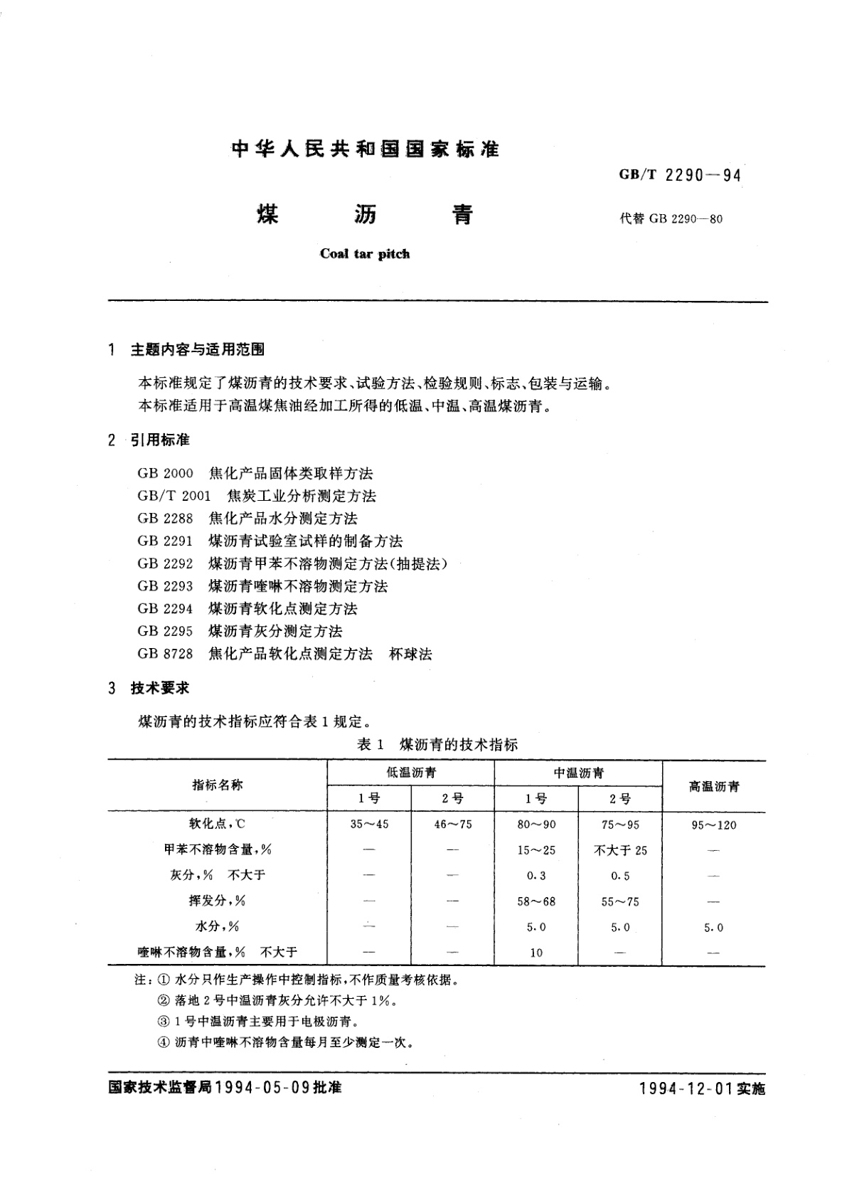
GB/T 2290-1994 煤沥青
GB/T 2290-1994 Coal tar pitch
国家标准
中文简体
被代替
页数:4页
|
格式:PDF
基本信息
标准号
GB/T 2290-1994
相关服务
仅限个人学习交流使用
标准类型
国家标准
标准状态
被代替
中国标准分类号(CCS)
G18 煤沥青
国际标准分类号(ICS)
71.080.15
发布日期
1994-05-09
实施日期
1994-12-01
发布单位/组织
国家技术监督局
归口单位
适用范围
-
发布历史
-
1994-12
文前页预览
免费预览已结束,剩余部分可下载查看
研制信息
- 起草单位:
- 包头钢铁稀土公司
- 起草人:
- 杨静芳、李千贵、杨玉芬、郭武
- 出版信息:
- 页数:4页 | 字数:4 千字 | 开本: 大16开
推荐标准
- GB/T 15021-1994 缩微摄影技术用35mm卷片拍摄技术图样和技术文件的规定 1994-04-01
- GB/T 25620-2010 土方机械 操作和维修 可维修性指南 2010-12-01
- GB/T 7165.5-2008 气态排出流(放射性)活度连续监测设备 第5部分:氚监测仪的特殊要求 2008-06-19
- GB/T 32566.2-2025 不锈钢焊接气瓶 第2部分:试验压力大于6 MPa的气瓶 2025-08-29
- GB/T 32386-2015 电子工业用气体 六氟化钨 2015-12-31
- GB/T 35016-2018 连续搬运机械 装卸机械 安全规范 2018-05-14
- GB/T 23296.13-2009 食品接触材料 塑料中氯乙烯单体的测定 气相色谱法 2009-03-31
- GB/T 12963-2009 硅多晶 2009-10-30
- GB/T 17710-2008 信息技术 安全技术 校验字符系统 2008-07-16
- GB/T 20293-2006 油辣椒 2006-07-11
相似标准推荐
更多>- 1 GB/T 4555-1995 船用绞盘
- 2 GB/T 1534-2017 花生油
- 3 GB 11509-1989 职业性急性四氯化碳中毒诊断标准及处理原则
- 4 YC/T 474.4-2013 烟草行业地理信息共享服务基本规范 第4部分:地理信息数据交换与Web服务
- 5 GB/T 7484-1987 水质 氟化物的测定 离子选择电极法
- 6 JG/T 5088-1997 油液样品容器清洁度评定方法
- 7 GB/T 40267-2021 植物源产品中左旋多巴的测定 高效液相色谱法
- 8 GB 7300.205-2025 饲料添加剂 第2部分:维生素及类维生素 核黄素(维生素B2)
- 9 YY 0584-2005 一次性使用离心杯式血液成分分离器
- 10 GB/T 7095.2-1995 漆包扁绕组线 第2部分:120级缩醛漆包铜扁线

关闭预览
