FZ/T 94011.4-2013 筘 第4部分:整经机、浆纱机用筘
FZ/T 94011.4-2013 Reeds—Part 4:Reeds for warping machines and sizing machines
行业标准
中文简体
现行
页数:12页
|
格式:PDF
基本信息
标准号
FZ/T 94011.4-2013
相关服务
仅限个人学习交流使用
标准类型
行业标准
标准状态
现行
中国标准分类号(CCS)
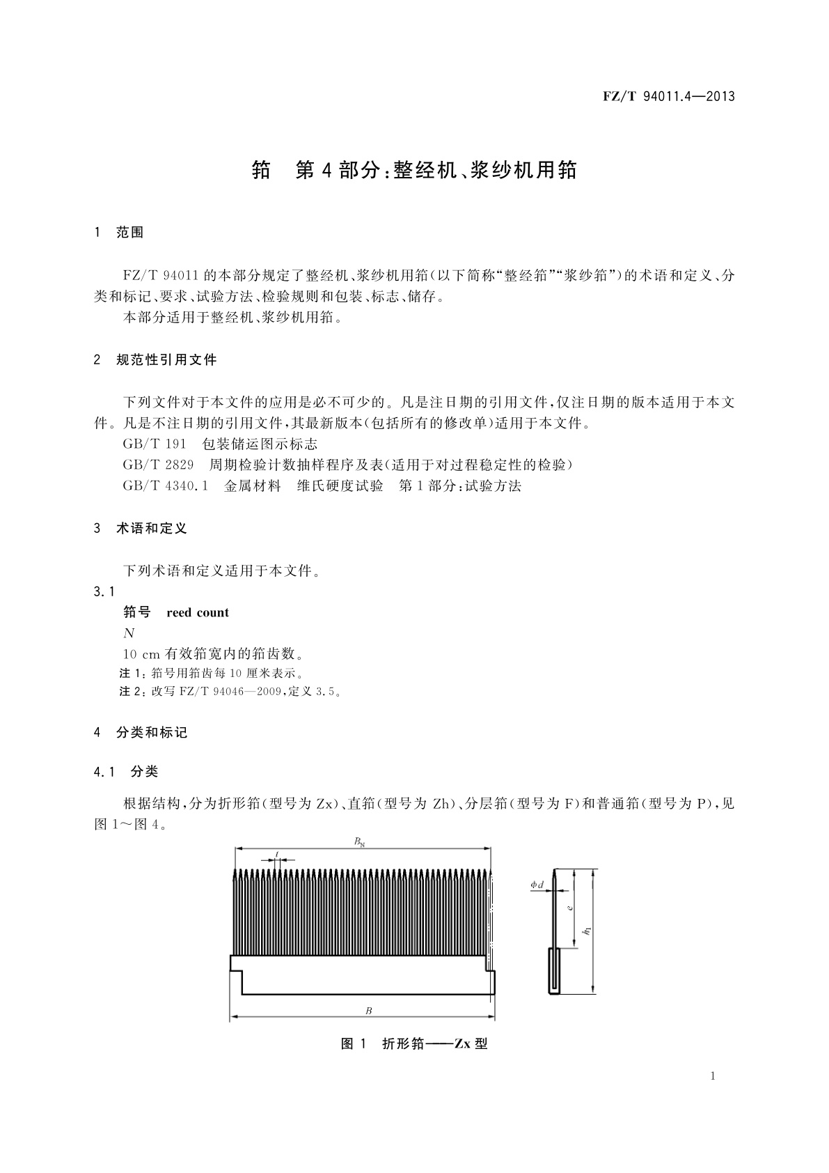
W94 筘 第4部分:整经机、浆纱机用筘
国际标准分类号(ICS)
59.120.30
发布日期
2013-10-17
实施日期
2014-03-01
发布单位/组织
中华人民共和国工业和信息化部
归口单位
全国纺织机械与附件标准化技术委员会纺织器材分技术委员会(SAC/TC 215/SC 2)
适用范围
-
发布历史
-
2014-03
文前页预览
免费预览已结束,剩余部分可下载查看
研制信息
- 起草单位:
- 绍兴县鼎丰纺织器材有限公司、常州钢筘有限公司、绍兴市水富纺织器材有限公司、陕西纺织器材研究所
- 起草人:
- 秋黎凤、赵玉生、余定雅、淡培霞、施越浩、倪克岗、诸水夫、杜鹏
- 出版信息:
- 页数:12页 | 字数:14 千字 | 开本: 大16开
推荐标准
- LY/T 1779-2008 蕨菜采集与加工技术规程 2008-09-03
- GB/T 23890-2009 油菜籽中芥酸及硫苷的测定 分光光度法 2009-05-26
- GB/T 3565.4-2022 自行车安全要求 第4部分:车闸试验方法 2022-12-30
- GB/T 25826-2022 钢筋混凝土用环氧涂层钢筋 2022-10-12
- GB/T 5155-2022 镁及镁合金热挤压棒材 2022-03-09
- GB/T 2889.2-2020 滑动轴承 术语、定义、分类和符号 第2部分:摩擦和磨损 2020-04-28
- GB/T 42345-2023 钒钛磁铁矿 矿物定量检测方法 2023-03-17
- GB/T 10151-2008 医用诊断X射线设备 高压电缆插头、插座技术条件 2008-11-03
- GB/T 28245-2025 自动锻压机 噪声限值 2025-10-31
- CJ/T 123-2004 给水用钢骨架聚乙烯塑料复合管 2004-12-02
相似标准推荐
更多>- 1 GB/T 32789-2016 轮胎噪声测试方法 转鼓法
- 2 GB/T 45121-2024 火力发电厂烟气二氧化碳捕集系统能耗测定技术规范
- 3 GB/T 4240-1993 不锈钢丝
- 4 GB/T 18268.23-2010 测量、控制和实验室用的电设备 电磁兼容性要求 第23部分:特殊要求 带集成或远程信号调理变送器的试验配置、工作条件和性能判据
- 5 GB 16780-2021 水泥单位产品能源消耗限额
- 6 GB/T 20975.29-2019 铝及铝合金化学分析方法 第29部分:钼含量的测定 硫氰酸盐分光光度法
- 7 LY/T 2728-2016 坐骑式草地养护设备 滚翻保护结构(ROPS) 试验程序和认定准则
- 8 GB/T 1593.1-1996 农业轮式拖拉机后置式三点悬挂装置 第1部分:1、2、3和4类
- 9 GB/T 36365-2018 信息技术 射频识别 800/900MHz无源标签通用规范
- 10 GB/T 4338-1995 金属材料 高温拉伸试验

关闭预览
