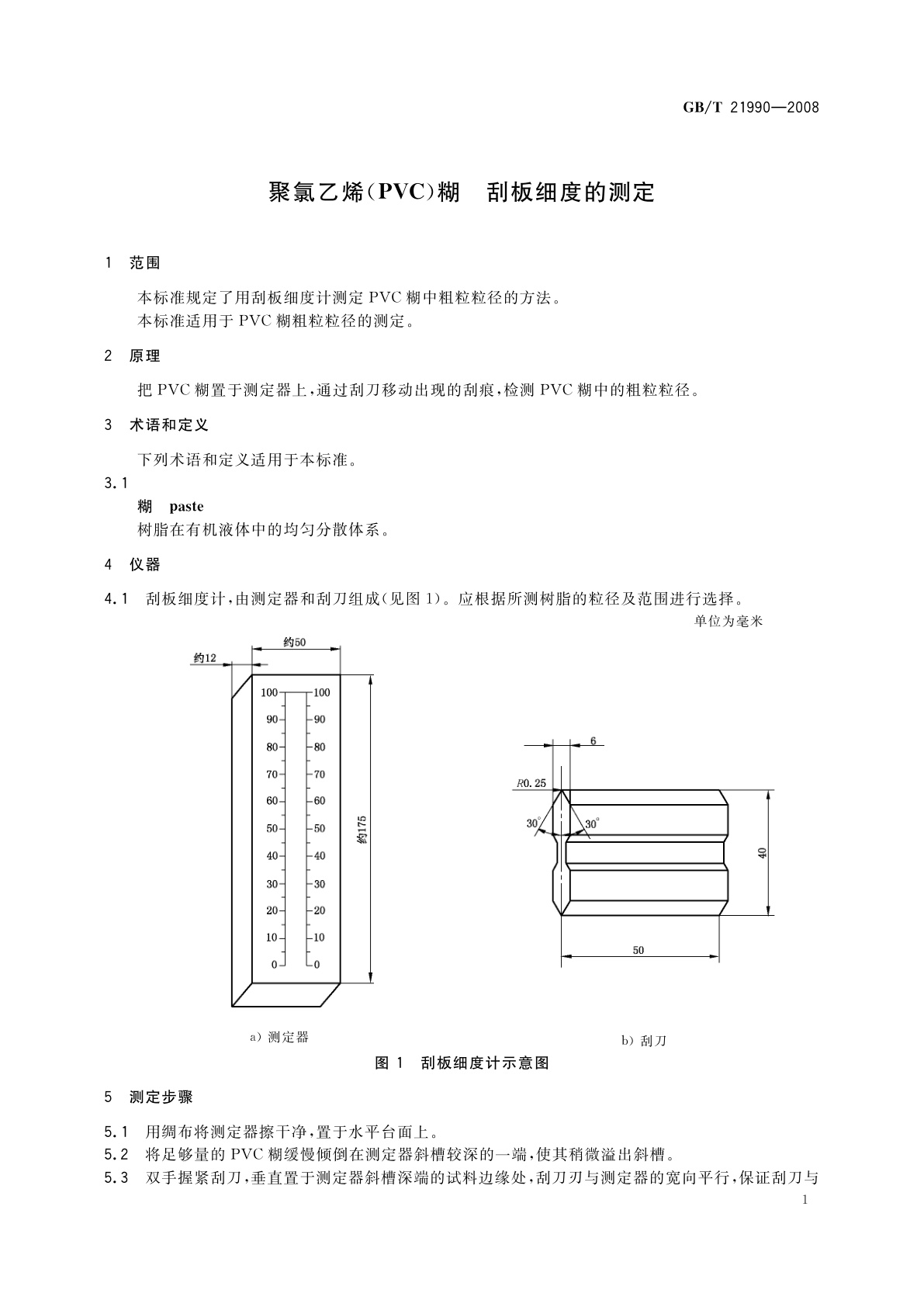
GB/T 21990-2008 聚氯乙烯(PVC)糊 刮板细度的测定
GB/T 21990-2008 Polyvinyl chloride(PVC)pastes—Determination of fineness of grind
国家标准
中文简体
现行
页数:8页
|
格式:PDF
基本信息
标准号
GB/T 21990-2008
相关服务
仅限个人学习交流使用
标准类型
国家标准
标准状态
现行
中国标准分类号(CCS)
G32 聚氯乙烯(PVC)糊 刮板细度的测定
国际标准分类号(ICS)
83.080.20
发布日期
2008-06-04
实施日期
2008-12-01
发布单位/组织
中华人民共和国国家质量监督检验检疫总局、中国国家标准化管理委员会
归口单位
全国塑料标准化技术委员会聚氯乙烯树脂产品分会(SAC/TC 15/SC 7)
适用范围
-
发布历史
-
1993-10
-
2008-12
文前页预览
免费预览已结束,剩余部分可下载查看
研制信息
- 起草单位:
- 锦西化工研究院
- 起草人:
- 孙丽娟、谭琛、郝晶、陈沛云
- 出版信息:
- 页数:8页 | 字数:5 千字 | 开本: 大16开
推荐标准
- GB/T 46246-2025 风能发电系统 基于安装在测风塔、机舱和整流罩上的测风设备的风能资源测量 2025-10-05
- YY/T 0474-2004 外科植入物用聚L-丙交酯树脂及制品 体外降解试验 2004-03-23
- GM/T 0020-2023 证书应用综合服务接口规范 2023-12-04
- GB/T 32539-2016 高温渗碳 2016-02-24
- GBZ/T(卫生) 229.2-2010 工作场所职业病危害作业分级 第2部分:化学物 2010-04-12
- GB/T 30709-2014 层压复合垫片材料压缩率和回弹率试验方法 2014-06-09
- SH/T 0667-1998 风冷二冲程气油机油清净性评定法 1998-09-24
- GB/T 21024-2007 中文语音合成系统通用技术规范 2007-06-29
- GB/T 15670.9-2017 农药登记毒理学试验方法 第9部分:皮肤变态反应(致敏)试验 2017-07-12
- GB/T 16886.9-2017 医疗器械生物学评价 第9部分:潜在降解产物的定性和定量框架 2017-12-29
相似标准推荐
更多>- 1 JJG 561-2016 近区电场测量仪
- 2 GB/Z 26958.20-2011 产品几何技术规范(GPS) 滤波 第20部分:线性轮廓滤波器 基本概念
- 3 GB/T 32556.3-2016 带端键传动的铣刀杆 第3部分:带法兰接触面的空心锥柄的铣刀杆尺寸
- 4 GB/T 43246-2023 全断面隧道掘进机制造监理技术要求
- 5 GB/T 42433-2023 珠宝玉石鉴定 红外光谱法
- 6 JJG 2008-1987 射频电压计量器具
- 7 GB/T 1997-2008 焦炭试样的采取和制备
- 8 GB/T 32183-2015 计算机直接排版印刷版基用铝带材
- 9 GB/T 42984.1-2023 健康软件 第1部分:产品安全的通用要求
- 10 GB/T 38579-2020 生物产品中光合细菌测定

关闭预览
