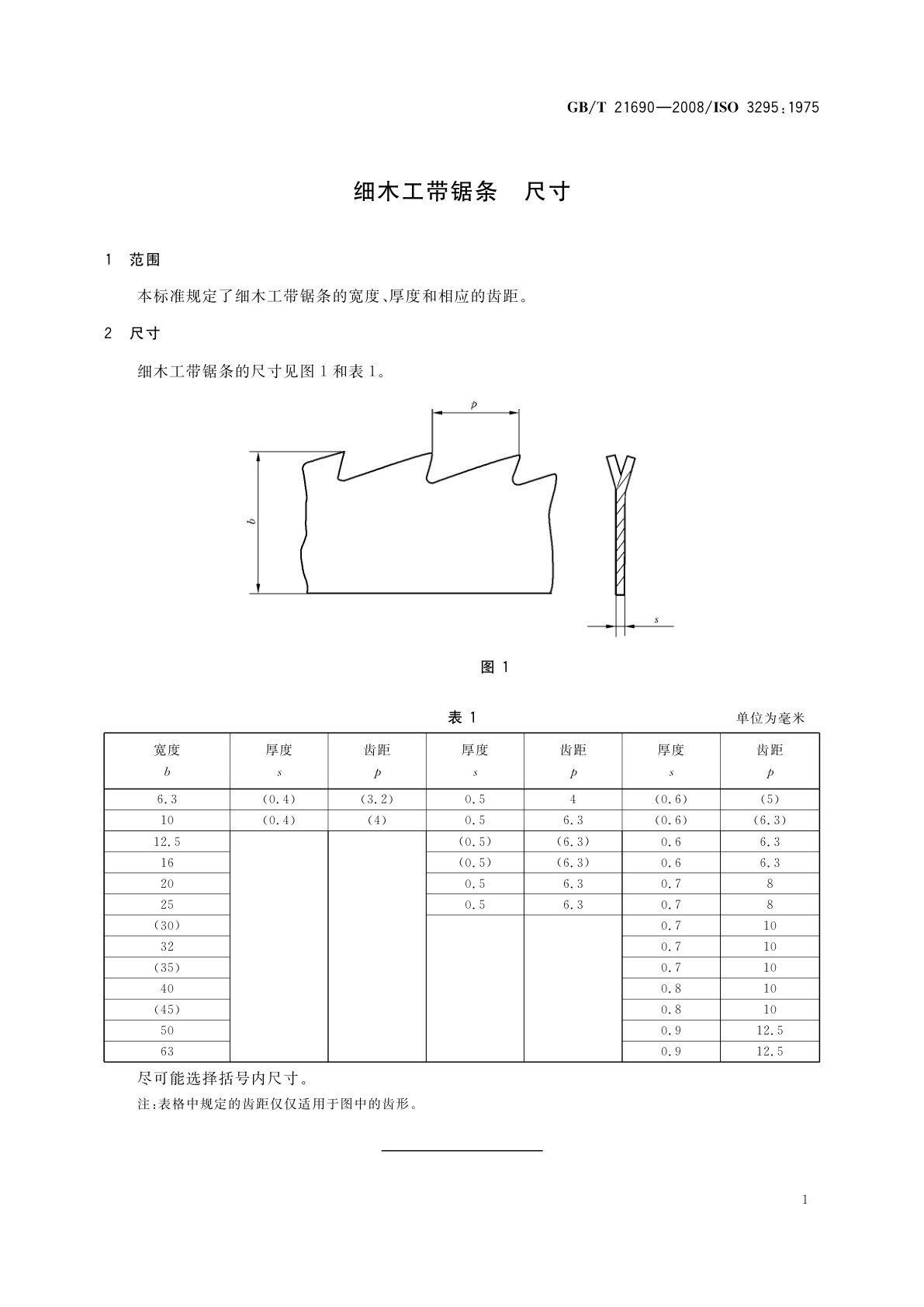
GB/T 21690-2008 细木工带锯条 尺寸
GB/T 21690-2008 Narrow bandsaw blades for woodworking—Dimensions
国家标准
中文简体
现行
页数:8页
|
格式:PDF
基本信息
标准号
GB/T 21690-2008
相关服务
仅限个人学习交流使用
标准类型
国家标准
标准状态
现行
中国标准分类号(CCS)
J65 细木工带锯条 尺寸
国际标准分类号(ICS)
79.120.10
发布日期
2008-04-22
实施日期
2008-10-01
发布单位/组织
中华人民共和国国家质量监督检验检疫总局、中国国家标准化管理委员会
归口单位
全国木工机床与刀具标准化技术委员会
适用范围
-
发布历史
-
2008-10
文前页预览
免费预览已结束,剩余部分可下载查看
研制信息
- 起草单位:
- 福州木工机床研究所
- 起草人:
- 郑莉、唐崇淹
- 出版信息:
- 页数:8页 | 字数:3 千字 | 开本: 大16开
推荐标准
- GB/T 17999.5-2008 SPF鸡 微生物学监测 第5部分:SPF鸡 琼脂扩散试验 2008-12-31
- LY/T 1607-2003 造林作业设计规程 2003-08-14
- GB/T 7193.4-1987 不饱和聚酯树脂 80℃下反应活性测定方法 1987-01-16
- GB/T 5478-2008 塑料 滚动磨损试验方法 2008-08-18
- GB/T 28993-2012 结构用锯材力学性能测试方法 2012-12-31
- GB/T 22547-2008 饲料添加剂 饲用活性干酵母(酿酒酵母) 2008-11-21
- GB/T 35386-2017 无损检测 工业计算机层析成像(CT)检测用密度分辨力测试卡 2017-12-29
- GB/T 23343-2009 纺织品 色牢度试验 耐家庭和商业洗涤色牢度 使用含有低温漂白活性剂的无磷标准洗涤剂的氧化漂白反应 2009-03-19
- GB/T 11977-2025 住宅卫生间功能及尺寸系列 2025-10-05
- GB/T 46211-2025 塑料 环氧树脂固化剂和促进剂 酸酐中游离酸的测定 2025-08-29
相似标准推荐
更多>- 1 GB/T 15843.2-2017 信息技术 安全技术 实体鉴别 第2部分:采用对称加密算法的机制
- 2 GB/T 17419-2018 含有机质叶面肥料
- 3 GB/T 37126-2018 结构装配用建筑密封胶试验方法
- 4 GB/T 40633-2021 茶叶加工术语
- 5 GB/T 17592-2024 纺织品 禁用偶氮染料的测定
- 6 GB/T 17463-1998 远动设备及系统 第4部分:性能要求
- 7 GB/T 5009.119-2003 复合食品包装袋中二氨基甲苯的测定
- 8 GB/T 9405-1995 34368kbit/s正码速调整三次群数字复用设备技术要求和测试方法
- 9 GB/T 17037.1-2019 塑料 热塑性塑料材料注塑试样的制备 第1部分:一般原理及多用途试样和长条形试样的制备
- 10 GB/T 13029.3-1991 船用通信电缆和射频电缆的选择和敷设

关闭预览
