GB/T 21680-2008 木工圆锯片 尺寸
GB/T 21680-2008 Circular saw blades for woodworking—Dimensions
国家标准
中文简体
现行
页数:8页
|
格式:PDF
基本信息
标准号
GB/T 21680-2008
相关服务
仅限个人学习交流使用
标准类型
国家标准
标准状态
现行
中国标准分类号(CCS)
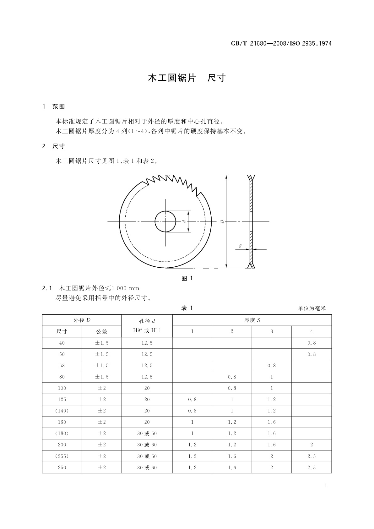
J65 木工圆锯片 尺寸
国际标准分类号(ICS)
79.120.10
发布日期
2008-04-22
实施日期
2008-10-01
发布单位/组织
中华人民共和国国家质量监督检验检疫总局、中国国家标准化管理委员会
归口单位
全国木工机床与刀具标准化技术委员会
适用范围
-
发布历史
-
2008-10
文前页预览
免费预览已结束,剩余部分可下载查看
研制信息
- 起草单位:
- 福州木工机床研究所
- 起草人:
- 郑莉、唐崇淹
- 出版信息:
- 页数:8页 | 字数:5 千字 | 开本: 大16开
推荐标准
- HY/T 203.4-2016 海水利用术语 第4部分:海水化学资源提取利用技术 2016-05-05
- YS/T 514.9-2009 高钛渣、金红石化学分析方法 第9部分:氧化钙、氧化镁、一氧化锰、磷、三氧化二铬和五氧化二钒量的测定 电感耦合等离子体发射光谱法 2009-12-04
- GB/T 32151.50-2025 温室气体排放核算与报告要求 第50部分:冷库运营企业 2025-08-29
- SH/T 0685-1999 液化石油气密度测定法(压力密度瓶法) 1999-12-08
- GB/T 21279-2007 危险化学品包装液压试验方法 2007-12-13
- GB/T 3836.11-2017 爆炸性环境 第11部分:气体和蒸气物质特性分类 试验方法和数据 2017-12-29
- GB/T 19136-2021 农药热储稳定性测定方法 2021-12-31
- GB/T 13218-1991 带式真空过滤机型式和基本参数 1991-10-18
- GB/T 30083-2013 铜、铅和锌矿及精矿 计量方法的精密度和偏差 2013-12-17
- GB/T 16840.3-2021 电气火灾痕迹物证技术鉴定方法 第3部分:俄歇分析法 2021-08-20
相似标准推荐
更多>- 1 XB/T 218-2007 金属钇
- 2 GB/T 21633-2008 掺混肥料(BB肥)
- 3 GB/T 15616-2008 金属及合金的电子探针定量分析方法
- 4 GB/T 4870-1985 普通平板玻璃尺寸系列
- 5 GB/T 32492-2016 液化石油气中二甲醚含量气相色谱分析法
- 6 GB/T 39228-2020 土壤微生物生物量的测定 熏蒸提取法
- 7 GB/T 13075-2016 钢质焊接气瓶定期检验与评定
- 8 GB/T 41020-2021 建筑物财产保险火灾风险评估指南
- 9 GB/T 16426-1996 粉尘云最大爆炸压力和最大压力上升速率测定方法
- 10 GB/T 36181-2018 萧山鸡

关闭预览
