FZ/T 93008-2002 环锭细纱机用塑料经纱管
FZ/T 93008-2002 Plastic tubes on ring spinning frames
行业标准
中文简体
被代替
页数:12页
|
格式:PDF
基本信息
标准号
FZ/T 93008-2002
相关服务
仅限个人学习交流使用
标准类型
行业标准
标准状态
被代替
中国标准分类号(CCS)
W93 环锭细纱机用塑料经纱管
国际标准分类号(ICS)
59.120.10
发布日期
2002-09-28
实施日期
2003-01-01
发布单位/组织
中华人民共和国国家经济贸易委员会
归口单位
陕西纺织器材研究所
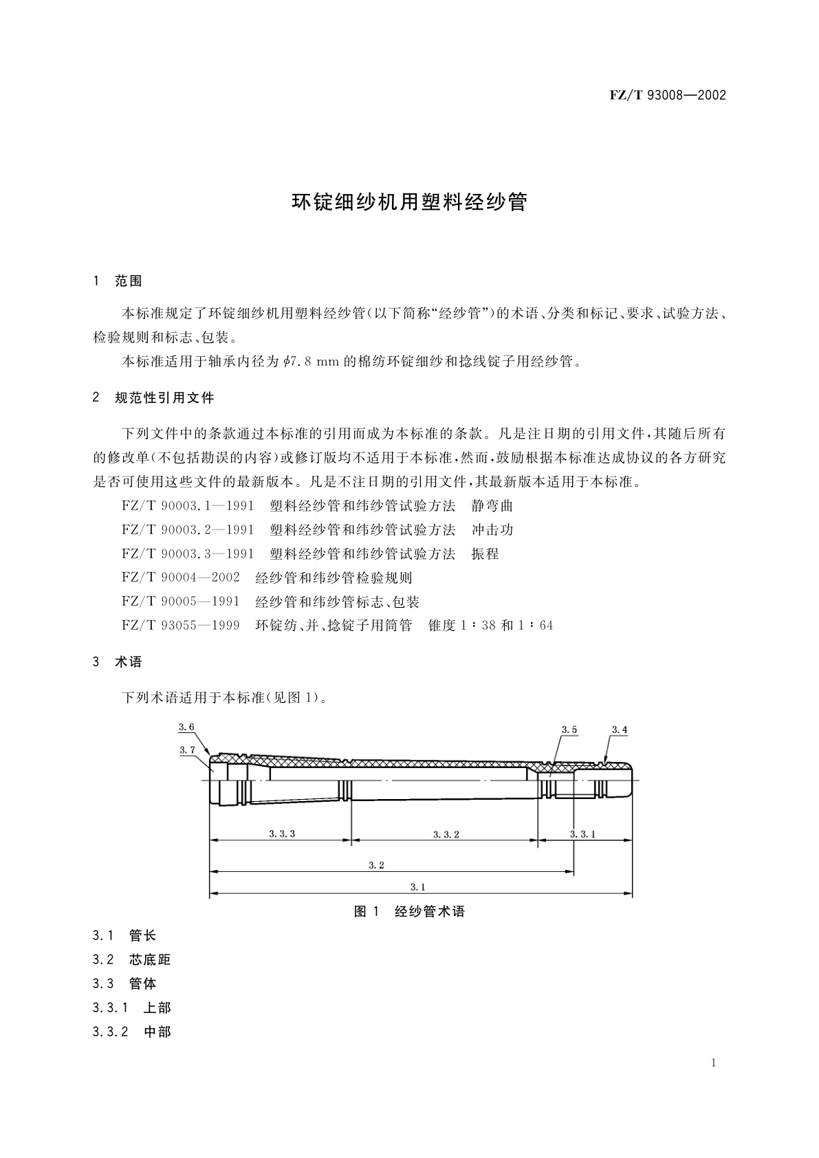
适用范围
-
发布历史
-
2003-01
文前页预览
免费预览已结束,剩余部分可下载查看
研制信息
- 起草单位:
- 陕西纺织器材研究所
- 起草人:
- 王玉华、蒋传良、张小赧、赵玉生
- 出版信息:
- 页数:12页 | 字数:14 千字 | 开本: 大16开
推荐标准
- GB/T 6188-2000 螺栓和螺钉用内六角花形 2000-09-26
- GB/T 17174.2-1997 信息处理系统 文本通信 可靠传送 第2部分:协议规范 1997-12-25
- GB 1886.23-2015 食品安全国家标准 食品添加剂 小花茉莉浸膏 2015-09-22
- YC/T 364-2010 烟草机械 钢铁制件工序间防腐蚀保护 2010-10-11
- FZ/T 01165-2022 纺织品 有机锡化合物的筛选 电感耦合等离子体质谱法 2022-04-08
- LY/T 3109-2019 油用牡丹种子园建设技术规程 2019-10-23
- GB/T 41734.3-2022 动物射频识别 第3部分:符合GB/T 20563和GB/T 22334的射频识别标签性能评估 2022-10-12
- JJG 876-2019 船舶气象仪 2019-09-27
- GB/T 44165.3-2024 消费品中重点化学物质检测方法 第3部分:氯代乙烷 2024-06-29
- LY/T 2882-2017 饰面模压纤维板 2017-06-05
相似标准推荐
更多>- 1 LY/T 2059-2012 木结构用钢钉
- 2 GB/T 20340.1-2024 农用挂车和被牵引设备 牵引杆千斤顶 第1部分:设计安全、试验方法和验收条件
- 3 GB/T 6080.1-1998 机用锯条 第1部分:型式与尺寸
- 4 NY/T 5108-2002 无公害食品 猕猴桃生产技术规程
- 5 GB 25431.1-2010 橡胶塑料挤出机和挤出生产线 第1部分:挤出机的安全要求
- 6 GB/T 22157-2018 声学 测量道路车辆和轮胎噪声的试验车道技术规范
- 7 GB/T 22459.1-2008 耐火泥浆 第1部分:稠度试验方法(锥入度法)
- 8 FZ/T 15002-2020 纺织经纱上浆用聚丙烯酸类浆料
- 9 GB/T 32503.2-2018 家用和类似用途变频控制器的安全 第2部分:热泵、空调器和除湿机用变频控制器的特殊要求
- 10 JB/T 20208-2024 大蜜丸凉丸机

关闭预览
