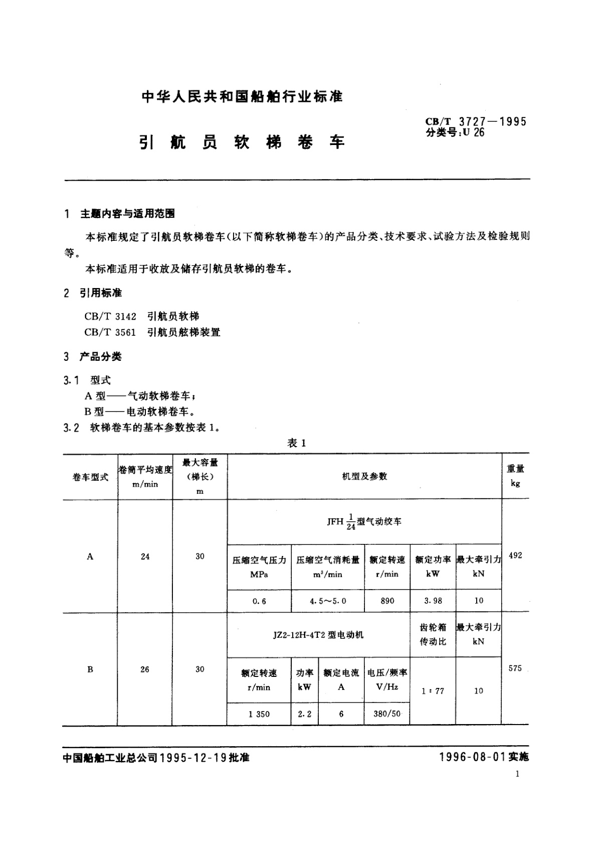
CB/T 3727-1995 引航员软梯卷车
CB/T 3727-1995
行业标准
中文简体
被代替
页数:8页
|
格式:PDF
基本信息
标准号
CB/T 3727-1995
相关服务
仅限个人学习交流使用
标准类型
行业标准
标准状态
被代替
中国标准分类号(CCS)
U26 引航员软梯卷车
国际标准分类号(ICS)
发布日期
1995-12-19
实施日期
1996-08-01
发布单位/组织
中国船舶工业总公司
归口单位
江南造船厂
适用范围
-
发布历史
-
1996-08
文前页预览
免费预览已结束,剩余部分可下载查看
研制信息
- 起草单位:
- 大连船舶设计研究所
- 起草人:
- 贾昌振
- 出版信息:
- 页数:8页 | 字数:8 千字 | 开本: 大16开
推荐标准
- GB/T 1653-2023 邻、对硝基氯苯 2023-08-06
- GB/T 148-1997 印刷、书写和绘图纸幅面尺寸 1997-06-26
- GB/T 2423.34-2005 电工电子产品环境试验 第2部分:试验方法 试验Z/AD:温度/湿度组合循环试验 2005-08-26
- MT 181-1988 煤矿井下用塑料管安全性能检验规范 1988-04-14
- FZ/T 64037-2014 帐篷用双轴向经编基布 2014-05-06
- GB/T 1867-2017 还原蓝RSN(C.I.还原蓝4) 2017-11-01
- FZ/T 01158-2022 纺织品 织物刺痒感的测定 振动音频分析法 2022-04-08
- GB/T 18049-2017 热环境的人类工效学 通过计算PMV和PPD指数与局部热舒适准则对热舒适进行分析测定与解释 2017-05-12
- GB/T 44874-2024 葡萄酒产地识别技术导则 2024-10-26
- GB/T 12786-1991 自动化柴油发电机组通用技术条件 1991-04-11
相似标准推荐
更多>- 1 GB/T 2039-2024 金属材料 单轴拉伸蠕变试验方法
- 2 SB/T 10864-2012 家用燃气灶具拆装和维修服务技术规范
- 3 GB/T 45854-2025 风能发电系统 风力发电机组液压系统
- 4 GB/T 4754-2011 国民经济行业分类
- 5 GB/T 33772.2-2025 质量评定体系 第2部分:电子元器件及封装件检验用抽样方案的选择和使用
- 6 GA/T 974.39-2011 消防信息代码 第39部分:消防车辆勤务状态分类与代码
- 7 JJF 2111-2024 气体容积式流量计型式评价大纲
- 8 GB/T 32132-2015 动物性材料(羊毛、羊绒、鸭绒、鹅绒)属性DNA鉴定方法 实时荧光PCR法
- 9 GB/T 26457-2011 造纸用圆丝干燥网
- 10 GB/T 45917-2025 企业对消费者(B2C)电子商务平台用户条款编制指南

关闭预览
