GB/T 20874-2007 磁性零件有效参数的计算
GB/T 20874-2007 Calculation of the effective parameters of magnetic piece parts
国家标准
中文简体
现行
页数:20页
|
格式:PDF
基本信息
标准号
GB/T 20874-2007
相关服务
仅限个人学习交流使用
标准类型
国家标准
标准状态
现行
中国标准分类号(CCS)
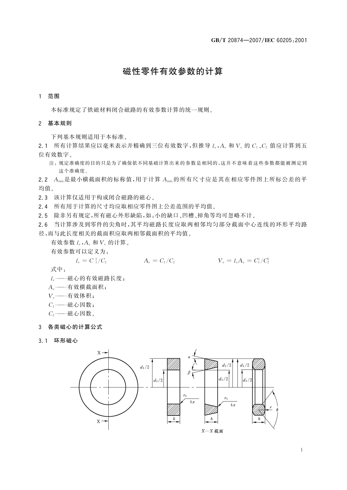
L19 磁性零件有效参数的计算
国际标准分类号(ICS)
29.100.10
发布日期
2007-02-09
实施日期
2007-09-01
发布单位/组织
中华人民共和国国家质量监督检验检疫总局、中国国家标准化管理委员会
归口单位
信息产业部(电子)
适用范围
-
发布历史
-
2007-09
文前页预览
免费预览已结束,剩余部分可下载查看
研制信息
- 起草单位:
- 中国电子科技集团公司第九研究所、江门粉末冶金厂有限公司
- 起草人:
- 胡滨、汪南东、莫如敬、刘剑
- 出版信息:
- 页数:20页 | 字数:28 千字 | 开本: 大16开
推荐标准
- JG/T 3047-1998 采暖散热器 灰铸铁柱翼型散热器 1998-07-13
- GB/T 34690.2-2017 印刷技术 胶印数字化过程控制 第2部分:作业环境 2017-11-01
- YY/T 0738-2009 医用X射线导管床专用技术条件 2009-11-15
- GB/T 23496-2009 食品中禁用物质的检测 碱性橙染料 高效液相色谱法 2009-04-27
- GB/T 12688.5-2019 工业用苯乙烯试验方法 第5部分:总醛含量的测定 滴定法 2019-06-04
- GB/T 29340-2012 锅炉用水和冷却水分析方法 氯化物的测定 硫氰化铵滴定法 2012-12-31
- GB/T 6730.16-1986 铁矿石化学分析方法 硫酸钡重量法测定硫量 1986-08-19
- GB/T 14926.52-2001 实验动物 免疫荧光试验 2001-08-29
- GB/T 31046-2014 品牌价值评价 交通运输业 2014-12-05
- YS/T 243-2001 纺织经编机用铝合金线轴 2001-02-12
相似标准推荐
更多>- 1 GB/T 22099-2008 酿造醋酸与合成醋酸的鉴定方法
- 2 GB/T 35615-2022 社会保险登记服务规范
- 3 GB/T 6477.1-1986 金属切削机床术语 基本术语
- 4 GB/T 13999-1992 35mm电影拷贝上光学双声迹的位置和宽度尺寸
- 5 GB/T 19290.4-2009 发展中的电子设备构体机械结构模数序列 第2-2部分:分规范 25 mm设备构体的接口协调尺寸 详细规范 插箱、机箱、背板、面板和插件的尺寸
- 6 GB/T 6570-1986 微波二极管测试方法
- 7 GB/T 20462.1-2006 汽车用热塑性非增强软管和软管 第1部分:非燃油用
- 8 GB/T 44104-2024 武术课程学生运动能力测评规范
- 9 CB/T 3711-1995 船用柴油机零件焊补修复工艺技术要求
- 10 LS/T 8005-2023 农户小型粮仓建造技术规范

关闭预览
