GB/T 20774-2006 手用1∶50锥度销子铰刀
GB/T 20774-2006 Hand taper 1∶50 pin reamers
国家标准
中文简体
现行
页数:8页
|
格式:PDF
基本信息
标准号
GB/T 20774-2006
相关服务
仅限个人学习交流使用
标准类型
国家标准
标准状态
现行
中国标准分类号(CCS)
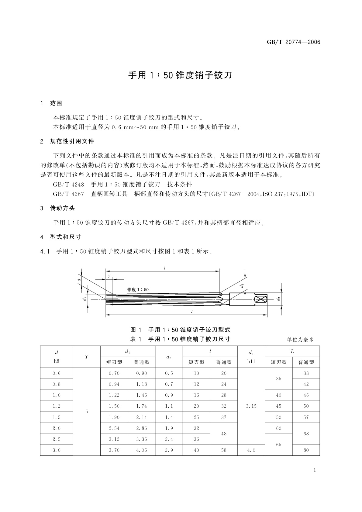
J41 手用1∶50锥度销子铰刀
国际标准分类号(ICS)
25.100.30
发布日期
2006-12-30
实施日期
2007-06-01
发布单位/组织
中华人民共和国国家质量监督检验检疫总局、中国国家标准化管理委员会
归口单位
全国刀具标准化技术委员会(SAC/TC 91)
适用范围
-
发布历史
-
2007-06
文前页预览
免费预览已结束,剩余部分可下载查看
研制信息
- 起草单位:
- 成都工具研究所
- 起草人:
- 邓智光、聂珂星、曾宇环
- 出版信息:
- 页数:8页 | 字数:6 千字 | 开本: 大16开
推荐标准
- GB/T 11969-1997 加气混凝土性能试验方法总则 1997-11-12
- GB/T 33144-2016 超硬磨料 冲击韧性测定方法 2016-10-13
- GB/T 27305-2008 食品安全管理体系 果汁和蔬菜汁类生产企业要求 2008-09-10
- GB 31618-2014 食品安全国家标准 食品营养强化剂 棉子糖 2014-12-24
- GB/T 28542-2012 道路车辆应急起动电缆 2012-06-29
- FZ/T 92066-1998 松紧架装置通用技术条件 1998-01-20
- GB/T 18336.1-2024 网络安全技术 信息技术安全评估准则 第1部分:简介和一般模型 2024-04-25
- GB/T 6285-2016 气体中微量氧的测定 电化学法 2016-12-13
- GB/T 6996.8-1986 透射式电视重合测试图 A型 1986-11-20
- GB/T 38891-2020 磁力分选试验方法 2020-06-02
相似标准推荐
更多>- 1 GB/T 41501-2022 纤维增强塑料复合材料 双梁法测定层间剪切强度和模量
- 2 GB/T 2913-1982 塑料白度试验方法
- 3 GB/T 25150-2010 工业设备化学清洗中奥氏体不锈钢钝化膜质量的测试方法 蓝点法
- 4 GB/T 8586-2007 探鱼仪工作频率分配及其防止声波干扰技术条件
- 5 GB 5009.120-2025 食品安全国家标准 食品中丙酸及其盐的测定
- 6 LY/T 1599-2002 旋切单板
- 7 GB/T 226-2015 钢的低倍组织及缺陷酸蚀检验法
- 8 GB/T 5264-2010 柴油机喷油泵柱塞偶件 技术条件
- 9 RB/T 164-2018 有机产品认证目录评估准则
- 10 GB/T 42784.2-2025 越野叉车 验证视野的试验方法 第2部分:越野型回转伸缩臂式叉车

关闭预览
