FZ/T 90094-1998 多臂装置用连续纹纸 尺寸
FZ/T 90094-1998 Paper patterns for dobbies--Dimensions
行业标准
中文简体
废止
页数:8页
|
格式:PDF
基本信息
标准号
FZ/T 90094-1998
相关服务
仅限个人学习交流使用
标准类型
行业标准
标准状态
废止
中国标准分类号(CCS)
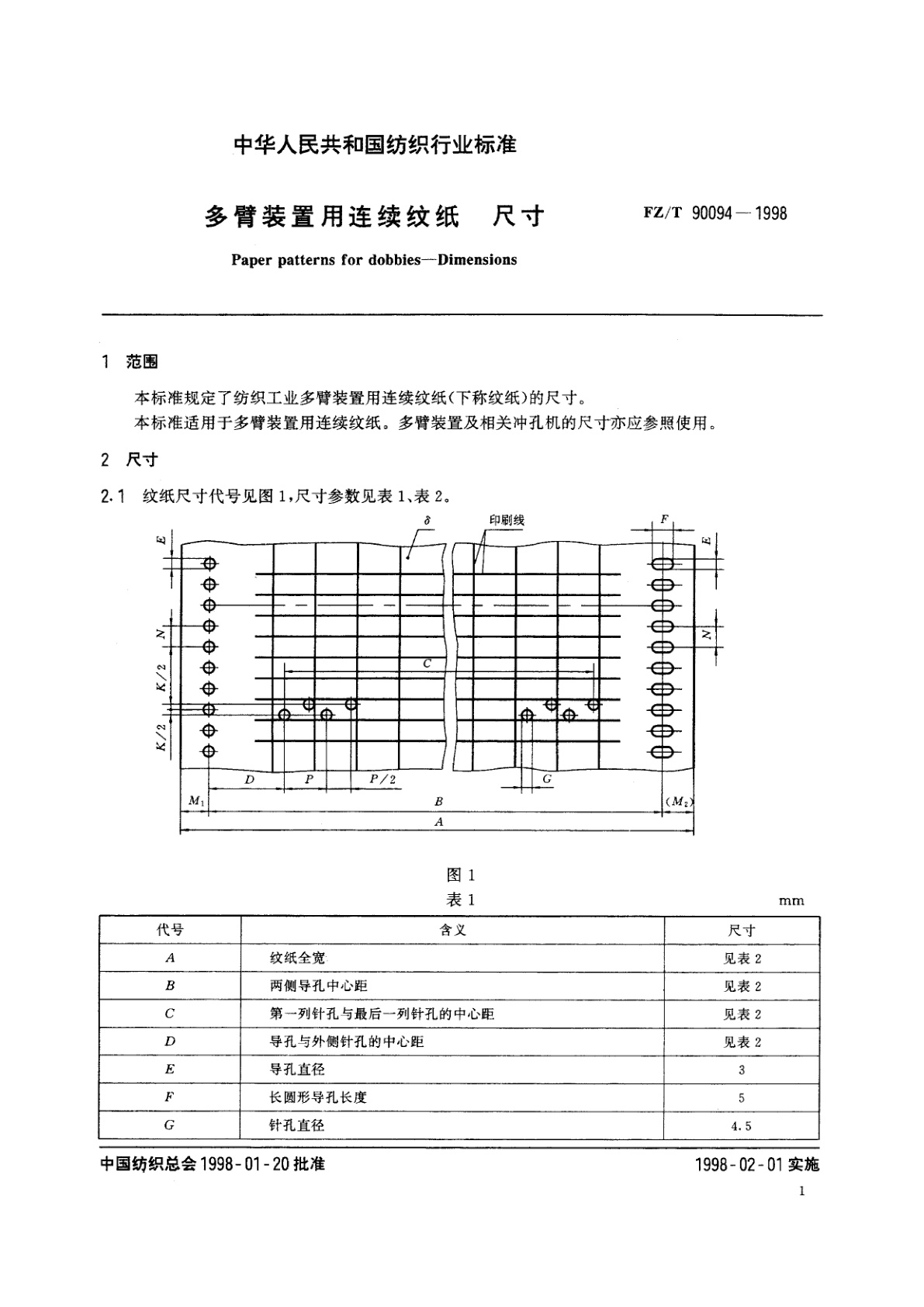
多臂装置用连续纹纸 尺寸
国际标准分类号(ICS)
发布日期
1998-01-20
实施日期
1998-02-01
发布单位/组织
中国纺织总会
归口单位
中国纺织总会纺织机电研究所
适用范围
-
发布历史
-
1998-02
文前页预览
免费预览已结束,剩余部分可下载查看
研制信息
- 起草单位:
- 中国纺织总会纺织机电研究所、中国纺织机械股份有限公司、常熟纺织机械厂、上海星火纺织提花纸版厂
- 起草人:
- 陈邦英、周乾平、刘晓楣、吴达方
- 出版信息:
- 页数:8页 | 字数:13 千字 | 开本: 大16开
推荐标准
- GH/T 1418-2023 野生食用菌保育促繁技术规程 干巴菌 2023-04-25
- GB/T 16480.4-1996 金属钇及氧化钇化学分析方法 硫量的测定 1996-07-09
- GB/T 36945-2018 电动自行车用锂离子蓄电池词汇 2018-12-28
- GB/T 45700-2025 物业管理术语 2025-05-30
- GB/T 15099-1994 使用冲击试验机测定产品脆值的试验方法 1994-07-18
- GB/T 7025.3-1997 电梯 主参数及轿厢、井道、机房的型式与尺寸 第3部分:V类电梯 1997-10-16
- GB/T 31201-2014 复合肥(缓控释)生产成套设备 2014-09-03
- GB 29686-2013 食品安全国家标准 猪可食性组织中阿维拉霉素残留量的测定 液相色谱-串联质谱法 2013-09-16
- GB/T 16507.2-2013 水管锅炉 第2部分:材料 2013-12-31
- GB/T 20405.5-2006 失禁者用尿液吸收剂 聚合物基质吸液材料特性的测试方法 第5部分:在生理盐水中用称重法测定吸水率 2006-03-10
相似标准推荐
更多>- 1 GB/T 2484-2018 固结磨具 一般要求
- 2 GB/T 29909-2013 暖通空调系统清洁设备术语
- 3 GB/T 10195.1-1997 电子设备用压敏电阻器 第2部分:空白详细规范 碳化硅浪涌抑制型压敏电阻器 评定水平E
- 4 GB/T 5626.1-1985 扩口式锥螺纹直通管接头
- 5 GB/T 15291-1994 半导体器件 第6部分 晶闸管
- 6 YS/T 862-2013 再生铸造铅黄铜型材
- 7 GA/T 1317.3-2018 交通安全社会化服务管理信息系统通用技术条件 第3部分:12123语音服务平台
- 8 GB/T 10544-2022 橡胶软管及软管组合件 油基或水基流体适用的钢丝缠绕增强外覆橡胶液压型 规范
- 9 GB 19193-2003 疫源地消毒总则
- 10 GB/T 11047.3-2024 纺织品 织物勾丝性能的检测和评价 第3部分:针布滚筒法

关闭预览
