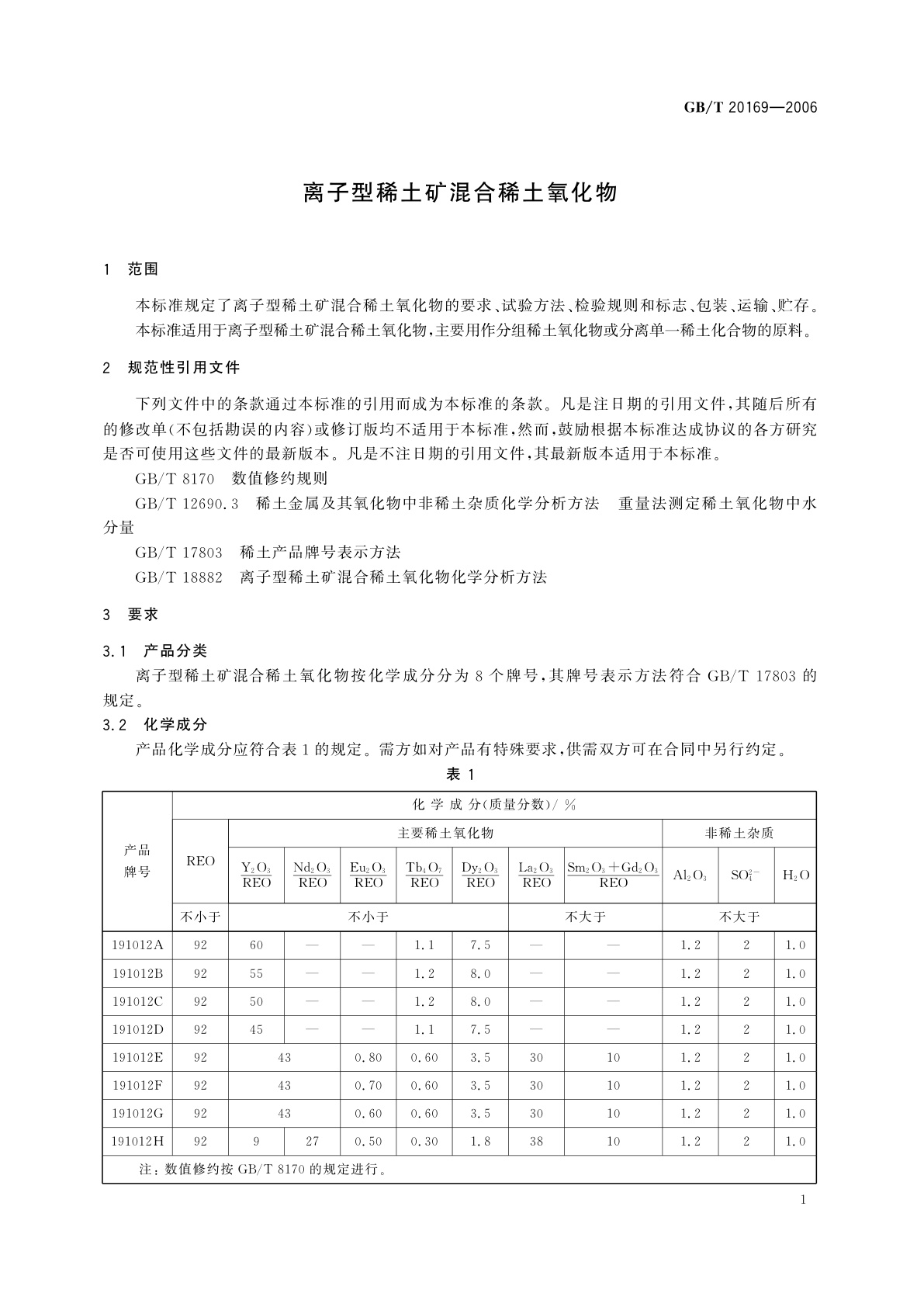
GB/T 20169-2006 离子型稀土矿混合稀土氧化物
GB/T 20169-2006 Mixed rare earth oxide of ion-absorpted type rare earth ore
国家标准
中文简体
被代替
页数:8页
|
格式:PDF
基本信息
标准号
GB/T 20169-2006
相关服务
仅限个人学习交流使用
标准类型
国家标准
标准状态
被代替
中国标准分类号(CCS)
H65 离子型稀土矿混合稀土氧化物
国际标准分类号(ICS)
77.120.99
发布日期
2006-04-13
实施日期
2006-10-01
发布单位/组织
中华人民共和国国家质量监督检验检疫总局、中国国家标准化管理委员会
归口单位
全国稀土标准化技术委员会
适用范围
-
发布历史
-
2006-10
文前页预览
免费预览已结束,剩余部分可下载查看
研制信息
- 起草单位:
- 江西南方稀土高技术股份有限公司
- 起草人:
- 卢能迪、杜雯、肖方春
- 出版信息:
- 页数:8页 | 字数:6 千字 | 开本: 大16开
推荐标准
- GB/T 14731-2008 同步数字体系(SDH)的比特率 2008-10-07
- GB/T 27698.2-2023 热交换器及传热元件性能测试方法 第2部分:热交换器 2023-08-06
- GB/T 16886.16-2003 医疗器械生物学评价 第16部分:降解产物和可溶出物的毒代动力学研究设计 2003-03-05
- GB/T 20056-2006 滚动轴承 向心滚针和保持架组件 尺寸和公差 2006-01-09
- GB/T 19513-2004 声学 规定实验室条件下办公室屏障声衰减的测量 2004-05-13
- GB/T 33917-2017 精油 手性毛细管柱气相色谱分析 通用法 2017-07-12
- GB/T 10280-2008 林业机械 便携式风力灭火机 2008-12-01
- GB/T 40380.1-2021 金属粉末 高温时松装密度和流速的测定 第1部分:高温时松装密度的测定 2021-08-20
- GB/T 13126-2009 机电产品湿热带防护包装通用技术条件 2009-10-15
- GB/T 38944-2020 无损检测 中子小角散射检测方法 2020-06-02
相似标准推荐
更多>- 1 GB/T 18204.7-2000 理发用具微生物检验方法 金黄色葡萄球菌测定
- 2 JG 135-2000 杂物电梯
- 3 GB/T 1276-1999 化学试剂 氟化铵
- 4 GB/T 18988.2-2003 放射性核素成像设备 性能和试验规则 第2部分:单光子发射计算机断层装置
- 5 GB/T 13103-1991 色拉油卫生标准
- 6 GB/T 14005-1992 电子设备用固定电容器 第六部分:空白详细规范 金属化聚碳酸酯膜介质直流固定电容器 评定水平E(可供认证用)
- 7 YS/T 1122.1-2016 氯铂酸化学分析方法 第1部分:铂量的测定 氯化铵沉淀重量法
- 8 GB/T 22431-2021 集装箱运输电子数据交换船舶离港报文
- 9 GB/T 10156-1997 水准仪
- 10 GB/T 44393-2024 序列多态STR等位基因命名规则

关闭预览
