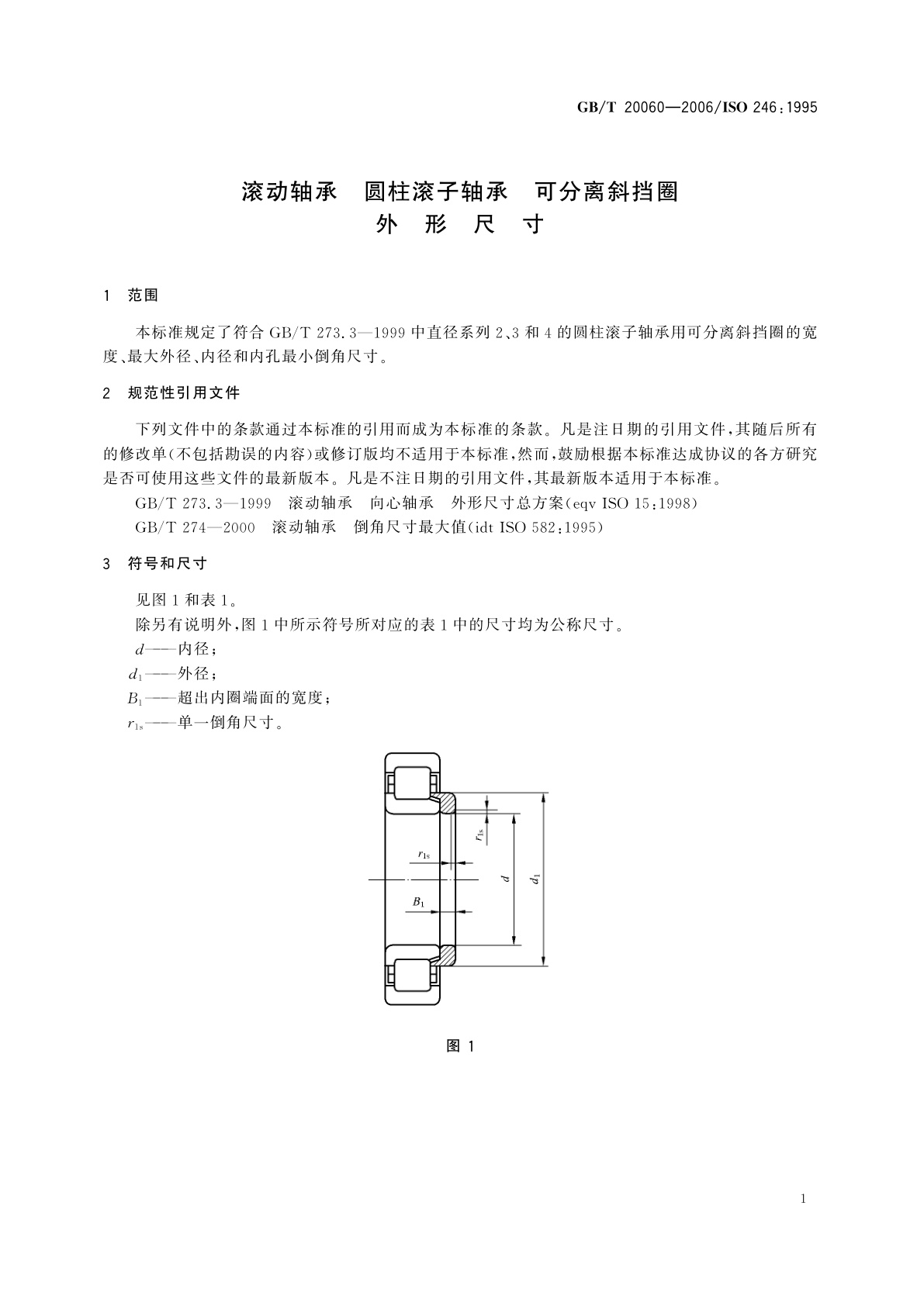
GB/T 20060-2006 滚动轴承 圆柱滚子轴承 可分离斜挡圈 外形尺寸
GB/T 20060-2006 Rolling bearings—Cylindrical roller bearings, separate thrust collars—Boundary dimensions
国家标准
中文简体
被代替
页数:8页
|
格式:PDF
基本信息
标准号
GB/T 20060-2006
相关服务
仅限个人学习交流使用
标准类型
国家标准
标准状态
被代替
中国标准分类号(CCS)
J11 滚动轴承 圆柱滚子轴承 可分离斜挡圈 外形尺寸
国际标准分类号(ICS)
21.100.20
发布日期
2006-01-09
实施日期
2006-08-01
发布单位/组织
中华人民共和国国家质量监督检验检疫总局、中国国家标准化管理委员会
归口单位
全国滚动轴承标准化技术委员会(SAC/TC 98)
适用范围
-
发布历史
-
2006-08
文前页预览
免费预览已结束,剩余部分可下载查看
研制信息
- 起草单位:
- 洛阳轴承研究所
- 起草人:
- 宋玉聪
- 出版信息:
- 页数:8页 | 字数:5 千字 | 开本: 大16开
推荐标准
- GB/T 9121.1-2000 突面平焊环板式松套钢制管法兰 2000-09-28
- NY 5070-2002 无公害食品 水产品中渔药残留限量 2002-07-25
- GB/Z 15166.8-2025 高压交流熔断器 第8部分:应用导则 2025-02-28
- GB/T 6075.4-2015 机械振动 在非旋转部件上测量评价机器的振动 第4部分:具有滑动轴承的燃气轮机组 2015-12-31
- GB/T 26893-2011 粮油机械 圆筒初清筛 2011-09-29
- GB/T 33047.3-2021 塑料 聚合物热重法(TG) 第3部分:使用Ozawa-Friedman绘图测定活化能和分析反应动力学 2021-08-20
- GB/T 43198-2023 食品包装用聚乙烯吹塑容器 2023-09-07
- YS/T 745.1-2010 铜阳极泥化学分析方法 第1部分:铜量的测定 碘量法 2010-11-22
- GB/T 37186-2018 气体分析 二氧化硫和氮氧化物的测定 紫外差分吸收光谱分析法 2018-12-28
- JJG 453-2002 标准色板 2002-09-13
相似标准推荐
更多>- 1 LY/T 1512-2003 木质卫生筷子
- 2 GB/T 18932.27-2005 蜂蜜中泰乐菌素残留量测定方法 酶联免疫法
- 3 GB/T 30119-2013 原子吸收测量用校准溶液制备方法
- 4 GB/T 26665-2011 制动器术语
- 5 GB/T 43259.301-2024 能量管理系统应用程序接口(EMS-API) 第301部分:公共信息模型(CIM)基础
- 6 GB/T 32499-2016 连接器件 任何材料的夹紧件用铝线的连接器件及铝基夹紧件用铜线的连接器件
- 7 GB/T 5009.107-2003 植物性食品中二嗪磷残留量的测定
- 8 GB/T 14474-2024 号筒扬声器 通用要求
- 9 GB/T 2526-1996 氧化钆
- 10 FZ/T 90083-1995 纺织机械 筒子架 主要尺寸

关闭预览
