GB/T 20037-2005 纺织机械 染整机器左右侧定义
GB/T 20037-2005 Textile machinery—Dyeing and finishing machines—Definition of left and right sides
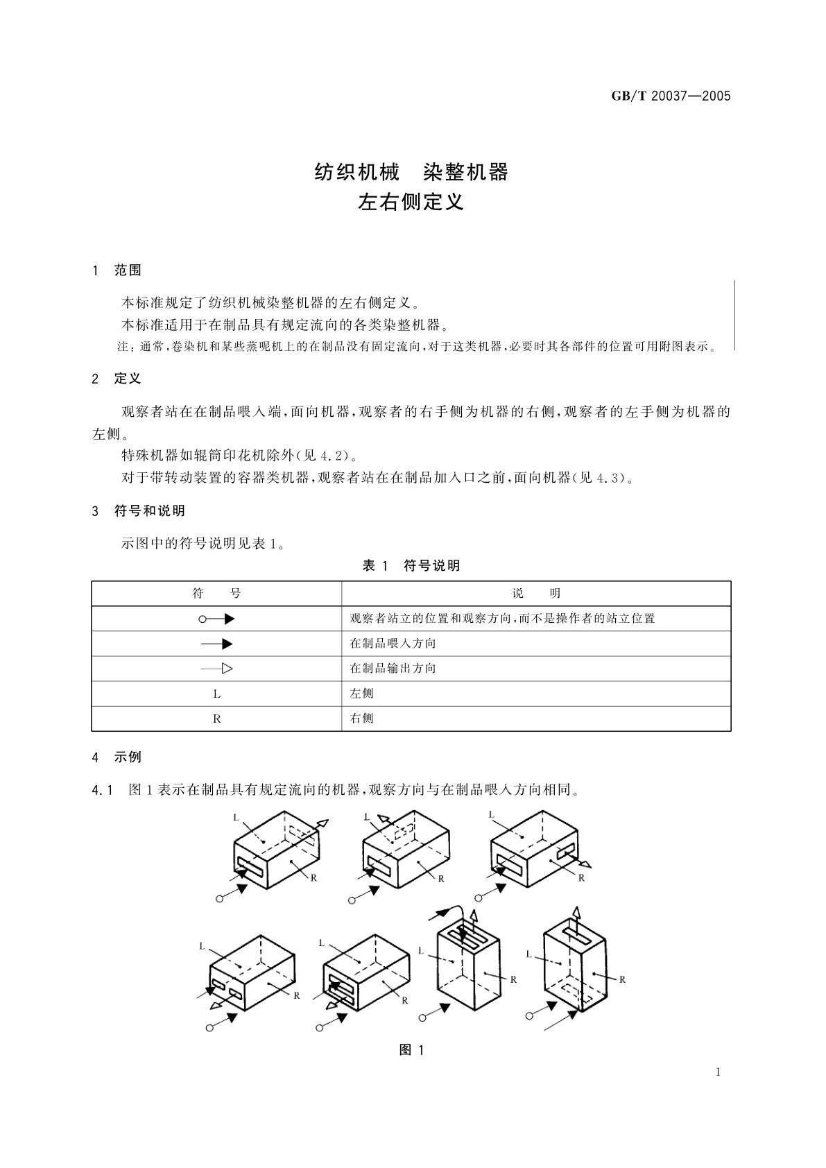
国家标准
中文简体
现行
页数:8页
|
格式:PDF
基本信息
标准号
GB/T 20037-2005
相关服务
仅限个人学习交流使用
标准类型
国家标准
标准状态
现行
中国标准分类号(CCS)
W90 纺织机械 染整机器左右侧定义
国际标准分类号(ICS)
59.120.50
发布日期
2005-10-19
实施日期
2006-01-01
发布单位/组织
中华人民共和国国家质量监督检验检疫总局、中国国家标准化管理委员会
归口单位
全国纺织机械与附件标准化技术委员会(SAC/TC 215)
适用范围
-
发布历史
-
2006-01
文前页预览
免费预览已结束,剩余部分可下载查看
研制信息
- 起草单位:
- 浙江印染机械有限公司、中纺机电研究所、上海太平洋印染机械有限公司、邵阳纺织机械有限公司、黄石纺织机械厂、郑州纺织机械股份有限公司
- 起草人:
- 张伯洪、杨炯、孙凉远、林健、李鸽、邱静云、周万玉、王清
- 出版信息:
- 页数:8页 | 字数:5 千字 | 开本: 大16开
推荐标准
- GB/T 41136-2021 电阻焊设备 变压器 一体式焊钳用内置整流器的1 000 Hz变压器 2021-12-31
- GB 7258-2017 机动车运行安全技术条件 2017-09-29
- GB/T 6072.1-2008 往复式内燃机 性能 第1部分:功率、燃料消耗和机油消耗的标定及试验方法通用发动机的附加要求 2008-02-03
- GB/T 26700-2011 门体填充用硬质聚氨酯泡沫塑料 2011-06-16
- GA/T 1280-2024 银行自助设备安全性规范 2024-05-04
- GB/T 31833-2015 绝热材料生产能耗计算通则 2015-06-30
- GB/T 12801-2008 生产过程安全卫生要求总则 2008-12-15
- JJF 1261.9-2022 家用燃气快速热水器和燃气采暖热水炉能源效率计量检测规则 2022-04-29
- GB 14924.3-2010 实验动物 配合饲料营养成分 2010-12-23
- GB/T 18916.2-2012 取水定额 第2部分:钢铁联合企业 2012-06-29
相似标准推荐
更多>- 1 GB/T 19608.2-2004 特殊环境条件分级 第2部分:干热沙漠
- 2 GB/T 7428-1994 16mm磁片上两声轨磁头隙缝的位置和宽度尺寸
- 3 GB/T 12232-2005 通用阀门 法兰连接铁制闸阀
- 4 GB 28346-2012 食品安全国家标准 食品添加剂 肉桂醛
- 5 CB/T 3620-1994 侧推装置安装及效用试验质量要求
- 6 GB/T 5413.4-1997 婴幼儿配方食品和乳粉 亚油酸的测定
- 7 GB/T 24984-2010 日用塑料袋
- 8 GB/T 25684.14-2023 土方机械 安全 第14部分:小型机具承载机的要求
- 9 YC/T 277-2008 烟用接装纸标准化示范企业建设规范及评价准则
- 10 GB/T 9851.5-2008 印刷技术术语 第5部分:凹版印刷术语

关闭预览
