GB/T 19675.1-2005 管法兰用金属冲齿板柔性石墨复合垫片尺寸
GB/T 19675.1-2005 Dimensions of flexible graphite gaskets reinforced with tanged metal sheet for pipe flanges
国家标准
中文简体
被代替
页数:12页
|
格式:PDF
基本信息
标准号
GB/T 19675.1-2005
相关服务
仅限个人学习交流使用
标准类型
国家标准
标准状态
被代替
中国标准分类号(CCS)
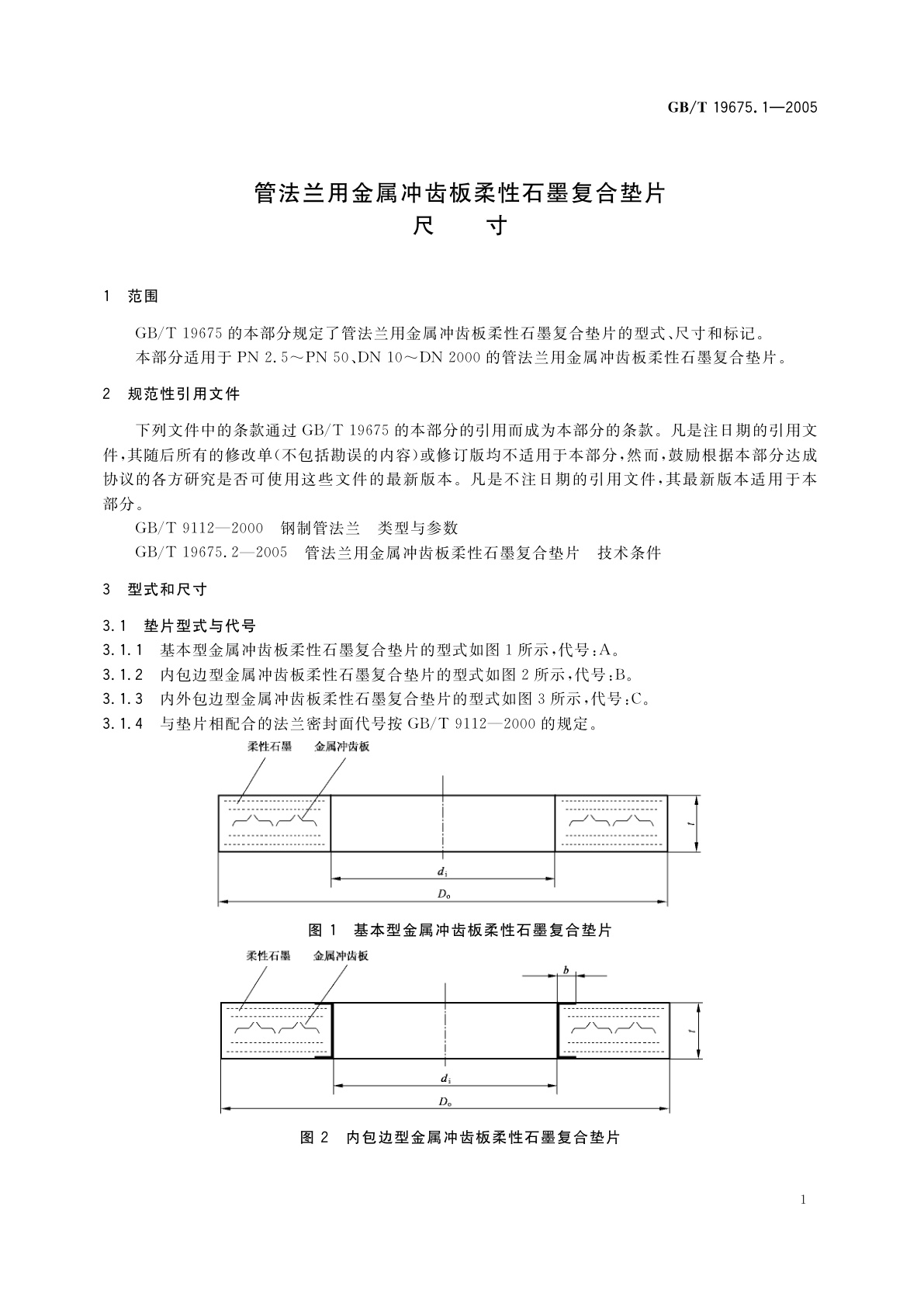
J15 管法兰用金属冲齿板柔性石墨复合垫片尺寸
国际标准分类号(ICS)
23.040.60
发布日期
2005-02-21
实施日期
2005-08-01
发布单位/组织
中华人民共和国国家质量监督检验检疫总局、中国国家标准化管理委员会
归口单位
全国管路附件标准化技术委员会
适用范围
-
发布历史
-
1994-10
-
2005-08
文前页预览
免费预览已结束,剩余部分可下载查看
研制信息
- 起草单位:
- 机械科学研究院、南京工业大学、华东理工大学、浙江国泰密封材料股份有限公司、扬中市斌扬特种垫片填料厂、南京赛博过程工业装备有限责任公司
- 起草人:
- 陈琳、顾伯勤、谢苏江、彭国强、陈晔、陆晓峰、孙景龙
- 出版信息:
- 页数:12页 | 字数:11 千字 | 开本: 大16开
推荐标准
- FZ/T 01132-2016 纺织品 定量化学分析 维纶纤维与某些其他纤维的混合物 2016-04-05
- GB/T 4680-2023 卧式内拉床 精度检验 2023-09-07
- GB/T 32800.2-2023 手持式非电类动力工具 安全要求 第2部分:切断和扣压动力工具 2023-03-17
- GB/T 16656.46-2010 工业自动化系统与集成 产品数据表达与交换 第46部分:集成通用资源:可视化显示 2010-12-01
- GB 19079.5-2005 体育场所开放条件与技术要求 第5部分:轮滑场所 2005-01-24
- GB/T 11143-2008 加抑制剂矿物油在水存在下防锈性能试验法 2008-02-13
- GA/T 698-2014 信息安全技术 信息过滤产品技术要求 2014-03-24
- GB/T 26707-2011 手表和怀表 时针、分针和秒针的配合直径 2011-06-16
- GB/T 34827-2017 电子商务信用 第三方网络零售平台交易纠纷处理通则 2017-11-01
- GB/T 28511.2-2012 平面光波导集成光路器件 第2部分:基于阵列波导光栅(AWG)技术的密集波分复用(DWDM)滤波器 2012-06-29
相似标准推荐
更多>- 1 GB 7300.101-2019 饲料添加剂 第1部分:氨基酸、氨基酸盐及其类似物 L-苏氨酸
- 2 GB/T 17680.2-2025 核电厂应急准备与响应准则 第2部分:场外应急组织与职能
- 3 GA/T 1639-2019 法庭科学 唾液中苯丙胺等四种苯丙胺类毒品和氯胺酮检验 液相色谱-质谱法
- 4 GB/T 23471-2009 浸渍纸层压秸秆复合地板
- 5 GB/T 18460.1-2001 IC卡预付费售电系统 第1部分:总则
- 6 JG/T 5076.2-1996 振动压路机减振系统检验规范
- 7 GB/T 32382-2015 建筑用绝热制品 剪切性能的测定
- 8 GB/T 22407-2008 摄影 加工用化学品 十水合四硼酸钠
- 9 WS/T 52-1996 尿中马尿酸的分光光度测定方法
- 10 GB 27955-2011 过氧化氢气体等离子体低温灭菌装置的通用要求

关闭预览
