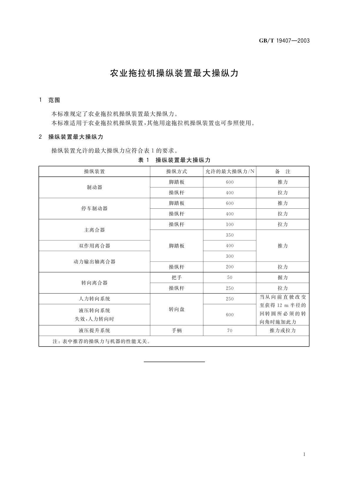
GB/T 19407-2003 农业拖拉机操纵装置 最大操纵力
GB/T 19407-2003 Agricultural tractor—Maximum actuating forces required to operate controls
国家标准
中文简体
现行
页数:8页
|
格式:PDF
基本信息
标准号
GB/T 19407-2003
相关服务
仅限个人学习交流使用
标准类型
国家标准
标准状态
现行
中国标准分类号(CCS)
T61 农业拖拉机操纵装置 最大操纵力
国际标准分类号(ICS)
65.060.10
发布日期
2003-11-25
实施日期
2004-06-01
发布单位/组织
中华人民共和国国家质量监督检验检疫总局
归口单位
全国拖拉机标准化技术委员会
适用范围
-
发布历史
-
2004-06
文前页预览
免费预览已结束,剩余部分可下载查看
研制信息
- 起草单位:
- 洛阳拖拉机研究所
- 起草人:
- 王洪斌、苗红波
- 出版信息:
- 页数:8页 | 字数:5 千字 | 开本: 大16开
推荐标准
- GB/T 29127-2012 救生艇及吊钩释放系统定期检验维护方法 2012-12-31
- GB/T 22387-2008 剩余电流动作继电器 2008-09-24
- FZ/T 52042-2016 再生异形涤纶短纤维 2016-04-05
- GB/T 19124-2015 三轮汽车和低速货车 前照灯 2015-05-15
- LY/T 2831-2017 燕山山地油松人工林多功能经营技术规程 2017-06-05
- GB/T 36702.2-2020 灌溉设备 化学灌溉用安全装置 第2部分:DN 75(3″)至 DN 350(14″)的化学灌溉阀组件 2020-03-06
- GB/T 12243-2005 弹簧直接载荷式安全阀 2005-02-21
- GB/T 11691-1989 铸钢吸入通海阀(四进位) 1989-10-14
- FZ/T 13025-2012 精梳棉粘混纺本色布 2012-12-28
- GB/T 8487-1987 港口装卸术语 1987-12-25
相似标准推荐
更多>- 1 GB/T 40612-2021 塑料 海水沙质沉积物界面非漂浮塑料材料最终需氧生物分解能力的测定 通过测定释放二氧化碳的方法
- 2 CJ/T 244-2016 游泳池水质标准
- 3 GB/T 6302-1986 船用柴油机热工参数的测量
- 4 YY 0498.2-2004 喉镜连接件 第2部分:微型电灯 螺纹和带常规窥视片的灯座
- 5 YS/T 1075.6-2015 钒铝、钼铝中间合金化学分析方法 第6部分:碳量的测定 高频燃烧-红外吸收法
- 6 GB/T 13562-1992 联运术语
- 7 GB/T 43168-2023 生猪运输管理技术要求
- 8 GB/T 17699-2008 行政、商业和运输业电子数据交换 数据元目录
- 9 GB/T 32260.1-2015 金属材料焊缝的破坏性试验 焊件的冷裂纹试验 弧焊方法 第1部分:总则
- 10 CJ/T 163-2002 导流型容积式水加热器和半容积式水加热器(U型管束)

关闭预览
