GB/T 19283-2003 三峡枢纽过坝集装箱船主尺度系列
GB/T 19283-2003 Dimensions series of container ship passing the lock of three gorges dam
国家标准
中文简体
被代替
页数:8页
|
格式:PDF
基本信息
标准号
GB/T 19283-2003
相关服务
仅限个人学习交流使用
标准类型
国家标准
标准状态
被代替
中国标准分类号(CCS)
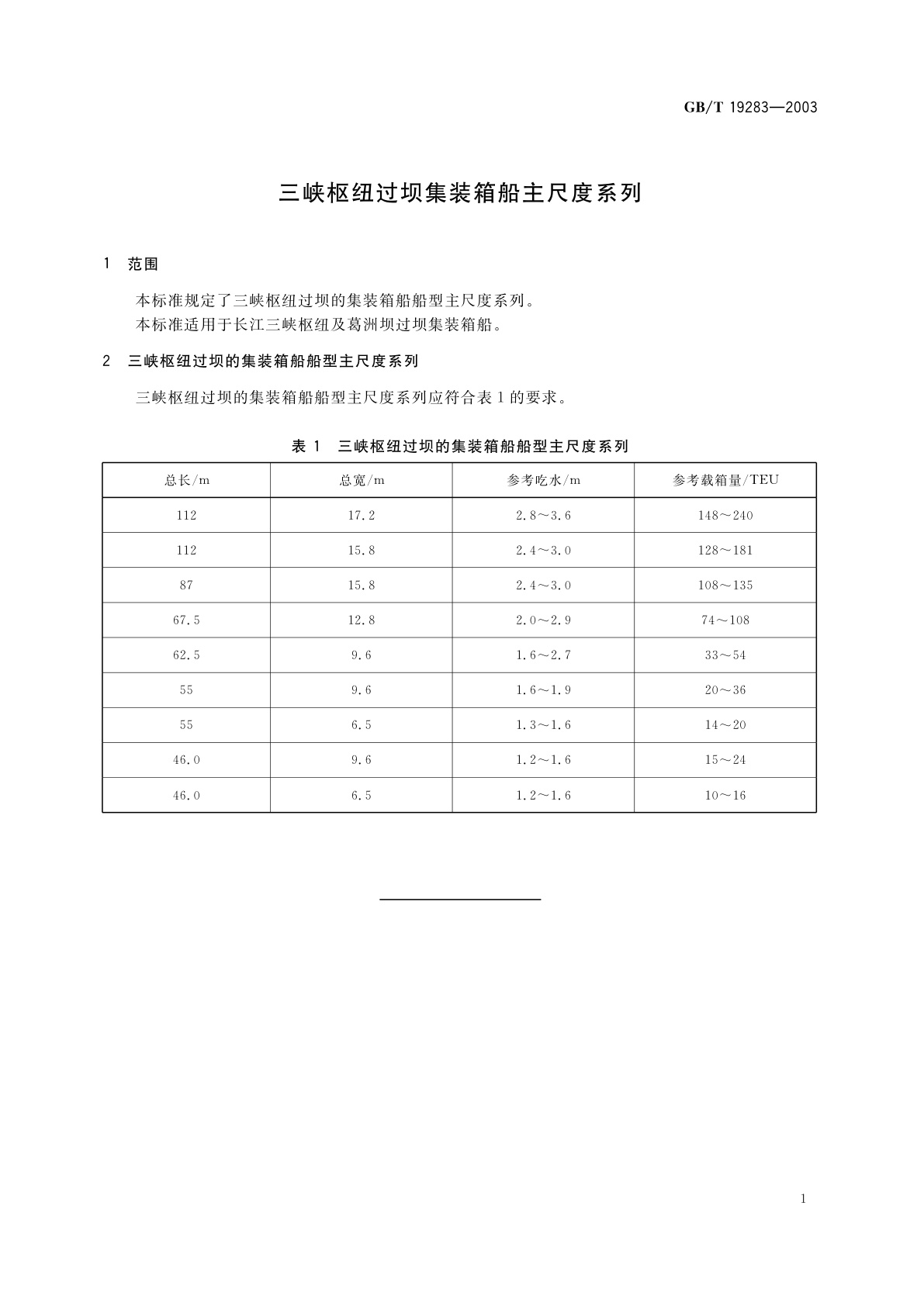
U10 三峡枢纽过坝集装箱船主尺度系列
国际标准分类号(ICS)
47.020.99
发布日期
2003-09-11
实施日期
2004-03-01
发布单位/组织
中华人民共和国国家质量监督检验检疫总局
归口单位
全国内河船舶标准化技术委员会
适用范围
-
发布历史
-
2004-03
文前页预览
免费预览已结束,剩余部分可下载查看
研制信息
- 起草单位:
- 武汉理工大学、中国船级社武汉规范研究所
- 起草人:
- 陈顺林、王丽铮、张征波、汪敏
- 出版信息:
- 页数:8页 | 字数:5 千字 | 开本: 大16开
推荐标准
- GB 17380-2020 中国海区水中建(构)筑物助航标志规定 2020-11-17
- GB/T 42580-2023 智能实验室 微生物质谱鉴定平台 2023-05-23
- YY/T 1012-2021 牙科学 手机连接件联轴节尺寸 2021-09-06
- LY/T 1149-1994 林区公路养护技术规范 1994-03-08
- GA/T 1393-2017 信息安全技术 主机安全加固系统安全技术要求 2017-04-19
- GB/T 37054-2018 纳米技术 纳米二氧化钛中锐钛矿型与金红石型比率测定 X射线衍射法 2018-12-28
- GB/T 31027-2014 机动车发动机冷却系统内部清洗剂 2014-12-05
- GB/T 40022-2021 基于公众电信网的物联网总体要求 2021-04-30
- GB/T 24577-2009 热解吸气相色谱法测定硅片表面的有机污染物 2009-10-30
- GB/T 35282-2023 信息安全技术 电子政务移动办公系统安全技术规范 2023-05-23
相似标准推荐
更多>- 1 FZ/T 01129-2015 纺织品 二维条码标签技术要求
- 2 GB/T 37959-2019 含工艺腔室类集成电路装备设计信息模型
- 3 GB/T 15242.3-1994 液压缸活塞和活塞杆动密封装置用同轴密封件安装沟槽尺寸系列和公差
- 4 GB/T 6836-1997 涤纶缝纫线
- 5 YY/T 1578-2018 糖化白蛋白测定试剂盒(酶法)
- 6 GB/T 37897-2019 纤维增强塑料复合材料 平板扭曲法测定面内剪切模量
- 7 GB/T 7220-2004 产品几何量技术规范(GPS) 表面结构 轮廓法 表面粗糙度 术语 参数测量
- 8 GB/T 17213.11-2005 工业过程控制阀 第3-2部分:尺寸 角行程控制阀(蝶阀除外)的端面距
- 9 GB/T 18884.1-2002 家用厨房设备 第1部分:术语
- 10 GB 10080-2001 空调用通风机安全要求

关闭预览
