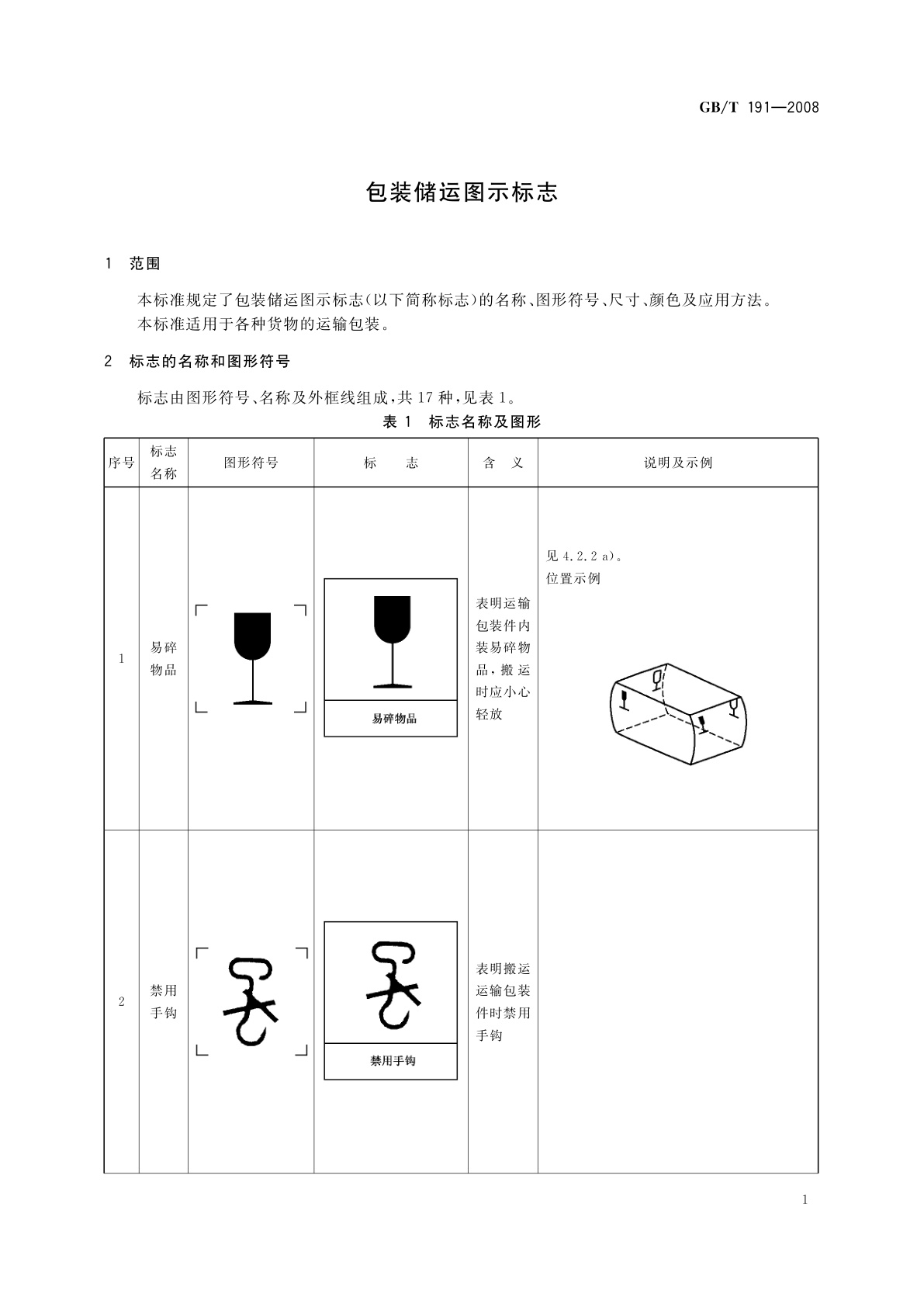
GB/T 191-2008 包装储运图示标志
GB/T 191-2008 Packaging—Pictorial marking for handling of goods
国家标准
中文简体
现行
页数:12页
|
格式:PDF
基本信息
标准号
GB/T 191-2008
相关服务
仅限个人学习交流使用
标准类型
国家标准
标准状态
现行
中国标准分类号(CCS)
A80 包装储运图示标志
国际标准分类号(ICS)
55.020
发布日期
2008-04-01
实施日期
2008-10-01
发布单位/组织
中华人民共和国国家质量监督检验检疫总局、中国国家标准化管理委员会
归口单位
全国包装标准化技术委员会
适用范围
-
发布历史
-
2001-05
-
2008-10
文前页预览
免费预览已结束,剩余部分可下载查看
研制信息
- 起草单位:
- 铁道部标准计量研究所、北京出入境检验检疫协会
- 起草人:
- 张锦、赵靖宇、徐思桥、苏学锋
- 出版信息:
- 页数:12页 | 字数:14 千字 | 开本: 大16开
推荐标准
- GB/T 18817-2002 高炉喷吹用烟煤技术条件 2002-08-28
- GB/T 26416.2-2022 稀土铁合金化学分析方法 第2部分:稀土杂质含量的测定 电感耦合等离子体发射光谱法 2022-12-30
- GB/T 45869-2025 锅炉碳排放在线监测技术指南 2025-08-01
- YS/T 1047.1-2015 铜磁铁矿化学分析方法 第1部分:铜量的测定 2, 2′-联喹啉分光光度法和火焰原子吸收光谱法 2015-04-30
- YY/T 1653-2020 输液泵用管路 2020-02-21
- GB/T 6730.78-2019 铁矿石 镉含量的测定 石墨炉原子吸收光谱法 2019-08-30
- GB/T 28428-2012 电气化铁路27.5 kV和2×27.5 kV交流金属封闭开关设备和控制设备 2012-06-29
- LY/T 1692-2007 转基因森林植物及其产品安全性评价技术规程 2007-06-04
- GB/T 13019-1991 聚丙烯(PP)管材 外径和壁厚极限偏差 1991-07-03
- GB/T 33905.5-2017 智能传感器 第5部分:检查和例行试验方法 2017-07-31
相似标准推荐
更多>- 1 SB/T 11100-2014 仁果类果品流通规范
- 2 GB/T 15000.1-1994 标准样品工作导则(1) 在技术标准中陈述标准样品的一般规定
- 3 SB/T 10521-2009 超市防损经理岗位要求
- 4 YY/T 1450-2016 载脂蛋白A-I测定试剂(盒)
- 5 GB/T 45283.3-2025 工业控制系统人机接口组态文件交互 第3部分:扩展交互描述
- 6 FZ/T 93096-2015 棉精梳机 钳板
- 7 GB/T 20401-2006 畜禽肉食品绿色生产线资质条件
- 8 GB/T 22373-2008 标准文献元数据
- 9 GB/T 14416-1993 锅炉蒸汽的采样方法
- 10 FZ/T 12024-2021 靛蓝染色棉纱线

关闭预览
