GB/T 19066.2-2020 管法兰用金属波齿复合垫片 第2部分:Class系列
GB/T 19066.2-2020 Composite wave-serrated metal gaskets for pipe flanges—Part 2:Class designated
国家标准
中文简体
现行
页数:20页
|
格式:PDF
基本信息
标准号
GB/T 19066.2-2020
相关服务
仅限个人学习交流使用
标准类型
国家标准
标准状态
现行
中国标准分类号(CCS)
J15 管法兰用金属波齿复合垫片 第2部分:Class系列
国际标准分类号(ICS)
23.040.60
发布日期
2020-11-19
实施日期
2021-06-01
发布单位/组织
国家市场监督管理总局、国家标准化管理委员会
归口单位
全国管路附件标准化技术委员会(SAC/TC 237)
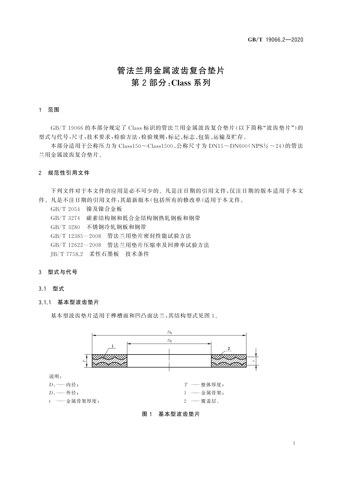
适用范围
-
发布历史
-
2021-06
文前页预览
免费预览已结束,剩余部分可下载查看
研制信息
- 起草单位:
- 广州市东山南方密封件有限公司、中机生产力促进中心、浙江国泰萧星密封材料股份有限公司、华东理工大学、宁波天生密封件有限公司、无锡市锡西化机配件有限公司、无锡市舜柯石化通用件有限公司
- 起草人:
- 吴树济、冯峰、吴益民、吴凯珺、章佳红、章兰珠、邱宽横、惠福明、朱肖平
- 出版信息:
- 页数:20页 | 字数:28 千字 | 开本: 大16开
推荐标准
- GB/T 7466-1987 水质 总铬的测定 1987-03-14
- GB/T 5962-2025 NIM标准仪器系统 机械尺寸、电源和电气信号要求 2025-10-05
- GB/T 20097-2006 防护服 一般要求 2006-01-12
- GB/T 24458-2017 陶瓷金属卤化物灯 性能要求 2017-11-01
- GB 9685-2016 食品安全国家标准 食品接触材料及制品用添加剂使用标准 2016-10-19
- GB/T 28383-2012 卷筒料凹版印刷机 2012-05-11
- GB/T 38370-2019 农业社会化服务 农机维修养护服务规范 2019-12-31
- GB/T 31298-2014 TC4钛合金厚板 2014-12-05
- GB/T 7400.2-1987 广播电视名词术语 无线电广播 1987-03-12
- GA/T 2000.137-2016 公安信息代码 第137部分:被监管人员临时出所原因代码 2016-08-25
相似标准推荐
更多>- 1 FZ/T 92053-1995 轴承内径Φ10mm环锭锭子
- 2 GB/T 12085.12-2010 光学和光学仪器 环境试验方法 第12部分:污染
- 3 YY 0286.6-2009 专用输液器 第6部分:一次性使用流量设定微调式输液器
- 4 GB/T 20336-2006 装可转位刀片的镗刀杆(圆柱形) 代号
- 5 GB/T 38350-2019 带辅助能源的住宅燃气采暖热水器具
- 6 GB/T 20709-2006 地理标志产品 大连海参
- 7 GB/T 21982-2008 动物源食品中玉米赤霉醇、β-玉米赤霉醇、α-玉米赤霉烯醇、β-玉米赤霉烯醇、玉米赤霉酮和玉米赤霉烯酮残留量检测方法 液相色谱-质谱/质谱法
- 8 YC/T 215-2007 烟草行业联运通用平托盘
- 9 GB/T 3367.12-1986 铁路机车名词术语 蒸汽机车零部件名称
- 10 GB/T 33588.1-2025 雷电防护系统部件(LPSC) 第1部分:连接件的要求

关闭预览
