GB/T 18823-2010 饲料检测结果判定的允许误差
GB/T 18823-2010 Permitted tolerants for judgement of testing results in feeds
国家标准
中文简体
现行
页数:12页
|
格式:PDF
基本信息
标准号
GB/T 18823-2010
相关服务
仅限个人学习交流使用
标准类型
国家标准
标准状态
现行
中国标准分类号(CCS)
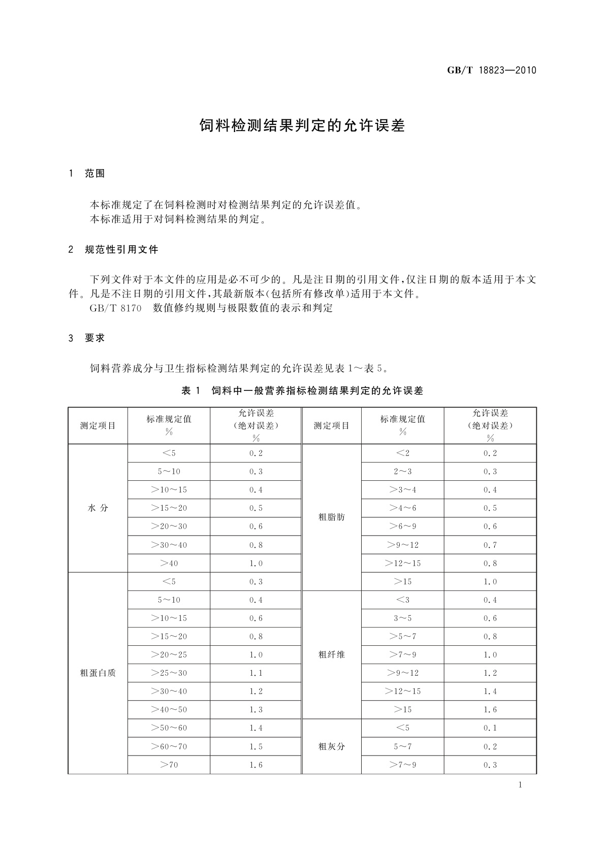
B46 饲料检测结果判定的允许误差
国际标准分类号(ICS)
65.120
发布日期
2011-01-14
实施日期
2011-07-01
发布单位/组织
中华人民共和国国家质量监督检验检疫总局、中国国家标准化管理委员会
归口单位
全国饲料工业标准化技术委员会(SAC/TC 76)
适用范围
-
发布历史
-
2003-03
-
2011-07
文前页预览
免费预览已结束,剩余部分可下载查看
研制信息
- 起草单位:
- 华中农业大学
- 起草人:
- 于炎湖、齐德生、张妮娅、易俊东、黄炳堂
- 出版信息:
- 页数:12页 | 字数:17 千字 | 开本: 大16开
推荐标准
- GB/T 3260.6-2013 锡化学分析方法 第6部分:砷量的测定 孔雀绿-砷钼杂多酸分光光度法 2013-12-17
- GB/T 2423.16-2008 电工电子产品环境试验 第2部分:试验方法 试验J及导则:长霉 2008-12-30
- GB/T 37946.2-2025 有机发光材料测试方法 第2部分:热学性能 2025-08-01
- GB/T 6730.37-2017 铁矿石 钴含量的测定 4-[(5-氯-2-吡啶)偶氮]-1,3-二氨基苯分光光度法 2017-09-07
- GB/Z 43427-2023 优质服务 设计高品质服务以实现极致顾客体验 2023-11-27
- GB/T 13539.3-2008 低压熔断器 第3部分:非熟练人员使用的熔断器的补充要求(主要用于家用和类似用途的熔断器) 标准化熔断器系统示例A至F 2008-06-19
- GB/T 21876-2015 溶剂染料及染料中间体 灰分的测定 2015-05-15
- GB/T 44854-2024 物流企业能源计量器具配备和管理要求 2024-11-28
- YB/T 083-1996 冶金标准样品的包装、运输及储存 1996-05-17
- GB 18965-2003 原产地域产品 烟台苹果 2003-02-10
相似标准推荐
更多>- 1 RB/T 060.4-2021 司法鉴定/法庭科学能力验证实施指南 第4部分:文书鉴定
- 2 GB/T 30355-2013 龙舌兰剑麻综合利用导则
- 3 GB/T 22108.1-2008 气动压缩空气过滤器 第1部分:商务文件中包含的主要特性和产品标识要求
- 4 GB/T 25214-2010 煤中全硫测定 红外光谱法
- 5 YY/T 1537-2017 放射治疗用激光定位系统 性能和试验方法
- 6 GB/T 17834-1999 海底地形图编绘规范
- 7 YS/T 744-2010 电池级无水氯化锂
- 8 LY/T 1209-1998 营林产品分类与代码
- 9 SC/T 3208-2001 鱿鱼干
- 10 YS/T 41-2005 铍片

关闭预览
