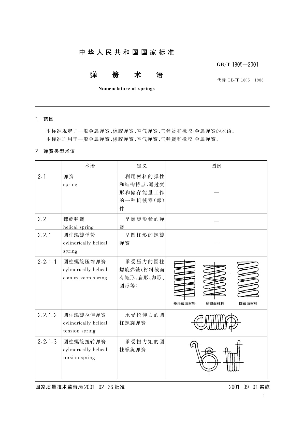
GB/T 1805-2001 弹簧术语
GB/T 1805-2001 Nomenclature of springs
国家标准
中文简体
被代替
页数:32页
|
格式:PDF
基本信息
标准号
GB/T 1805-2001
相关服务
仅限个人学习交流使用
标准类型
国家标准
标准状态
被代替
中国标准分类号(CCS)
J26 弹簧术语
国际标准分类号(ICS)
21.160
发布日期
2001-02-26
实施日期
2001-09-01
发布单位/组织
国家质量技术监督局
归口单位
全国弹簧标准化技术委员会
适用范围
-
发布历史
-
2001-09
文前页预览
免费预览已结束,剩余部分可下载查看
研制信息
- 起草单位:
- 机械工业弹簧产品质量监督检测中心、扬州弹簧总厂、1001强力弹簧研究所、一汽辽阳汽车弹簧厂、天津弹簧制造有限公司
- 起草人:
- 姜膺、黄志福、刘辉航、舒福荣、刘宝林、王爱茹
- 出版信息:
- 页数:32页 | 字数:54 千字 | 开本: 大16开
推荐标准
- GB/T 20463-2015 防水服用橡胶或塑料涂覆织物 规范 2015-12-31
- GB/T 4757-2013 煤粉(泥)实验室单元浮选试验方法 2013-12-17
- GB/T 14353.5-2010 铜矿石、铅矿石和锌矿石化学分析方法 第5部分:镍量测定 2010-11-10
- GB/T 44088-2024 北斗卫星导航系统测量型模块技术要求及测试方法 2024-05-28
- GB/T 18370-2001 玻璃纤维无捻粗纱布 2001-05-11
- GB/T 3903.2-2008 鞋类 通用试验方法 耐磨性能 2008-12-30
- GB/T 32851-2016 国际货运代理包舱、包航空集装器(集装箱、集装板)运输服务质量要求 2016-08-29
- GB/T 39629-2020 智能水电厂安全防护系统联动技术要求 2020-12-14
- GB/T 15970.7-2000 金属和合金的腐蚀 应力腐蚀试验 第7部分:慢应变速率试验 2000-07-24
- GB/T 39199-2020 聚乙烯(PE)塑料再生料的表征特性及检测方法 2020-10-11
相似标准推荐
更多>- 1 YS/T 349.1-2009 硫化钴精矿化学分析方法 第1部分:钴量的测定 电位滴定法
- 2 JG/T 510-2016 纺织面墙纸(布)
- 3 GB/T 28799.3-2012 冷热水用耐热聚乙烯(PE-RT)管道系统 第3部分:管件
- 4 GB/T 6569-1986 工程陶瓷弯曲强度试验方法
- 5 GB/T 6595-1986 聚丙烯树脂“鱼眼”测试方法
- 6 GB/T 42279-2022 硫化橡胶或热塑性橡胶 在恒定伸长率下测定拉伸永久变形及在恒定拉伸载荷下测定拉伸永久变形、伸长率和蠕变
- 7 GB/T 30450-2013 纳米硫化镉
- 8 LY/T 1625-2005 滩地“抑螺防病林”营造技术规程
- 9 HY/T 0345-2022 海水中痕量亚硝酸盐的测定 流动分析-重氮偶联-长光程分光光度法
- 10 GB/T 24369.2-2018 金纳米棒表征 第2部分:光学性质测量方法

关闭预览
