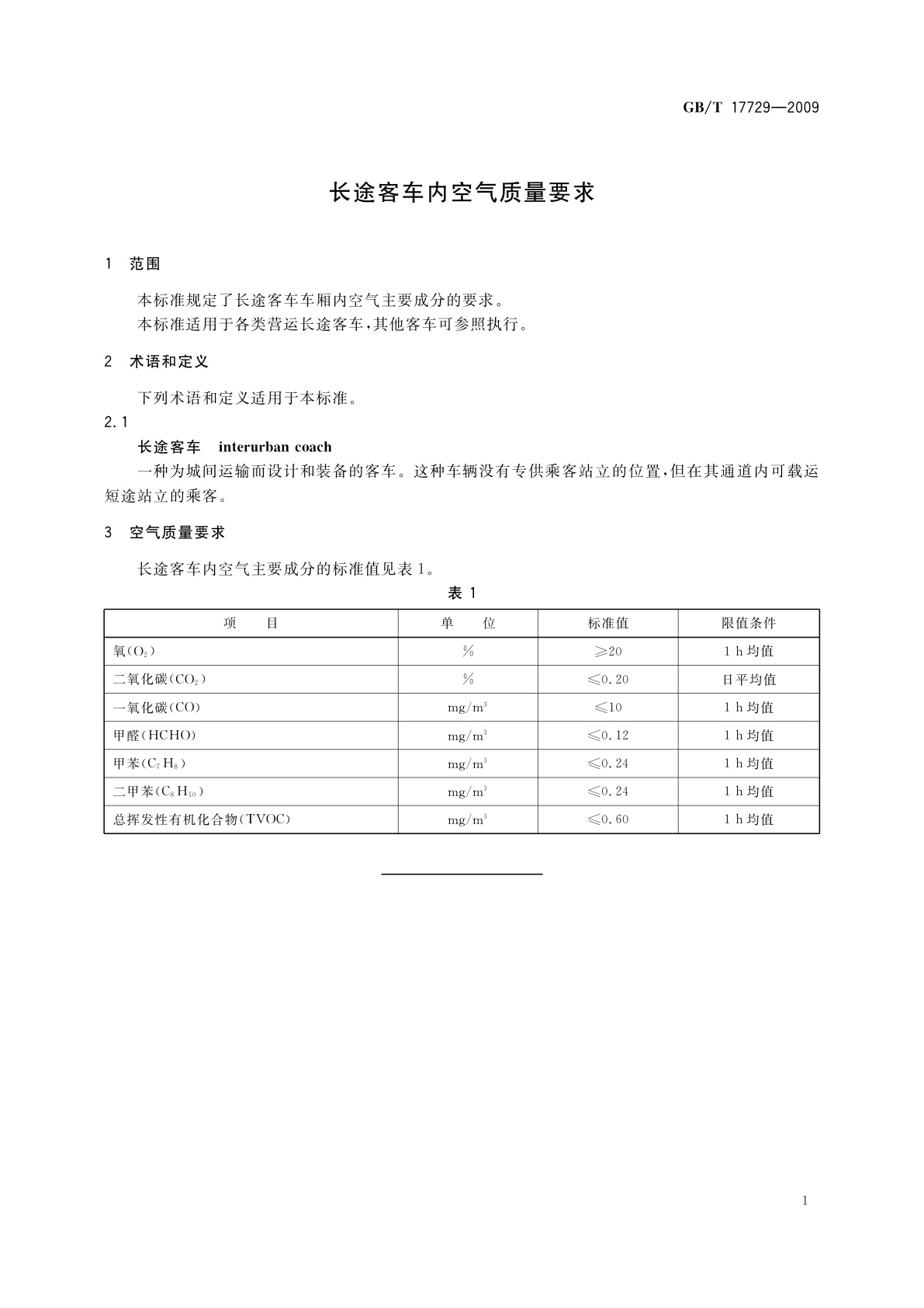
GB/T 17729-2009 长途客车内空气质量要求
GB/T 17729-2009 Hygienic standard for the air quality inside long distance coach
国家标准
中文简体
被代替
页数:8页
|
格式:PDF
基本信息
标准号
GB/T 17729-2009
相关服务
仅限个人学习交流使用
标准类型
国家标准
标准状态
被代替
中国标准分类号(CCS)
C51 长途客车内空气质量要求
国际标准分类号(ICS)
03.220.20;13.040.99
发布日期
2009-06-04
实施日期
2010-01-01
发布单位/组织
中华人民共和国国家质量监督检验检疫总局、中国国家标准化管理委员会
归口单位
中华人民共和国交通部公路司
适用范围
-
发布历史
-
1999-12
-
2010-01
文前页预览
免费预览已结束,剩余部分可下载查看
研制信息
- 起草单位:
- 重庆交通大学、重庆环保总局、国家客车质量监督检验中心
- 起草人:
- 邵毅明、赵丽杰、陈刚才、杨建中、彭勇
- 出版信息:
- 页数:8页 | 字数:3 千字 | 开本: 大16开
推荐标准
- MT 718-1997 矿用隔爆兼本质安全型安全栅 1997-12-30
- GB/T 39998-2021 纸、纸板和纸制品 烷基苯酚聚氧乙烯醚类的测定 高效液相色谱质谱法 2021-04-30
- CJ/T 104-1999 城市生活垃圾 全磷的测定 偏钼酸铵分光光度法 1999-11-24
- JJF 1030-2023 温度校准用恒温槽技术性能测试规范 2023-10-12
- GB/T 38506-2020 动物细胞培养过程中生化参数的测定方法 2020-03-06
- GB/T 40299-2021 金属和合金的腐蚀 腐蚀试验电化学测量方法适用惯例 2021-08-20
- GB/T 45135-2024 钛合金板材超塑成形和扩散连接件 通用技术规范 2024-12-31
- GB/T 34274-2017 客运索道运载工具通用技术条件 2017-09-29
- GB/T 19882.211-2010 自动抄表系统 第211部分:低压电力线载波抄表系统 系统要求 2011-01-14
- GB/T 16843-2023 单端荧光灯 安全规范 2023-12-28
相似标准推荐
更多>- 1 GB/T 31419-2015 火灾逃生面具有毒有害物质检测方法
- 2 LY/T 2208-2013 乐昌含笑栽培技术规程
- 3 GB/T 31600-2015 农业综合标准化工作指南
- 4 GB/T 39542.1-2020 技术制图活动铅笔 第1部分:分类、尺寸、性能要求和试验
- 5 GB/T 43520-2023 进口清关程序简化指南
- 6 GB/T 42531-2023 低热矿渣硅酸盐水泥
- 7 GB 14003-2005 线型光束感烟火灾探测器
- 8 GB/T 41525-2022 玩具材料中可迁移六价铬的测定 离子色谱法
- 9 GB/T 5087-1985 有色金属工业固体废物腐蚀性试验方法标准
- 10 YY/T 0729.1-2009 组织粘合剂粘接性能试验方法 第1部分:搭接-剪切拉伸承载强度

关闭预览
