CB/T 3598-1995 船用气动缸
CB/T 3598-1995
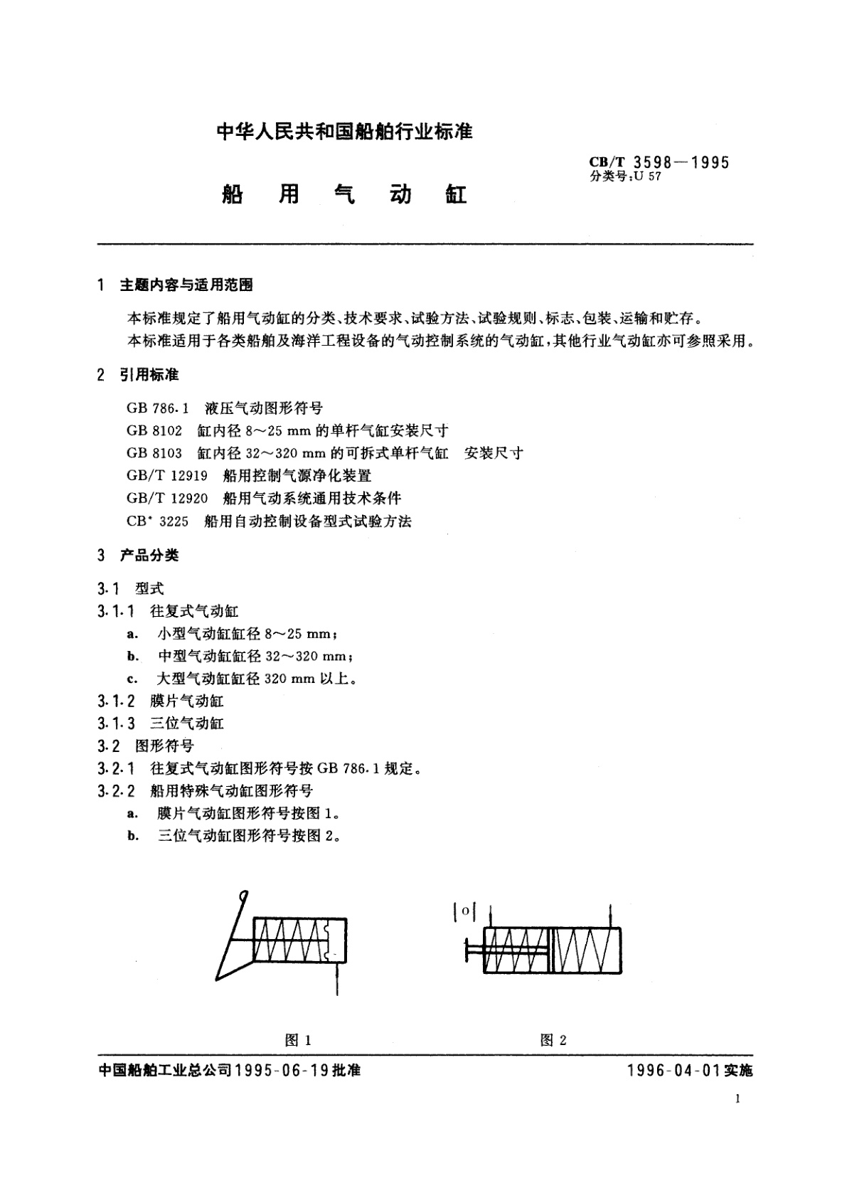
行业标准
中文简体
现行
页数:12页
|
格式:PDF
基本信息
标准号
CB/T 3598-1995
相关服务
仅限个人学习交流使用
标准类型
行业标准
标准状态
现行
中国标准分类号(CCS)
U57 船用气动缸
国际标准分类号(ICS)
发布日期
1995-06-19
实施日期
1996-04-01
发布单位/组织
中国船舶工业总公司
归口单位
中国船舶工业总公司第七研究院704所
适用范围
-
发布历史
-
1996-04
文前页预览
免费预览已结束,剩余部分可下载查看
研制信息
- 起草单位:
- 上海船舶研究设计院、武汉船用机械厂油缸分厂
- 起草人:
- 廖定一、邬显胜、马亮、王年生
- 出版信息:
- 页数:12页 | 字数:19 千字 | 开本: 大16开
推荐标准
- GB/T 29256.5-2012 纺织品 机织物结构分析方法 第5部分:织物中拆下纱线线密度的测定 2012-12-31
- GB/T 21031-2007 节水灌溉设备现场验收规程 2007-06-11
- YS/T 221-2011 金属铍珠 2011-12-20
- GB/T 25061-2010 信息安全技术 公钥基础设施 XML数字签名语法与处理规范 2010-09-02
- GB 13954-2009 警车、消防车、救护车、工程救险车标志灯具 2009-11-15
- GA/T 2092.1-2023 基于跨网应用的现场勘验移动采集录入终端 第1部分:基本功能 2023-03-01
- FZ/T 12040-2013 涤纶(锦纶)/氨纶包覆丝线 2013-07-22
- GB/T 9336-2010 直接黑L-3BG(C.I.直接黑19) 2010-12-23
- GA 545.2-2005 消防车辆动态管理装置 第2部分:消防车辆动态管理中心收发装置 2005-06-23
- LY/T 1662.4-2008 数字林业标准与规范 第4部分:林业社会经济数据标准 2008-03-31
相似标准推荐
更多>- 1 GB/T 29836.3-2013 系统与软件易用性 第3部分:测评方法
- 2 GB/T 44396-2024 化学品 稀有鮈鲫胚胎急性毒性试验
- 3 GB/T 8511-2005 振动压路机
- 4 GB/T 16913.1-1997 粉尘物性试验方法 第1部分:试验尘样的采集
- 5 GB 15066-1994 不锈钢压力锅
- 6 MT/T 1211-2024 煤矿井下地质勘探钻孔机器人
- 7 FZ/T 92034-1995 粗纱托锭锭翼
- 8 GB/T 23874-2009 饲料添加剂木聚糖酶活力的测定 分光光度法
- 9 GB/T 20131-2006 α/β流气式正比计数器的标定和使用
- 10 CB/T 3782-1996 油漆产品物资分类与代码

关闭预览
