GB/T 17184-1997 船图 积载图报文
GB/T 17184-1997 Bay plan/stowage plan—Occupied and empty locations message
国家标准
中文简体
废止
页数:48页
|
格式:PDF
基本信息
标准号
GB/T 17184-1997
相关服务
仅限个人学习交流使用
标准类型
国家标准
标准状态
废止
中国标准分类号(CCS)
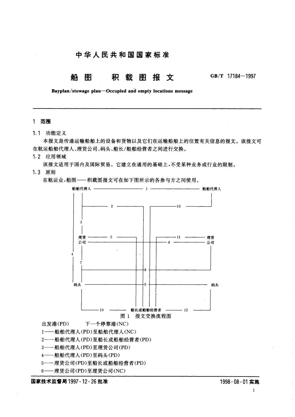
L73 船图 积载图报文
国际标准分类号(ICS)
35.240
发布日期
1997-12-26
实施日期
1998-08-01
发布单位/组织
国家技术监督局
归口单位
中华人民共和国交通部
适用范围
-
发布历史
-
1998-08
文前页预览
免费预览已结束,剩余部分可下载查看
研制信息
- 起草单位:
- 中国远洋运输(集团)总公司
- 起草人:
- 刘芳、沈越峰、房庆、林琦、钟小林
- 出版信息:
- 页数:48页 | 字数:84 千字 | 开本: 大16开
推荐标准
- GB/T 31357-2014 复合橡胶 通用技术规范 2014-12-31
- FZ/T 54082-2015 锦纶6膨体长丝(BCF) 2015-07-14
- GB/T 6987.24-2001 铝及铝合金化学分析方法 三溴偶氮胂分光光度法测定铈组稀土元素总量 2001-07-10
- GB/T 19051-2008 地理标志产品 南丰蜜桔 2008-06-03
- GB/T 1239.3-2009 冷卷圆柱螺旋弹簧技术条件 第3部分:扭转弹簧 2009-03-16
- GB/T 20993-2007 高压直流输电系统用直流滤波电容器 2007-06-21
- GB/T 19740-2005 机械振动与冲击 人体手臂系统驱动点的自由机械阻抗 2005-05-13
- GB/T 34630.4-2017 搅拌摩擦焊 铝及铝合金 第4部分:焊接工艺规程及评定 2017-09-29
- GB/T 27684-2011 钛及钛合金无缝和焊接管件 2011-12-30
- GA 1052.5-2013 警用帐篷 第5部分:60 m2单帐篷 2013-03-07
相似标准推荐
更多>- 1 GB 31337-2014 铁矿选矿单位产品能源消耗限额
- 2 CB/T 3388-1992 船用二通插装阀阀体设计规则
- 3 GB/T 8559-2008 苹果冷藏技术
- 4 GB 811-2010 摩托车乘员头盔
- 5 GB 29704-2013 食品安全国家标准 动物性食品中环丙氨嗪及代谢物三聚氰胺多残留的测定 超高效液相色谱-串联质谱法
- 6 GB/T 38790.1-2020 生物活性肽功效评价 第1部分:总则
- 7 GB/T 32557.2-2016 带有法兰接触面的多棱锥接口 第2部分:安装孔尺寸和标记
- 8 GB/T 33883-2017 7×××系铝合金应力腐蚀试验 沸腾氯化钠溶液法
- 9 GB/T 20385.1-2021 纺织品 有机锡化合物的测定 第1部分:衍生化气相色谱-质谱法
- 10 GB 16361-1996 临床核医学中患者的放射卫生防护标准

关闭预览
