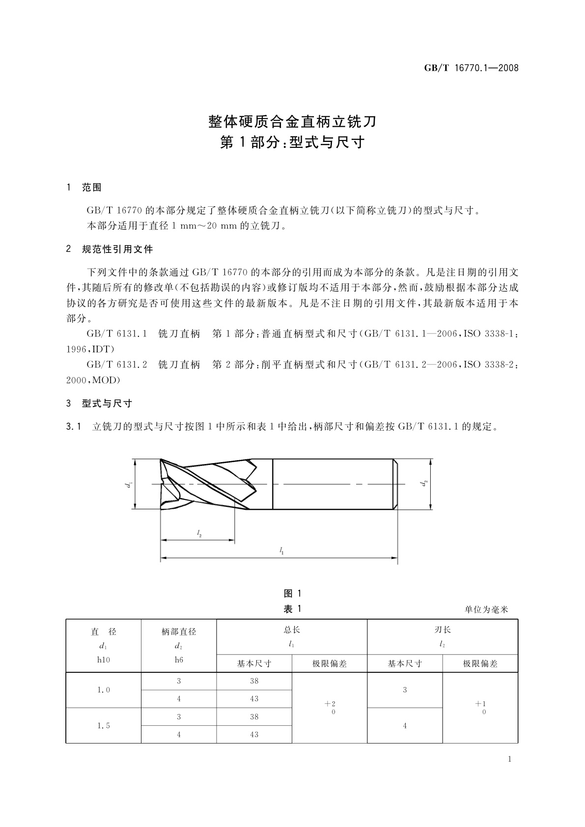
GB/T 16770.1-2008 整体硬质合金直柄立铣刀 第1部分:型式与尺寸
GB/T 16770.1-2008 Solid hardmetal end mills with parallel shank—Part 1:Dimensions
国家标准
中文简体
现行
页数:8页
|
格式:PDF
基本信息
标准号
GB/T 16770.1-2008
相关服务
仅限个人学习交流使用
标准类型
国家标准
标准状态
现行
中国标准分类号(CCS)
J41 整体硬质合金直柄立铣刀 第1部分:型式与尺寸
国际标准分类号(ICS)
25.100.20
发布日期
2008-06-03
实施日期
2009-01-01
发布单位/组织
中华人民共和国国家质量监督检验检疫总局、中国国家标准化管理委员会
归口单位
全国刀具标准化技术委员会(SAC/TC 91)
适用范围
-
发布历史
-
1997-10
-
2009-01
文前页预览
免费预览已结束,剩余部分可下载查看
研制信息
- 起草单位:
- 上海工具厂有限公司
- 起草人:
- 张红、励政伟
- 出版信息:
- 页数:8页 | 字数:6 千字 | 开本: 大16开
推荐标准
- GB/T 16023-1995 车间空气中铍的桑色素荧光光度测定方法 1996-01-23
- GB 12981-2012 机动车辆制动液 2012-05-11
- GB/T 40393-2021 金属和合金的腐蚀 奥氏体不锈钢晶间腐蚀敏感性加速腐蚀试验方法 2021-08-20
- GB/T 28383-2012 卷筒料凹版印刷机 2012-05-11
- GB 10735-2008 第一基准试剂 无水碳酸钠 2008-06-18
- GB/T 26486-2011 数控开卷矫平剪切生产线 2011-05-12
- GB/T 29371.3-2012 两系杂交水稻种子生产体系技术规范 第3部分:不育系大田用种繁殖技术规范 2012-12-31
- GB/T 37385-2019 硅中氯离子含量的测定 离子色谱法 2019-03-25
- GB/T 44920-2024 大型曲面箱底旋压成形 工艺规范 2024-11-28
- GB/T 44600.1-2024 基于IPv4/IPv6的多媒体分发业务 第1部分:IPTV内容传输平台及终端技术要求 2024-09-29
相似标准推荐
更多>- 1 GB/T 22756-2008 皮凉鞋
- 2 GB 5768.2-2009 道路交通标志和标线 第2部分: 道路交通标志
- 3 GB/T 24583.4-2019 钒氮合金 碳含量的测定 红外线吸收法
- 4 GB/T 38073-2019 腐植酸原料及肥料 术语
- 5 GB/T 28626-2012 彩色复印机图像质量评价方法
- 6 GB/T 18216.5-2021 交流1 000 V和直流1 500 V及以下低压配电系统电气安全 防护措施的试验、测量或监控设备 第5部分:对地电阻
- 7 JJG 739-2005 激光干涉仪
- 8 GB/T 11712-1989 用于X、γ线外照射放射防护的剂量转换因子
- 9 HY/T 206-2016 海洋沉积物和生物体中铁、锰、镍、钾、钠、钙、镁的测定 原子吸收分光光度法
- 10 GB/T 15670.18-2017 农药登记毒理学试验方法 第18部分:啮齿类动物显性致死试验

关闭预览
