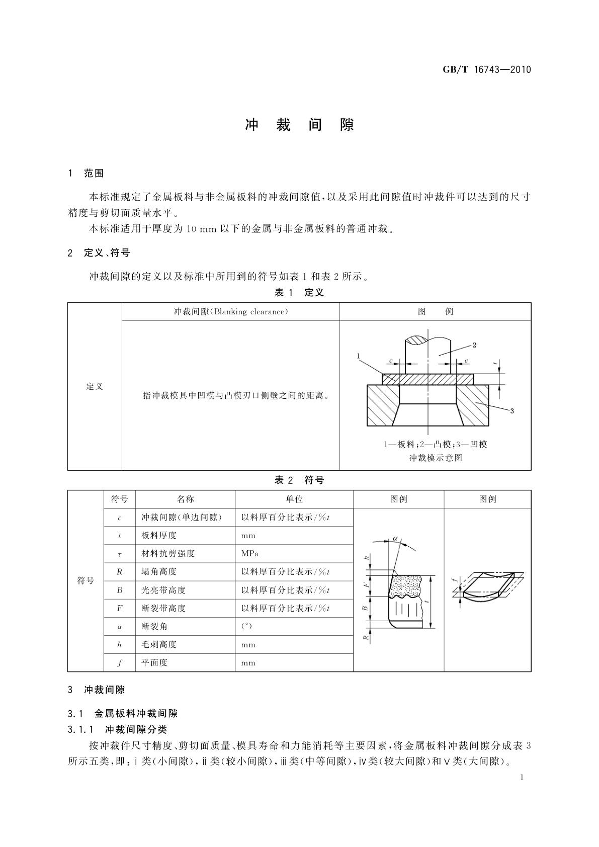
GB/T 16743-2010 冲裁间隙
GB/T 16743-2010 Blanking clearance
国家标准
中文简体
现行
页数:12页
|
格式:PDF
基本信息
标准号
GB/T 16743-2010
相关服务
仅限个人学习交流使用
标准类型
国家标准
标准状态
现行
中国标准分类号(CCS)
J32 冲裁间隙
国际标准分类号(ICS)
25.020
发布日期
2010-09-26
实施日期
2011-02-01
发布单位/组织
中华人民共和国国家质量监督检验检疫总局、中国国家标准化管理委员会
归口单位
全国锻压标准化技术委员会(SAC/TC 74)
适用范围
-
发布历史
-
1997-09
-
2011-02
文前页预览
免费预览已结束,剩余部分可下载查看
研制信息
- 起草单位:
- 西安交通大学
- 起草人:
- 郭成、吴华英、史东才
- 出版信息:
- 页数:12页 | 字数:9 千字 | 开本: 大16开
推荐标准
- CJ 40-1999 工业用水分类及定义 1999-06-04
- GB/T 11349.1-2006 振动与冲击 机械导纳的试验确定 第1部分:本定义与传感器 2006-06-02
- GB/T 32800.9-2023 手持式非电类动力工具 安全要求 第9部分:模具用砂轮机 2023-11-27
- GB/T 13726-1992 术语与辞书条目的记录交换用磁带格式 1992-10-06
- GB/T 19873.3-2019 机器状态监测与诊断 振动状态监测 第3部分:振动诊断指南 2019-12-31
- GB/T 22697.1-2008 电气设备热表面灼伤风险评估 第1部分:总则 2008-12-31
- GB/T 34584-2017 加氢站安全技术规范 2017-10-14
- GB/T 36122-2018 市政消防给水设施维护管理 2018-05-14
- WS/T 500.26-2016 电子病历共享文档规范 第26部分:手术知情同意书 2016-08-23
- GB/T 9288-2006 金合金首饰 金含量的测定 灰吹法(火试金法) 2006-03-10
相似标准推荐
更多>- 1 LY/T 2365-2014 大熊猫栖息地植被恢复技术规程
- 2 GB 16151.5-1996 农业机械运行安全技术条件 农用挂车
- 3 GB/T 7287.5-1987 红外辐射加热器耐冷热交变性能试验方法
- 4 GB/T 36314-2018 电子商务企业信用档案信息规范
- 5 GB/T 44708-2024 化学品 蚯蚓繁殖毒性试验
- 6 GB/T 31334.7-2025 浸胶帆布试验方法 第7部分:动态疲劳粘合性能
- 7 GB/T 5750.9-2023 生活饮用水标准检验方法 第9部分:农药指标
- 8 GB/T 17881-1999 广播电视光缆干线同步数字体系(SDH)传输接口技术规范
- 9 GB/T 8440-1998 纺织品 色牢度试验 耐炭化色牢度:硫酸
- 10 GB/T 20916-2007 中文办公软件文档格式规范

关闭预览
