GB/T 1631-2008 离子交换树脂命名系统和基本规范
GB/T 1631-2008 Designation system and basis for specifications of ion exchange resins
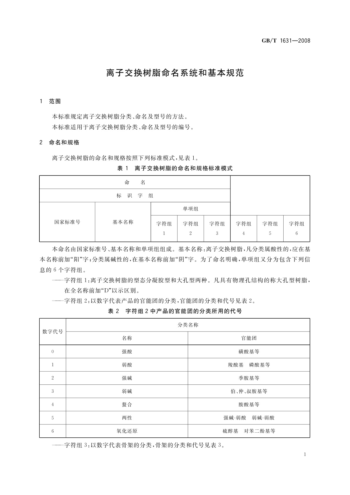
国家标准
中文简体
现行
页数:8页
|
格式:PDF
基本信息
标准号
GB/T 1631-2008
相关服务
仅限个人学习交流使用
标准类型
国家标准
标准状态
现行
中国标准分类号(CCS)
G31 离子交换树脂命名系统和基本规范
国际标准分类号(ICS)
83.080.01
发布日期
2008-06-30
实施日期
2009-02-01
发布单位/组织
中华人民共和国国家质量监督检验检疫总局、中国国家标准化管理委员会
归口单位
全国塑料标准化技术委员会通用方法和产品分会(SAC/TC 15/SC 4)
适用范围
-
发布历史
-
2009-02
文前页预览
免费预览已结束,剩余部分可下载查看
研制信息
- 起草单位:
- 江苏苏青水处理工程集团公司、西安热工研究院有限公司、国家合成树脂质检中心、浙江争光实业股份有限公司、淄博东大化工股份有限公司
- 起草人:
- 蒋惠平、钱平、王广珠、王建东、沈建华、翟静华
- 出版信息:
- 页数:8页 | 字数:6 千字 | 开本: 大16开
推荐标准
- JJF 1261.8-2017 电动洗衣机能源效率计量检测规则 2017-09-26
- YS/T 990.10-2014 冰铜化学分析方法 第10部分:二氧化硅量的测定 硅钼蓝分光光度法和氟硅酸钾滴定法 2014-10-14
- GB/T 31309-2014 镍基高温合金电子空位数计算方法 2015-12-05
- GB/T 14465-1993 材料阻尼特性术语 1993-06-11
- GB/T 6477.3-1986 金属切削机床术语 车床 1986-06-11
- GB/T 28394-2012 道路施工与养护机械设备 沥青路面微波加热装置 2012-05-11
- GB 1886.68-2015 食品安全国家标准 食品添加剂 二甲基二碳酸盐(又名维果灵) 2015-09-22
- YY/T 1267-2015 适用于环氧乙烷灭菌的医疗器械的材料评价 2015-03-02
- GB/T 46415-2025 船舶自动识别系统(AIS)A类设备性能和测试要求 2025-10-05
- MT 332-1993 XL系列 立井大型多绳箕斗卸载设备基本参数 1993-02-25
相似标准推荐
更多>- 1 SC/T 6001.2-2001 渔业机械基本术语 养殖机械
- 2 JJF 1237-2010 SDH/PDH传输分析仪校准规范
- 3 GB/T 8330-1987 离子交换树脂湿真密度测定方法
- 4 YS/T 590-2012 变形铝及铝合金扁铸锭
- 5 GB/T 4702.7-2016 金属铬 氮含量的测定蒸馏分离-奈斯勒试剂分光光度法
- 6 GB/T 30843.2-2014 1 kV以上不超过35 kV的通用变频调速设备 第2部分:试验方法
- 7 GB 19152-2025 摩托车和轻便摩托车道路照明装置
- 8 GB/T 6346.2501-2018 电子设备用固定电容器 第25-1部分:空白详细规范 表面安装导电高分子固体电解质铝固定电容器 评定水平EZ
- 9 GB/T 17041-2012 表面活性剂 乙氧基化醇和烷基酚硫酸盐 活性物质总含量的测定
- 10 WS/T 229-2002 尿液物理学、化学及沉渣分析

关闭预览
