GB/T 15819-2006 灌溉用聚乙烯(PE)管材 由插入式管件引起环境应力开裂敏感性的试验方法和技术要求
GB/T 15819-2006 Polyethylene (PE) pipes for irrigation laterals—Test method and specification of susceptibility to environmental stress cracking induced by insert-type fittings
国家标准
中文简体
现行
页数:8页
|
格式:PDF
基本信息
标准号
GB/T 15819-2006
相关服务
仅限个人学习交流使用
标准类型
国家标准
标准状态
现行
中国标准分类号(CCS)
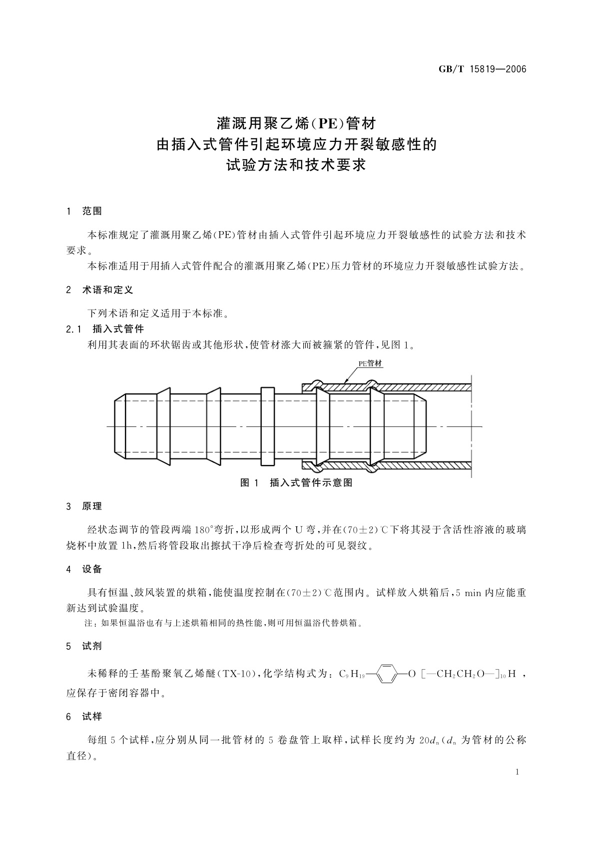
G33 灌溉用聚乙烯(PE)管材 由插入式管件引起环境应力开裂敏感性的试验方法和技术要求
国际标准分类号(ICS)
83.140.30
发布日期
2006-02-21
实施日期
2006-08-01
发布单位/组织
中华人民共和国国家质量监督检验检疫总局、中国国家标准化管理委员会
归口单位
全国塑料制品标准化技术委员会管材、管件及阀门分技术委员会(TC 48/SC 3)
适用范围
-
发布历史
-
1996-08
-
2006-08
文前页预览
免费预览已结束,剩余部分可下载查看
研制信息
- 起草单位:
- 福建亚通新材料科技股份有限公司、新疆天业股份有限公司
- 起草人:
- 魏作友、薛惠钦、魏健
- 出版信息:
- 页数:8页 | 字数:7 千字 | 开本: 大16开
推荐标准
- GB/T 26841-2011 基于电子商务活动的交易主体 企业信用档案规范 2011-07-29
- GB/T 13176.2-1991 洗衣粉中水分及挥发物含量的测定(烘箱法) 1991-09-10
- GA 837-2009 民用爆炸物品储存库治安防范要求 2009-06-29
- GB/T 16931-1997 残疾人冬季运动项目运动员医学和功能分级标准 1997-07-29
- JJF 1756-2019 低频相位计校准规范 2019-09-27
- GB/T 29469-2024 洁净室及相关受控环境 性能及合理性评价 2024-08-23
- GB/T 24279.1-2018 纺织品 某些阻燃剂的测定 第1部分:溴系阻燃剂 2018-12-28
- GB/T 8592-2001 土方机械 轮胎式机器转向尺寸的测定 2001-05-29
- GB/T 22126-2008 物流中心作业通用规范 2008-07-01
- GB/T 3157-2023 中国荷斯坦牛 2023-03-17
相似标准推荐
更多>- 1 GB/T 6940-2008 关中驴
- 2 GB/T 28847.6-2023 建筑自动化和控制系统 第6部分:数据通信协议一致性测试
- 3 GB 4407.1-2008 经济作物种子 第1部分:纤维类
- 4 GB/T 5170.17-2005 电工电子产品环境试验设备基本参数检定方法低温/低气压/湿热综合顺序试验设备
- 5 YC/T 427-2012 烟草及烟草制品 灰分的测定
- 6 GB/T 15242.2-2017 液压缸活塞和活塞杆动密封装置尺寸系列 第2部分:支承环尺寸系列和公差
- 7 GB 26448-2010 危险货物运输 炸药中间体(ANE)的敏感性试验方法和判据
- 8 YY/T 0457.1-2003 医用电气设备 光电X射线影像增强器特性 第1部分:入射野尺寸的测定
- 9 GB/T 42125.2-2024 测量、控制和实验室用电气设备的安全要求 第2部分:材料加热用实验室设备的特殊要求
- 10 GB/T 4074.7-2024 绕组线试验方法 第7部分:测定漆包绕组线温度指数的试验方法

关闭预览
