GB/T 15330-1994 压敏胶粘带水渗透率试验方法
GB/T 15330-1994 Test method for water penetration rate of pressure-sensitive tapes
国家标准
中文简体
被代替
页数:8页
|
格式:PDF
基本信息
标准号
GB/T 15330-1994
相关服务
仅限个人学习交流使用
标准类型
国家标准
标准状态
被代替
中国标准分类号(CCS)
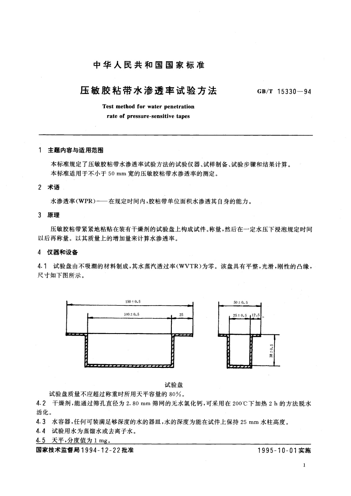
G38 压敏胶粘带水渗透率试验方法
国际标准分类号(ICS)
55.040
发布日期
1994-12-22
实施日期
1995-10-01
发布单位/组织
国家技术监督局
归口单位
全国胶粘剂标准化技术委员会
适用范围
-
发布历史
-
1995-10
文前页预览
免费预览已结束,剩余部分可下载查看
研制信息
- 起草单位:
- 上海橡胶制品研究所
- 起草人:
- 张文刚、孙国安、刘钱玲
- 出版信息:
- 页数:8页 | 字数:5 千字 | 开本: 大16开
推荐标准
- GB/T 14506.31-2019 硅酸盐岩石化学分析方法 第31部分:二氧化硅等12个成分量测定 偏硼酸锂熔融-电感耦合等离子体原子发射光谱法 2019-10-18
- LY/T 3407-2024 生物质成型燃料用竹基粘结剂 2024-12-16
- GB 17926-1999 车用压缩天然气瓶阀 1999-12-17
- WS 520-2017 计算机X射线摄影(CR)质量控制检测规范 2017-04-10
- YY/T 1550.1-2017 一次性使用输液器具与药物相容性研究指南 第1部分:药物吸附研究 2017-02-28
- GB/T 14805.6-1999 用于行政、商业和运输业电子数据交换的应用级语法规则(语法版本号:4) 第6部分:安全鉴别和确认报文(报文类型为AUTACK) 1999-11-11
- GB/T 11091-2024 电缆用铜带箔材 2024-04-25
- GB/T 31962-2015 污水排入城镇下水道水质标准 2015-09-11
- GB/T 5059.9-2008 钼铁 硫含量的测定 红外线吸收法和燃烧碘量法 2008-09-11
- GB/T 19638.2-2014 固定型阀控式铅酸蓄电池 第2部分:产品品种和规格 2014-06-24
相似标准推荐
更多>- 1 GB/T 30166-2024 纺织品 丙烯酰胺类化合物的测定
- 2 YS/T 461.4-2003 混合铅锌精矿化学分析方法 砷量的测定 碘滴定法
- 3 GB/T 35496-2017 化学试剂 硝酸盐测定通用方法
- 4 GB/T 18151-2008 激光防护屏
- 5 GB/T 12451-2023 图书在版编目数据
- 6 GB 2494-2003 普通磨具 安全规则
- 7 YY/T 1183-2024 酶联免疫吸附法检测试剂盒
- 8 GB/T 19472.2-2004 埋地用聚乙烯(PE)结构壁管道系统 第2部分:聚乙烯缠绕结构壁管材
- 9 GB/T 8618-2001 制盐工业主要产品取样方法
- 10 GB/T 18884.4-2002 家用厨房设备 第4部分:设计与安装

关闭预览
