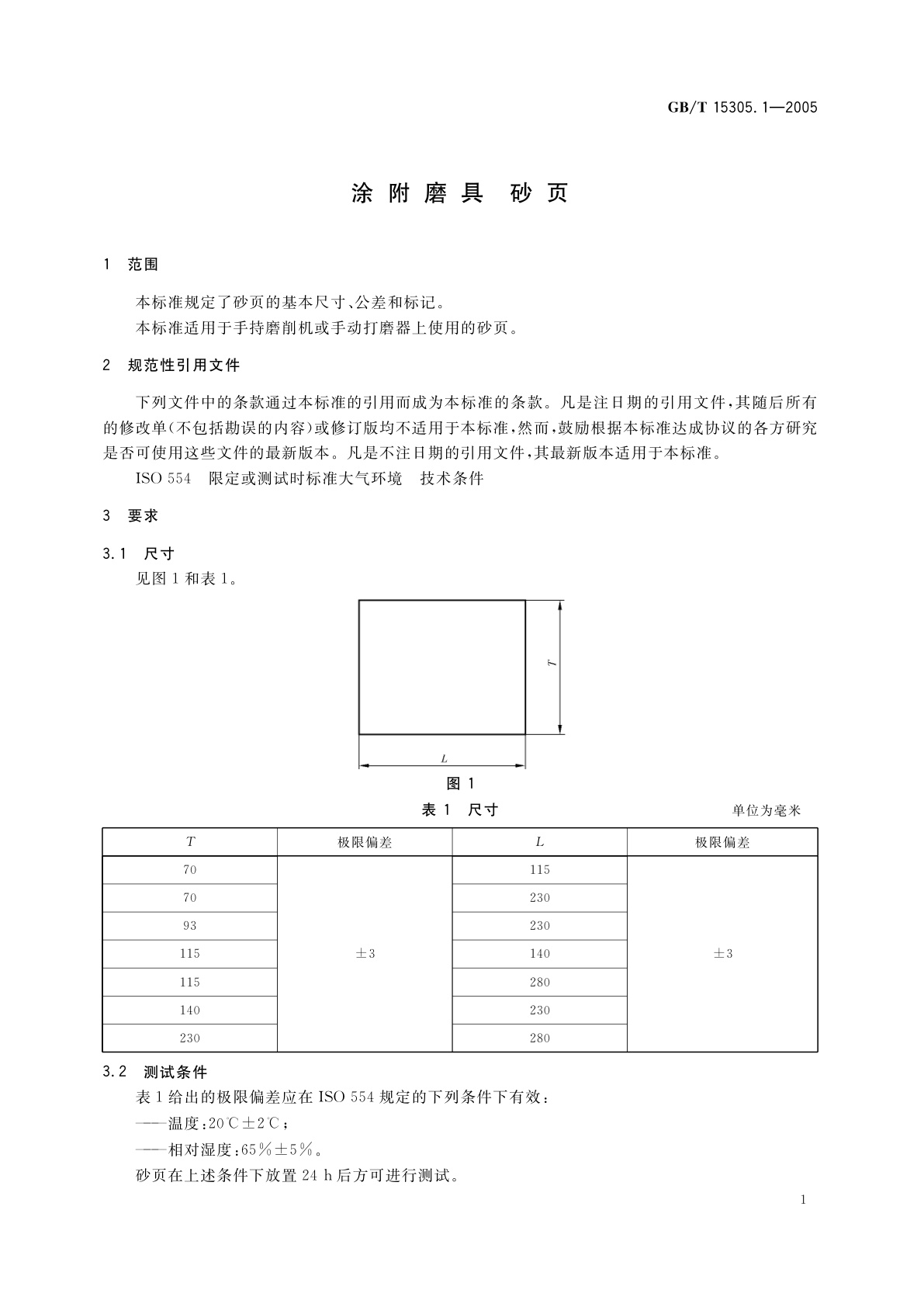
GB/T 15305.1-2005 涂附磨具 砂页
GB/T 15305.1-2005 Coated abrasives—Plain sheets
国家标准
中文简体
现行
页数:8页
|
格式:PDF
基本信息
标准号
GB/T 15305.1-2005
相关服务
仅限个人学习交流使用
标准类型
国家标准
标准状态
现行
中国标准分类号(CCS)
J43 涂附磨具 砂页
国际标准分类号(ICS)
25.100.70
发布日期
2005-05-18
实施日期
2005-12-01
发布单位/组织
中华人民共和国国家质量监督检验检疫总局、中国国家标准化管理委员会
归口单位
全国磨料磨具标准化技术委员会
适用范围
-
发布历史
-
2005-12
文前页预览
免费预览已结束,剩余部分可下载查看
研制信息
- 起草单位:
- 郑州磨料磨具磨削研究所
- 起草人:
- 张长伍
- 出版信息:
- 页数:8页 | 字数:6 千字 | 开本: 大16开
推荐标准
- GB/T 30648.2-2015 色漆和清漆 耐液体性的测定 第2部分:浸水法 2015-05-15
- GB/T 18115.7-2006 稀土金属及其氧化物中稀土杂质化学分析方法 钆中镧、铈、镨、钕、钐、铕、铽、镝、钬、铒、铥、镱、镥和钇量的测定 2006-04-13
- GB/T 2480-2022 普通磨料 碳化硅 2022-03-09
- GB/T 6726-1986 货运汽车用冷弯型钢 尺寸、外形、重量及允许偏差 1986-08-22
- GB/T 8152.4-2006 铅精矿化学分析方法 锌量的测定 EDTA滴定法 2006-08-24
- GH/T 1002-1998 棉花加工机械产品型号编制方法 1998-08-06
- GB/T 16696-2008 小艇 艇体标识 代码 2008-02-14
- GB/T 3402.2-2010 塑料 氯乙烯均聚和共聚树脂 第2部分:试样制备及性能测定 2010-09-02
- GA/T 974.80-2015 消防信息代码 第80部分:装备事故等级代码 2015-03-03
- GB/T 30276-2013 信息安全技术 信息安全漏洞管理规范 2013-12-31
相似标准推荐
更多>- 1 GB/T 39692-2020 硫化橡胶或热塑性橡胶 低温试验 概述与指南
- 2 GB 2761-2005 食品中真菌毒素限量
- 3 GB/T 35420-2025 物联网标识体系 Ecode在二维码中的存储
- 4 GB/T 28388.2-2012 摆动式AC轴联动铣头 第2部分:技术条件
- 5 GB/T 26532-2011 地理标志产品 慈溪杨梅
- 6 GB/T 26795-2011 数控定量水表
- 7 YY/T 0460-2009 超声洁牙设备
- 8 GB/T 17273-2006 集装箱 设备数据交换(CEDEX) 一般通信代码
- 9 GB/T 25892.1-2010 信息技术 维吾尔文、哈萨克文、柯尔克孜文编码字符集 32点阵字型 第1部分:正文白体
- 10 GB/T 16258-1996 棉纤维含糖试验方法 定量法

关闭预览
