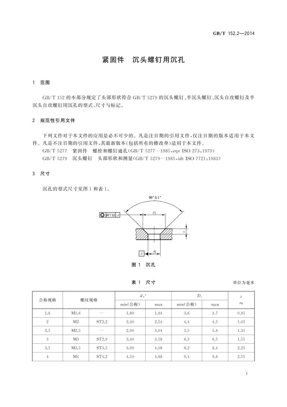
GB/T 152.2-2014 紧固件 沉头螺钉用沉孔
GB/T 152.2-2014 Fasteners—Countersinks for countersunk head screws
国家标准
中文简体
现行
页数:8页
|
格式:PDF
基本信息
标准号
GB/T 152.2-2014
相关服务
仅限个人学习交流使用
标准类型
国家标准
标准状态
现行
中国标准分类号(CCS)
J13 紧固件 沉头螺钉用沉孔
国际标准分类号(ICS)
21.060.10
发布日期
2014-06-24
实施日期
2015-03-01
发布单位/组织
中华人民共和国国家质量监督检验检疫总局、中国国家标准化管理委员会
归口单位
全国紧固件标准化技术委员会(SAC/TC 85)
适用范围
-
发布历史
-
2015-03
文前页预览
免费预览已结束,剩余部分可下载查看
研制信息
- 起草单位:
- 中机生产力促进中心
- 起草人:
- 出版信息:
- 页数:8页 | 字数:6 千字 | 开本: 大16开
推荐标准
- FZ/T 64082-2021 滤料用基布 2021-08-21
- GB/T 7251.7-2015 低压成套开关设备和控制设备 第7部分:特定应用的成套设备——如码头、露营地、市集广场、电动车辆充电站 2015-05-15
- GB/T 13974-1992 半导体管特性图示仪测试方法 1992-12-17
- YS/T 569.1-2015 铊化学分析方法 第1部分:铜量的测定 铜试剂三氯甲烷萃取分光光度法 2015-04-30
- GB/T 14561-2019 消火栓箱 2019-12-10
- GB/T 37544-2019 化妆品中邻伞花烃-5-醇等6种酚类抗菌剂的测定 高效液相色谱法 2019-06-04
- GB/T 22427.11-2008 淀粉及其衍生物磷总含量测定 2008-10-19
- GB/T 5584.4-1985 电工用铜、铝及其合金扁线 第4部分:铜带 1985-11-20
- GB/T 16582-2008 塑料 用毛细管法和偏光显微镜法测定 部分结晶聚合物熔融行为(熔融温度或熔融范围) 2008-08-04
- GB 24542-2009 坠落防护 带刚性导轨的自锁器 2009-10-30
相似标准推荐
更多>- 1 GB/T 9941-2009 高速工具钢钢板
- 2 GB/T 18916.63-2022 取水定额 第63部分:平板玻璃
- 3 GB/T 4728.5-2005 电气简图用图形符号 第5部分:半导体管和电子管
- 4 GA/T 652-2006 公安交通管理外场设备基础施工通用要求
- 5 GB/T 42755-2023 人工智能 面向机器学习的数据标注规程
- 6 GB/T 25680-2010 印刷机械 卧式平压模切机
- 7 GB/T 32645-2016 平板显示器基板玻璃边缘条件规范
- 8 GB/T 37609-2019 耐蚀合金焊带和焊丝通用技术条件
- 9 GB/T 43532-2023 核电厂仪表和控制系统网络安全防范管控
- 10 GB/T 18310.11-2003 纤维光学互连器件和无源器件-基本试验和测量程序 第2-11部分:试验 轴向挤压

关闭预览
