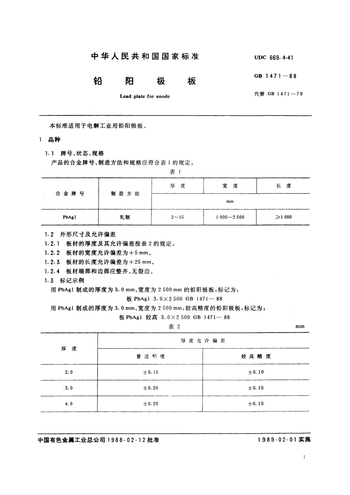
GB/T 1471-1988 铅阳极板
GB/T 1471-1988 Lead plate for anode
国家标准
中文简体
现行
页数:8页
|
格式:PDF
基本信息
标准号
GB/T 1471-1988
相关服务
仅限个人学习交流使用
标准类型
国家标准
标准状态
现行
中国标准分类号(CCS)
H62 铅阳极板
国际标准分类号(ICS)
77.120.60
发布日期
1988-02-29
实施日期
1989-02-01
发布单位/组织
国家标准局
归口单位
适用范围
-
发布历史
-
1989-02
文前页预览
免费预览已结束,剩余部分可下载查看
研制信息
- 起草单位:
- 西北铜加工厂
- 起草人:
- 肖丛英
- 出版信息:
- 页数:8页 | 字数:8 千字 | 开本: 大16开
推荐标准
- GB/T 6150.6-1985 钨精矿化学分析方法 EDTA容量法测定钙量 1985-06-21
- GB/T 3253.5-2008 锑及三氧化二锑化学分析方法 铜量的测定 火焰原子吸收光谱法 2008-03-31
- GB/T 20432.1-2006 摄影 照相级化学品 试验方法 第1部分:总则 2006-01-23
- LY/T 2210-2013 柞树栽培技术规程 2013-10-17
- LY/T 2758-2016 皂荚栽培技术规程 2016-10-19
- JJG 721-2010 相位噪声测量系统 2010-09-06
- FZ/T 34005-2006 苎麻棉混纺印染布 2006-07-10
- GB/T 26454-2011 造纸用单层成形网 2011-05-12
- GB/T 39315.4-2024 军民通用资源 数据模型 第4部分:器材类 卫生器材 2024-09-29
- GB/T 39635-2020 金属材料 仪器化压入法测定压痕拉伸性能和残余应力 2020-12-14
相似标准推荐
更多>- 1 GB/T 6109.1-2008 漆包圆绕组线 第1部分:一般规定
- 2 GB/T 41780.3-2025 物联网 边缘计算 第3部分:节点接口要求
- 3 GB/T 45209-2025 鹿人工授精技术规程
- 4 GB/T 18876.1-2024 应用自动图像分析测定钢和其他金属中金相组织、夹杂物含量和级别的标准试验方法 第1部分:钢和其他金属中夹杂物或第二相组织含量的图像分析与体视学测定
- 5 JG/T 402-2013 热反射金属屋面板
- 6 GB/T 30958-2023 畜禽屠宰加工设备 猪屠宰成套设备技术条件
- 7 GB/T 16638.3-1996 空气动力学 概念、量和符号 第3部分 飞行器几何特性
- 8 GB/T 9065.5-2010 液压软管接头 第5部分:37°扩口端软管接头
- 9 LY/T 1381-2001 板式家具机械型号编制方法
- 10 GB/T 16555.1-1996 碳化硅耐火材料化学分析方法 吸收重量法测定碳化硅量

关闭预览
