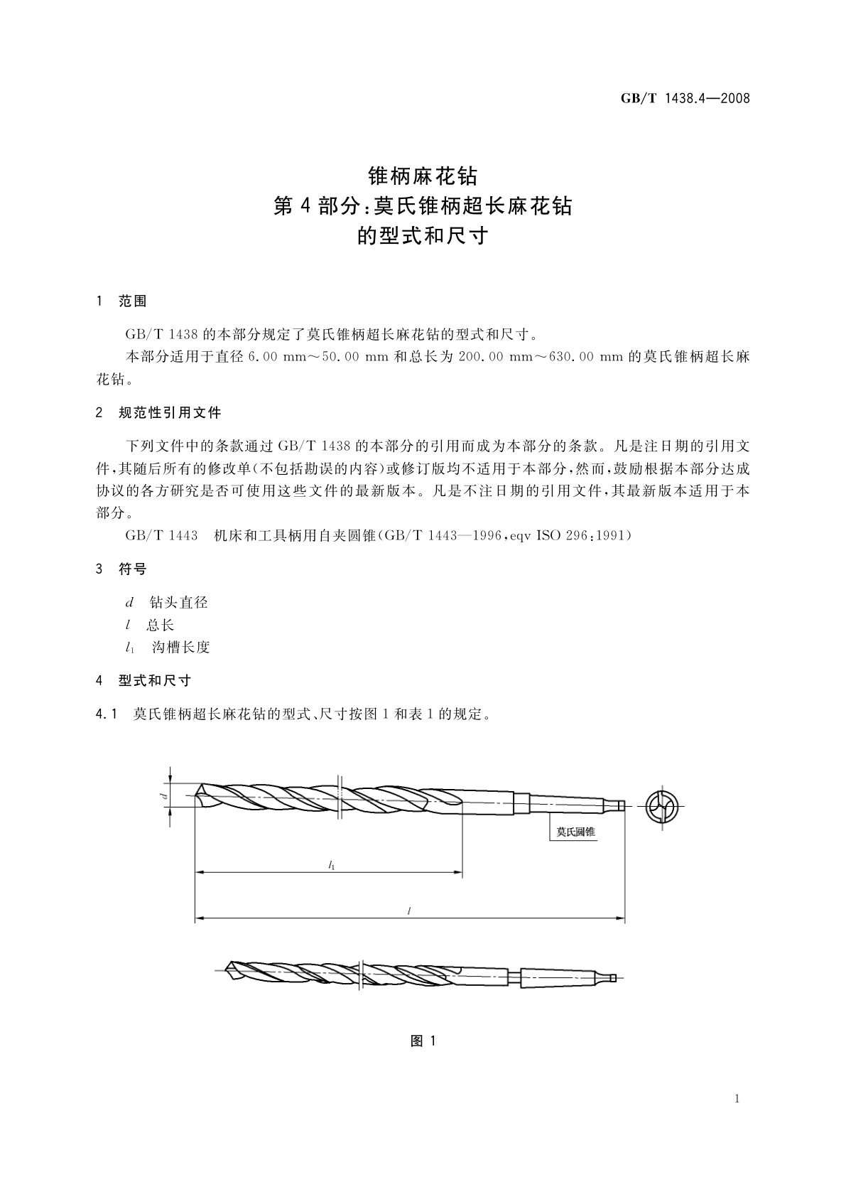
GB/T 1438.4-2008 锥柄麻花钻 第4部分:莫氏锥柄超长麻花钻的型式和尺寸
GB/T 1438.4-2008 Taper shank twist drills—Part 4:The types and dimensions extra-long for Morse taper shank twist drills
国家标准
中文简体
现行
页数:8页
|
格式:PDF
基本信息
标准号
GB/T 1438.4-2008
相关服务
仅限个人学习交流使用
标准类型
国家标准
标准状态
现行
中国标准分类号(CCS)
J41 锥柄麻花钻 第4部分:莫氏锥柄超长麻花钻的型式和尺寸
国际标准分类号(ICS)
25.100.30
发布日期
2008-11-04
实施日期
2009-04-01
发布单位/组织
中华人民共和国国家质量监督检验检疫总局、中国国家标准化管理委员会
归口单位
全国刀具标准化技术委员会(SAC/TC 91)
适用范围
-
发布历史
-
1997-02
-
2009-04
文前页预览
免费预览已结束,剩余部分可下载查看
研制信息
- 起草单位:
- 成都工具研究所、成都成量工具集团有限公司
- 起草人:
- 邓智光、曾宇环、伍蓉
- 出版信息:
- 页数:8页 | 字数:7 千字 | 开本: 大16开
推荐标准
- YY/T 1218-2013 促甲状腺素定量标记免疫分析试剂盒 2013-10-21
- GB/T 26089-2010 船用柴油发动机使用手册编写要求 2011-01-10
- GB/T 33475.2-2024 信息技术 高效多媒体编码 第2部分:视频 2024-05-28
- GB/T 5211.2-2003 颜料水溶物测定 热萃取法 2003-07-03
- GB/T 29152-2012 垃圾焚烧尾气处理设备 2012-12-31
- YB/T 190.7-2001 连铸保护渣化学分析方法 燃烧气体容量法和红外线吸收法测定碳含量 2001-07-09
- GB/T 44186-2024 固定式压缩空气泡沫灭火系统 2024-07-24
- GB/T 24616-2019 冷藏、冷冻食品物流包装、标志、运输和储存 2019-08-30
- GA/T 1390.3-2017 信息安全技术 网络安全等级保护基本要求 第3部分:移动互联安全扩展要求 2017-05-08
- GB/T 1979-2025 结构钢低倍组织缺陷评定 酸浸法和超声检测法 2025-08-29
相似标准推荐
更多>- 1 GB/T 3654.8-2023 铌铁 钛含量的测定 变色酸光度法和二安替比林甲烷光度法
- 2 GB 5135-1993 自动喷水灭火系统 洒水喷头的技术要求和试验方法
- 3 GB/T 22084.2-2008 含碱性或其他非酸性电解质的蓄电池和蓄电池组——便携式密封单体蓄电池 第2部分:金属氢化物镍电池
- 4 GB/T 19260-2003 低地板及低入口城市客车结构要求
- 5 GB/T 31838.5-2021 固体绝缘材料 介电和电阻特性 第5部分:电阻特性(DC方法) 浸渍和涂层材料的体积电阻和体积电阻率
- 6 GB/T 7689.3-2001 增强材料 机织物试验方法 第3部分:宽度和长度的测定
- 7 GB/T 20025.3-2025 汽车空调用橡胶和塑料软管及软管组合件 规范 第3部分:制冷剂1234yf
- 8 GB/T 30256-2013 节能量测量和验证技术要求 泵类液体输送系统
- 9 GB/T 24810.1-2009 起重机 限制器和指示器 第1部分:总则
- 10 GB/T 35472.6-2017 湿式自动变速箱摩擦元件试验方法 第6部分:摩擦性能与压力、速度、温度关系试验方法

关闭预览
