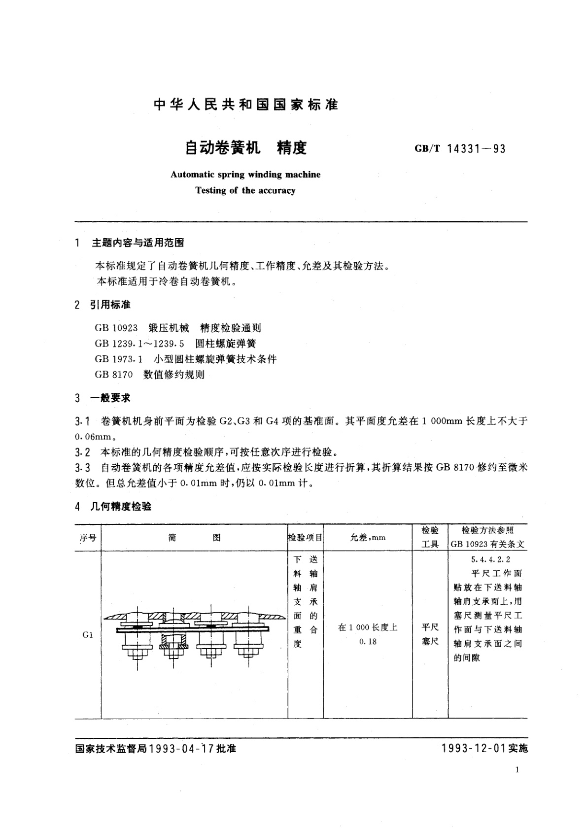
GB/T 14331-1993 自动卷簧机 精度
GB/T 14331-1993 Automatic spring winding machine—Testing of the accuracy
国家标准
中文简体
被代替
页数:8页
|
格式:PDF
基本信息
标准号
GB/T 14331-1993
相关服务
仅限个人学习交流使用
标准类型
国家标准
标准状态
被代替
中国标准分类号(CCS)
J62 自动卷簧机 精度
国际标准分类号(ICS)
25.060
发布日期
1993-04-17
实施日期
1993-12-01
发布单位/组织
国家技术监督局
归口单位
机械电子工业部济南铸造锻压机械研究所
适用范围
-
发布历史
-
1993-12
文前页预览
免费预览已结束,剩余部分可下载查看
研制信息
- 起草单位:
- 洛阳机床厂
- 起草人:
- 时应山
- 出版信息:
- 页数:8页 | 字数:6 千字 | 开本: 大16开
推荐标准
- GB/T 4950-2002 锌-铝-镉合金牺牲阳极 2002-08-29
- GA/T 1654-2019 法庭科学 纸张元素成分检验 波长色散X射线荧光光谱法 2019-10-14
- GB/T 13747.19-2017 锆及锆合金化学分析方法 第19部分:钛量的测定 二安替比林甲烷分光光度法和电感耦合等离子体原子发射光谱法 2017-09-29
- GB 1886.107-2015 食品安全国家标准 食品添加剂 柠檬酸一钠 2015-09-22
- GB/T 6561-2014 十字槽沉头自挤螺钉 2014-06-24
- CB 3660-1997 船厂起重作业安全规程 1997-10-17
- GB/T 14327-2009 苯中噻吩含量的测定方法 2009-07-08
- GA/T 1528-2018 信息安全技术 移动智能终端安全监测产品安全技术要求 2018-11-05
- GB/T 21412.11-2019 石油天然气工业 水下生产系统的设计和操作 第11部分:挠性管系统的推荐作法 2019-03-25
- GB/T 10681-2004 家庭和类似场合普通照明用钨丝灯性能要求 2004-02-04
相似标准推荐
更多>- 1 GB/T 4324.26-2012 钨化学分析方法 第26部分:氮量的测定 脉冲加热惰气熔融-热导法和奈氏试剂分光光度法
- 2 GB/T 8220.6-1998 铋化学分析方法 电热原子吸收光谱法测定铅量
- 3 GB/T 8740-2013 铸造轴承合金锭
- 4 LY/T 3335-2022 植物新品种特异性、一致性、稳定性测试指南 李属-樱花
- 5 GA/T 1477-2018 法庭科学计算机系统接入外部设备使用痕迹检验技术规范
- 6 GB/T 18915.1-2002 镀膜玻璃 第1部分:阳光控制镀膜玻璃
- 7 GB/T 3253.4-2009 锑及三氧化二锑化学分析方法 锑中硫量的测定 燃烧中和法
- 8 GB/T 22683-2021 家用和类似用途控制器产品型号编制方法
- 9 GB/T 13293.2-1991 高纯阴极铜化学分析方法 氢化物发生-无色散原子荧光光谱法测定铋量
- 10 GB/T 42128-2022 智能制造 工业数据 分类原则

关闭预览
