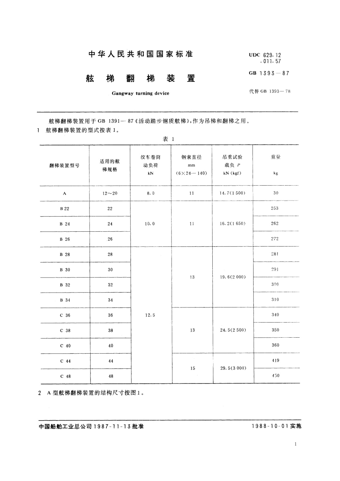
GB/T 1393-1987 舷梯翻梯装置
GB/T 1393-1987 Gangway turning device
国家标准
中文简体
废止
页数:8页
|
格式:PDF
基本信息
标准号
GB/T 1393-1987
相关服务
仅限个人学习交流使用
标准类型
国家标准
标准状态
废止
中国标准分类号(CCS)
U26 舷梯翻梯装置
国际标准分类号(ICS)
47.020.50
发布日期
1987-12-15
实施日期
1988-10-01
发布单位/组织
国家标准局
归口单位
沪东造船厂
适用范围
-
发布历史
-
1988-10
文前页预览
免费预览已结束,剩余部分可下载查看
研制信息
- 起草单位:
- 上海船厂
- 起草人:
- 出版信息:
- 页数:8页 | 字数:12 千字 | 开本: 大16开
推荐标准
- NY/T 348-1999 节能烟叶初烤房标准图集 1999-04-07
- GB 1886.4-2020 食品安全国家标准 食品添加剂 六偏磷酸钠 2020-09-11
- GB/T 37934-2019 信息安全技术 工业控制网络安全隔离与信息交换系统安全技术要求 2019-08-30
- GB/T 18910.103-2025 液晶显示器件 第10-3部分:环境、耐久性和机械试验方法 玻璃强度和可靠性 2025-04-25
- GB/T 34482-2017 建筑用铝合金隔热型材传热系数测定方法 2017-10-14
- GB/T 28227.6-2011 文化服务质量管理体系实施指南 第6部分:影院 2011-12-30
- GB/T 6150.4-2023 钨精矿化学分析方法 第4部分:硫含量的测定 高频感应红外吸收法和燃烧-碘量法 2023-08-06
- GB/T 1265-2003 化学试剂 溴化钠 2003-11-10
- CJ/T 337-2010 城镇污水热泵热能利用水质 2010-10-21
- GB 17400-2015 食品安全国家标准 方便面 2015-09-22
相似标准推荐
更多>- 1 GB/T 23694-2013 风险管理 术语
- 2 MT/T 1210-2024 矿用随钻伽马测井装置通用技术条件
- 3 GB 25573-2010 食品安全国家标准 食品添加剂 过氧化钙
- 4 GB/T 25186-2010 表面化学分析 二次离子质谱 由离子注入参考物质确定相对灵敏度因子
- 5 GB/T 44378-2024 绝缘液体 颗粒计数和尺寸分类的方法
- 6 GB/T 10183-2005 桥式和门式起重机 制造及轨道安装公差
- 7 GB/T 30651-2014 矿脂防蚀带耐高温流动性检测方法
- 8 JG/T 3033-1996 试验用砂浆搅拌机
- 9 GA/T 2000.269-2019 公安信息代码 第269部分:车后部物品特征代码
- 10 GB/T 17221-1998 环境镉污染健康危害区判定标准

关闭预览
