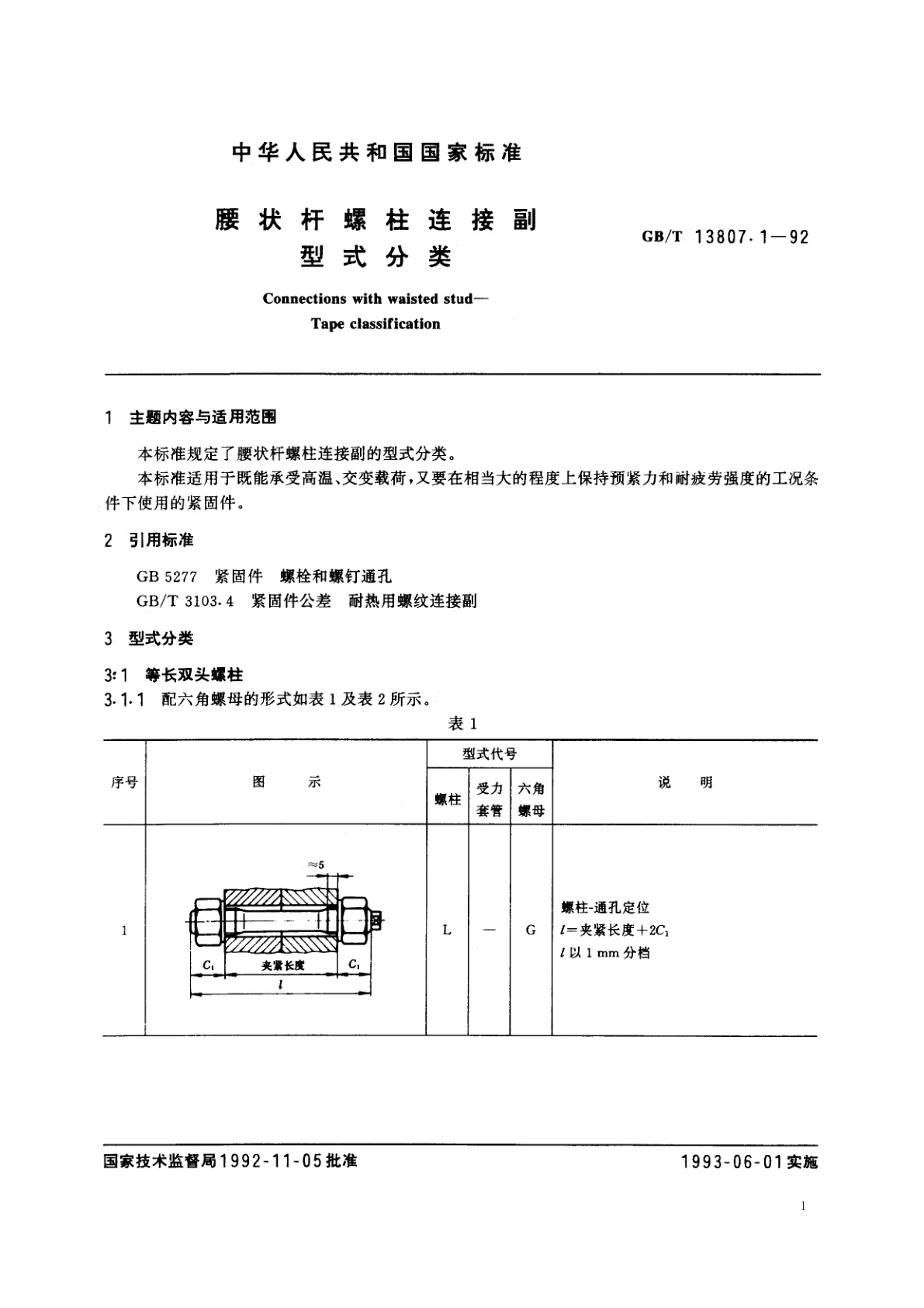
GB/T 13807.1-1992 腰状杆螺柱连接副 型式分类
GB/T 13807.1-1992 Connections with waisted stud—Tape classification
国家标准
中文版
被代替
页数:16页
|
格式:PDF
基本信息
标准号
GB/T 13807.1-1992
相关服务
仅限个人学习交流使用
标准类型
国家标准
标准状态
被代替
中国标准分类号(CCS)
J13 腰状杆螺柱连接副 型式分类
国际标准分类号(ICS)
21.120.20
发布日期
1992-11-05
实施日期
1993-06-01
发布单位/组织
国家技术监督局
归口单位
全国紧固件标准化技术委员会
适用范围
-
发布历史
-
1993-06
文前页预览
免费预览已结束,剩余部分可下载查看
研制信息
- 起草单位:
- 机械电子工业部机械标准化研究所
- 起草人:
- 出版信息:
- 页数:16页 | 字数:22 千字 | 开本: 大16开
推荐标准
- GB/T 31722-2025 网络安全技术 信息安全风险管理指导 2025-08-01
- GA/T 2000.78-2015 公安信息代码 第78部分:物品标识号代码 2015-12-30
- GB/T 22840-2008 工业机械电气设备 浪涌抗扰度试验规范 2008-12-30
- GB/T 27892-2011 船舶与海上技术 机舱易燃油料系统 易燃油料泄漏预防 2011-12-30
- GB/T 18410-2001 车辆识别代号条码标签 2001-08-22
- GB/T 31818-2015 粉状纸制品淀粉胶黏剂 2015-07-03
- LY/T 1352-2012 毛边锯材 2012-02-23
- GB/T 19212.2-2012 电力变压器、电源、电抗器和类似产品的安全 第2部分:一般用途分离变压器和内装分离变压器的电源的特殊要求和试验 2012-06-29
- GB/T 17037.3-2003 塑料 热塑性塑料材料注塑试样的制备 第3部分:小方试片 2003-02-10
- GB 2549-2003 敌敌畏原药 2003-10-09
相似标准推荐
更多>- 1 GB/T 7186-2023 选煤术语
- 2 GB/T 3821-2005 中小功率内燃机清洁度测定方法
- 3 GB/T 33744-2025 应急避难场所管护使用规范
- 4 FZ/T 54030-2010 有色粘胶短纤维
- 5 SC/T 8030-1997 渔船气胀救生筏筏架
- 6 LY/T 3250-2021 丝棉木苗木培育技术规程
- 7 GB/T 24252-2019 蚕丝被
- 8 GB/T 13539.2-2015 低压熔断器 第2部分:专职人员使用的熔断器的补充要求(主要用于工业的熔断器) 标准化熔断器系统示例A至K
- 9 GB/T 7717.13-1994 工业用丙烯腈酸度的测定 滴定法
- 10 GB 31221-2014 气象探测环境保护规范 地面气象观测站

关闭预览
