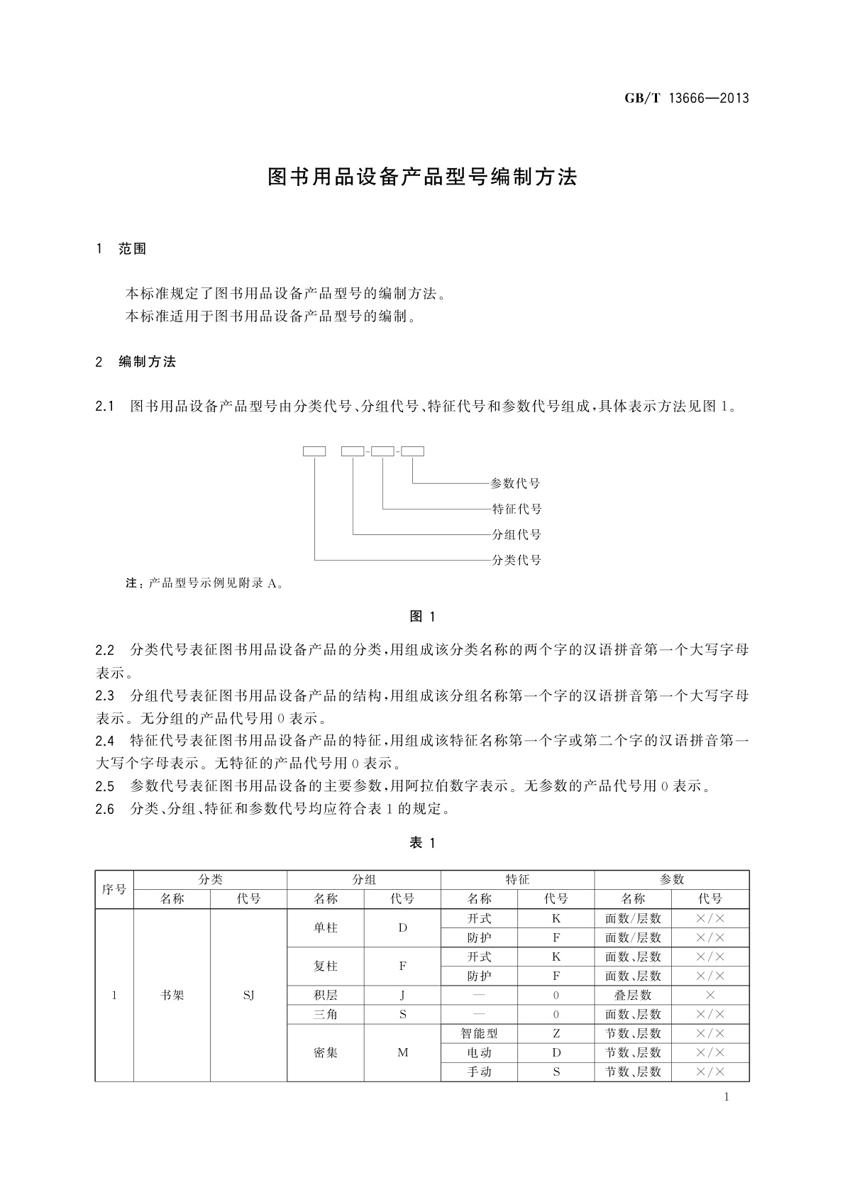
GB/T 13666-2013 图书用品设备产品型号编制方法
GB/T 13666-2013 Type organization method of product for books and information articles
国家标准
中文简体
现行
页数:8页
|
格式:PDF
基本信息
标准号
GB/T 13666-2013
相关服务
仅限个人学习交流使用
标准类型
国家标准
标准状态
现行
中国标准分类号(CCS)
Y80 图书用品设备产品型号编制方法
国际标准分类号(ICS)
97.140
发布日期
2013-12-31
实施日期
2014-12-01
发布单位/组织
中华人民共和国国家质量监督检验检疫总局、中国国家标准化管理委员会
归口单位
全国家具标准化技术委员会(SAC/TC 480)
适用范围
-
发布历史
-
1993-08
-
2014-12
文前页预览
免费预览已结束,剩余部分可下载查看
研制信息
- 起草单位:
- 国家办公用品设备质量监督检验中心、宁波朝平现代家具有限公司
- 起草人:
- 张泓、邓超、郑洪连、顾强、张卫海、徐益平
- 出版信息:
- 页数:8页 | 字数:10 千字 | 开本: 大16开
推荐标准
- FZ/T 13037-2016 涂层色织牛仔布 2016-10-22
- GB 12358-1990 作业环境气体检测报警仪通用技术要求 1990-10-11
- GB/T 13400.1-2012 网络计划技术 第1部分:常用术语 2012-12-31
- GB/T 44772-2024 压水堆核燃料元件制造及包装、贮存、运输过程接触材料控制要求 2024-10-26
- GB/T 6877-1986 机械计时仪器零部件分类、名称和编号 手表及叉瓦式闹钟零部件分类、名称和编号 1986-09-13
- JJG 512-2002 白度计 2002-11-04
- GB/T 29256.3-2012 纺织品 机织物结构分析方法 第3部分:织物中纱线织缩的测定 2012-12-31
- GB/T 27546-2011 起重机械 滑轮 2011-11-21
- GB/T 25907.4-2010 信息技术 维吾尔文、哈萨克文、柯尔克孜文编码字符集 16点阵字型 第4部分:库非黑体 2011-01-10
- GB/T 37862-2019 非开挖修复用塑料管道 总则 2019-08-30
相似标准推荐
更多>- 1 SB/T 10793-2012 冷饮现调机
- 2 GB/T 17215-2002 1级和2级静止式交流有功电能表
- 3 GB/T 14099-2005 燃气轮机 采购
- 4 GB/T 22117-2018 信用 基本术语
- 5 GA 788-2008 指纹图像数据压缩倍数
- 6 GB/T 29617-2013 数字密度计测试液体密度、相对密度和API比重的试验方法
- 7 GB/T 13747.26-2022 锆及锆合金化学分析方法 第26部分:合金及杂质元素的测定 电感耦合等离子体原子发射光谱法
- 8 GB/T 25963-2022 含脂肪酸甲酯中间馏分芳烃含量的测定 示差折光检测器高效液相色谱法
- 9 GB/T 44934-2024 电力储能用飞轮储能单元技术规范
- 10 FZ/T 14040-2017 棉与十字形锦纶66长丝交织印染布

关闭预览
