CB/T 3324-1995 钢质舾装件精度
CB/T 3324-1995
行业标准
中文简体
废止
页数:28页
|
格式:PDF
基本信息
标准号
CB/T 3324-1995
相关服务
仅限个人学习交流使用
标准类型
行业标准
标准状态
废止
中国标准分类号(CCS)
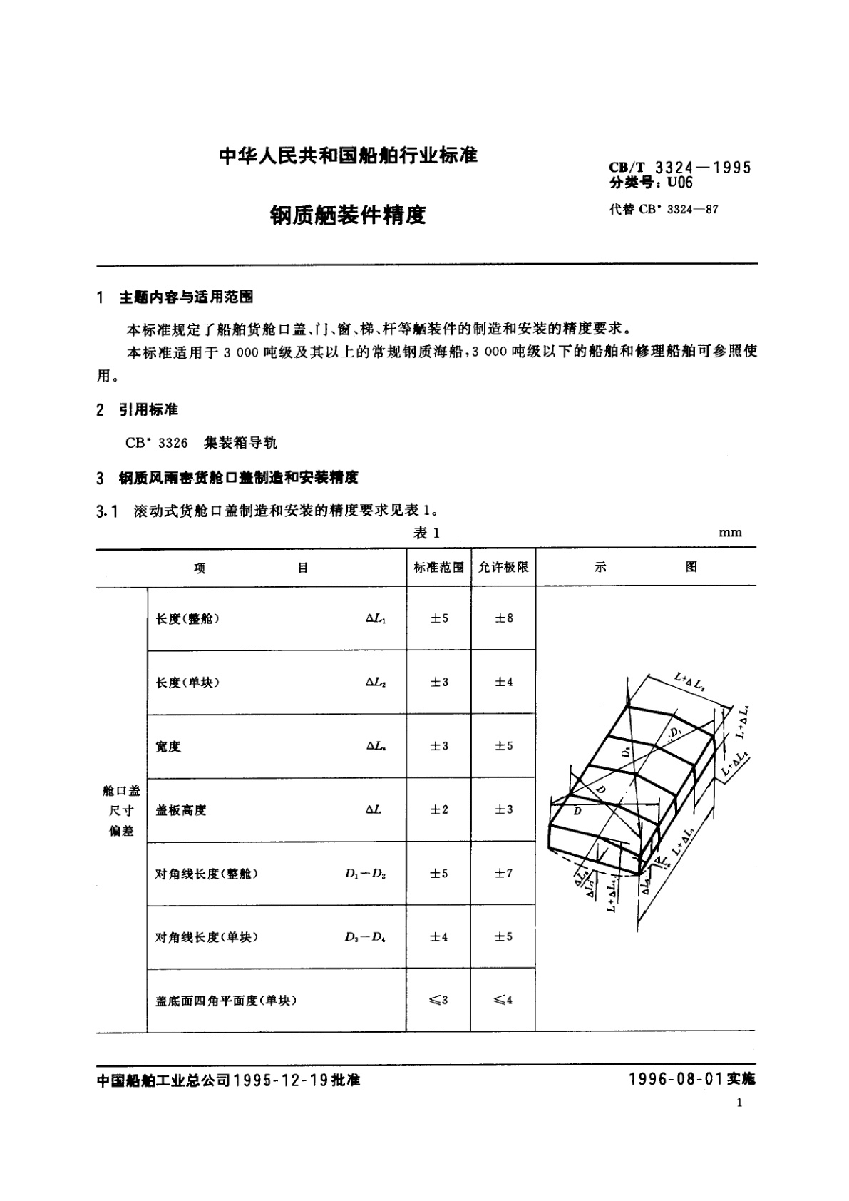
U06 钢质舾装件精度
国际标准分类号(ICS)
发布日期
1995-12-19
实施日期
1996-08-01
发布单位/组织
中国船舶工业总公司
归口单位
中国船舶工业总公司第十一研究所
适用范围
-
发布历史
-
1996-08
文前页预览
免费预览已结束,剩余部分可下载查看
研制信息
- 起草单位:
- 江南造船厂
- 起草人:
- 出版信息:
- 页数:28页 | 字数:46 千字 | 开本: 大16开
推荐标准
- GB 26345-2010 疟疾控制和消除标准 2011-01-14
- GB/T 25181-2019 预拌砂浆 2019-08-30
- GB 29743.2-2025 机动车冷却液 第2部分:电动汽车冷却液 2025-03-28
- GB 1886.153-2015 食品安全国家标准 食品添加剂 乙酸2-甲基丁酯 2015-09-22
- GB/T 17210-1998 电子设备用机电开关 第2部分:旋转开关分规范 第一篇 空白详细规范 1998-01-19
- GB/T 4700.7-1998 硅钙合金化学分析方法 红外线吸收法和燃烧碘酸钾滴定法测定硫量 1998-12-07
- GB/T 22175-2008 烯唑醇原药 2008-07-11
- GB 4715-2005 点型感烟火灾探测器 2005-09-01
- GB 17622-1998 带电作业用绝缘手套通用技术条件 1998-12-17
- YY/T 0879.1-2013 医疗器械致敏反应试验 第1部分:小鼠局部淋巴结试验(LLNA)放射性同位素掺入法 2013-10-21
相似标准推荐
更多>- 1 GB/T 12643-2013 机器人与机器人装备 词汇
- 2 GB/T 14129-1993 半导体集成电路TTL电路系列和品种 PAL系列的品种
- 3 GB/T 9116.2-2000 凹凸面带颈平焊钢制管法兰
- 4 GB/T 36630.1-2018 信息安全技术 信息技术产品安全可控评价指标 第1部分:总则
- 5 GB/T 19042.5-2006 医用成像部门的评价及例行试验 第3-5部分:X射线计算机体层摄影设备 成像性能验收试验
- 6 GB/T 13486-2014 便携式热催化甲烷检测报警仪
- 7 GB/T 20417.2-2006 塑料 丙烯腈-丁二烯-苯乙烯(ABS)模塑和挤出材料 第2部分:试样制备和性能测定
- 8 GM/T 0035.1-2014 射频识别系统密码应用技术要求 第1部分:密码安全保护框架及安全级别
- 9 GB/T 7323-2019 极压锂基润滑脂
- 10 GB/T 20373-2006 变性淀粉中乙酰基含量的测定 酶法

关闭预览
