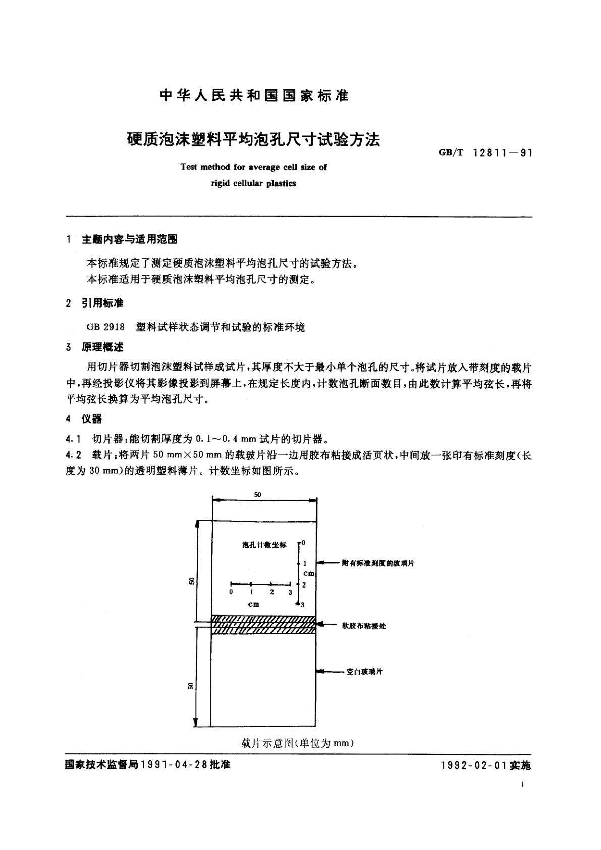
GB/T 12811-1991 硬质泡沫塑料平均泡孔尺寸试验方法
GB/T 12811-1991 Test method for average cell size of rigid cellular plastics
国家标准
中文简体
现行
页数:8页
|
格式:PDF
基本信息
标准号
GB/T 12811-1991
相关服务
仅限个人学习交流使用
标准类型
国家标准
标准状态
现行
中国标准分类号(CCS)
G32 硬质泡沫塑料平均泡孔尺寸试验方法
国际标准分类号(ICS)
83.100
发布日期
1991-04-28
实施日期
1992-02-01
发布单位/组织
国家技术监督局
归口单位
轻工业部塑料加工应用科学研究所
适用范围
-
发布历史
-
1992-02
文前页预览
免费预览已结束,剩余部分可下载查看
研制信息
- 起草单位:
- 武汉塑料研究所
- 起草人:
- 杨学武
- 出版信息:
- 页数:8页 | 字数:5 千字 | 开本: 大16开
推荐标准
- YY/T 1551.3-2017 输液、输血器具用空气过滤器 第3部分:完整性试验方法 2017-02-28
- GB/T 34923.4-2017 路灯控制管理系统 第4部分:路灯控制器技术规范 2017-11-01
- GB 5009.183-2025 食品安全国家标准 食品中脲酶的测定 2025-03-16
- GB/T 4121-2014 石英玻璃热变色性试验方法 2014-07-24
- GB/T 46314-2025 原电池材料术语 2025-08-29
- GB/T 31971.1-2015 船舶与海上技术 海上环境保护:撇油器性能试验 第1部分:动态水条件 2015-09-11
- GB/T 4162-1991 锻轧钢棒超声波检验方法 1991-12-13
- LS/T 1707.3-2004 粮食信息分类与编码 粮食仓储 第3部分:器材分类与代码 2004-04-22
- GB/T 29884-2013 粮油机械 大米色选机 2013-11-12
- GB/T 5964-2008 核仪器用同轴电缆连接器 2008-07-18
相似标准推荐
更多>- 1 GB/T 20899.4-2021 金矿石化学分析方法 第4部分:铜量的测定
- 2 GB 18458.2-2003 专用输液器 第2部分:一次性使用滴定管式输液器
- 3 GB/T 20457-2006 林业机械 轮式集材机 术语、定义和商品规格
- 4 GB/T 21451.1-2015 石油和液体石油产品 储罐中液位和温度自动测量法 第1部分:常压罐中的液位测量
- 5 GB/T 16628-1996 K·D复盐起爆药
- 6 GB/T 35209-2017 烟气脱硝催化剂再生技术规范
- 7 GA/T 2000.295-2021 公安信息代码 第295部分:乳突线颜色代码
- 8 GB/T 21470-2008 锤上钢质自由锻件机械加工余量与公差 盘、柱、环、筒类
- 9 GB/T 29601-2013 不锈钢器皿
- 10 GB/T 35871-2018 粮油检验 谷物及其制品中钙、钾、镁、钠、铁、磷、锌、铜、锰、硼、钡、钼、钴、铬、锂、锶、镍、硫、钒、硒、铷含量的测定 电感耦合等离子体发射光谱法

关闭预览
