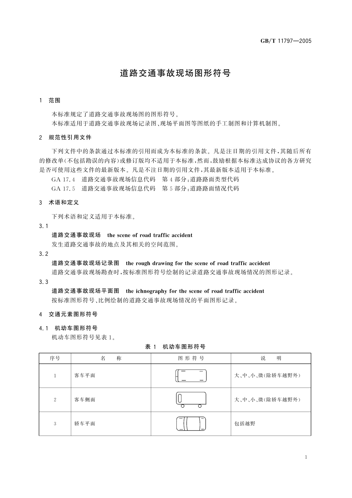
GB/T 11797-2005 道路交通事故现场图形符号
GB/T 11797-2005 The graphics symbols for the scene of road traffic accident
国家标准
中文简体
现行
页数:16页
|
格式:PDF
基本信息
标准号
GB/T 11797-2005
相关服务
仅限个人学习交流使用
标准类型
国家标准
标准状态
现行
中国标准分类号(CCS)
R81 道路交通事故现场图形符号
国际标准分类号(ICS)
13.200
发布日期
2005-06-10
实施日期
2005-11-01
发布单位/组织
中华人民共和国国家质量监督检验检疫总局、中国国家标准化管理委员会
归口单位
公安部道路交通管理标准化技术委员会
适用范围
-
发布历史
-
1990-07
-
2005-11
文前页预览
免费预览已结束,剩余部分可下载查看
研制信息
- 起草单位:
- 起草人:
- 孙正良、张兴无、何利利、朱海
- 出版信息:
- 页数:16页 | 字数:21 千字 | 开本: 大16开
推荐标准
- JJF 1299-2011 扭转试验机型式评价大纲 2011-07-28
- YS/T 239.1-2010 三硫化二锑化学分析方法 第1部分:锑量的测定 硫酸铈滴定法 2010-11-22
- WS 363.10-2011 卫生信息数据元目录 第10部分:医学诊断 2011-08-02
- GB/T 26237.5-2023 信息技术 生物特征识别数据交换格式 第5部分:人脸图像数据 2023-05-23
- GB/T 44230-2024 政务信息系统基本要求 2024-08-23
- GB/T 10067.46-2014 电热装置基本技术条件 第46部分:罩式电阻炉 2014-09-03
- GB/T 20932-2007 生铁 定义与分类 2007-05-14
- GB/T 19902.5-2011 工业自动化系统与集成 制造软件互操作性能力建规 第5部分:基于多能力类结构进行专规匹配的方法学 2011-12-30
- GB/T 13748.6-2005 镁及镁合金化学分析方法 银含量的测定 火焰原子吸收光谱法 2005-07-26
- GB/T 20509-2006 电力机车接触材料用铜及铜合金线坯 2006-09-26
相似标准推荐
更多>- 1 GB/T 38511-2020 中空纤维膜使用寿命评价方法
- 2 GB/T 17789-1999 在PSTN或二线点对点租用电话型电路上同时传送数据和数字化编码语音信号的规程
- 3 GB/T 22101.4-2009 棉花抗病虫性评价技术规范 第4部分:枯萎病
- 4 GB 1903.20-2016 食品安全国家标准 食品营养强化剂 硝酸硫胺素
- 5 GB/T 45559-2025 气象卫星数据分类编码规则
- 6 GB/T 6609.37-2009 氧化铝化学分析方法和物理性能测定方法 第37部分:粒度小于20 μm颗粒含量的测定
- 7 YY/T 1282-2022 一次性使用静脉留置针
- 8 GA/T 2000.214-2018 公安信息代码 第214部分:公安专业技术领域类别代码
- 9 GB/T 7095.2-1995 漆包扁绕组线 第2部分:120级缩醛漆包铜扁线
- 10 GB/T 28015-2011 家用卫生杀虫用品 烟尘量试验方法

关闭预览
