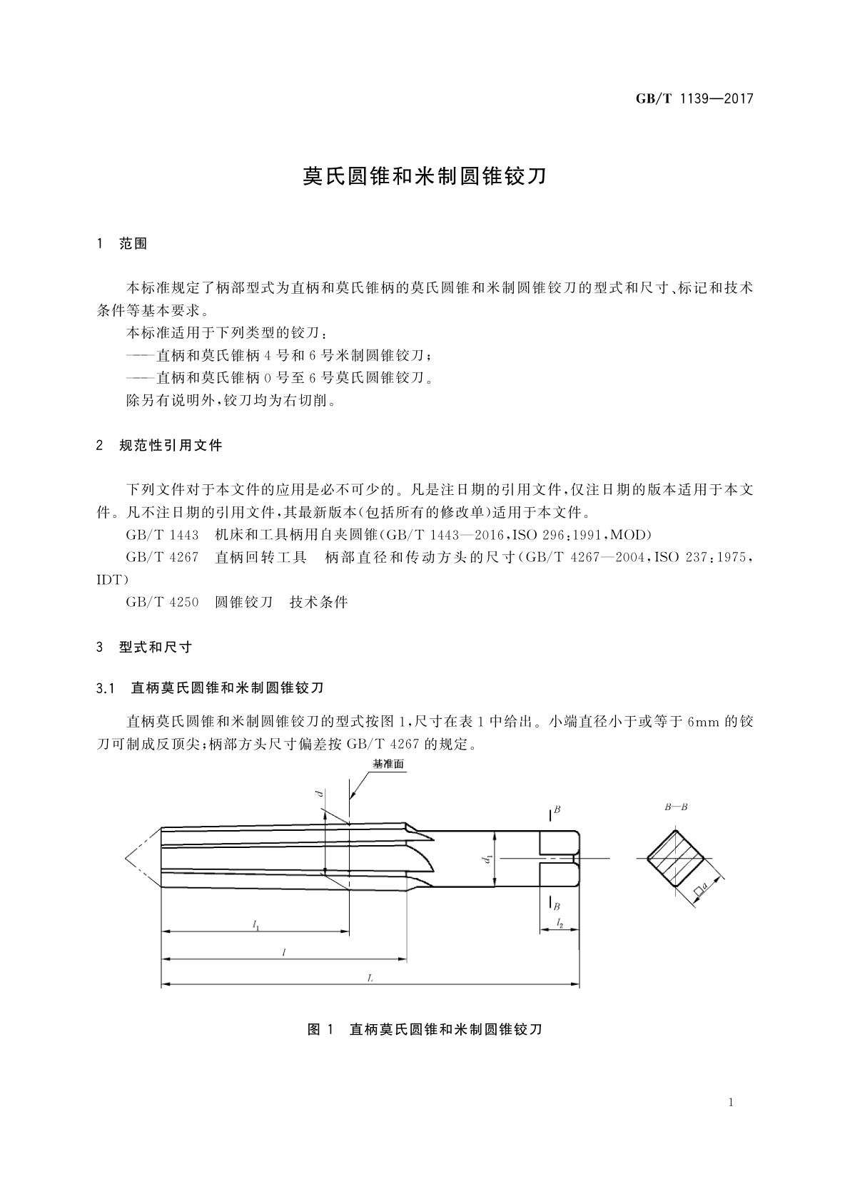
GB/T 1139-2017 莫氏圆锥和米制圆锥铰刀
GB/T 1139-2017 Morse and metric taper reamers
国家标准
中文简体
现行
页数:12页
|
格式:PDF
基本信息
标准号
GB/T 1139-2017
相关服务
仅限个人学习交流使用
标准类型
国家标准
标准状态
现行
中国标准分类号(CCS)
J41 莫氏圆锥和米制圆锥铰刀
国际标准分类号(ICS)
25.100.30
发布日期
2017-02-28
实施日期
2017-09-01
发布单位/组织
中华人民共和国国家质量监督检验检疫总局、中国国家标准化管理委员会
归口单位
全国刀具标准化技术委员会(SAC/TC 91)
适用范围
-
发布历史
-
2004-08
-
2017-09
文前页预览
免费预览已结束,剩余部分可下载查看
研制信息
- 起草单位:
- 成都成量工具集团有限公司、成都工具研究所有限公司、河南一工工具有限公司
- 起草人:
- 黄华新、高峰、沈士昌、赵建敏
- 出版信息:
- 页数:12页 | 字数:14 千字 | 开本: 大16开
推荐标准
- YY/T 1226-2014 人乳头瘤病毒核酸(分型)检测试剂(盒) 2014-06-17
- FZ/T 62035-2017 经编网眼织物复合凉席 2017-04-21
- YY/T 0314-2021 一次性使用人体静脉血样采集容器 2021-09-06
- GB/T 2882-2005 镍及镍合金管 2005-07-26
- GB/T 44130.3-2025 电动汽车充换电服务信息交换 第3部分:业务信息交换规范 2025-08-29
- GB 10734-2008 第一基准试剂 乙二胺四乙酸二钠 2008-06-18
- GB/T 37155.2-2019 区域保护控制系统技术导则 第2部分:信息接口及通信 2019-05-10
- GB/T 26168.4-2010 电气绝缘材料 确定电离辐射的影响 第4部分:运行中老化的评定程序 2011-01-14
- GB/T 41763-2022 双辊铸轧热轧薄钢板及钢带的尺寸、外形、重量及允许偏差 2022-10-12
- GB/T 40132-2021 便携式电子产品用振动电机通用规范 2021-05-21
相似标准推荐
更多>- 1 GB/T 42015-2022 信息安全技术 网络支付服务数据安全要求
- 2 GB 36246-2018 中小学合成材料面层运动场地
- 3 GB/T 5009.220-2008 粮谷中敌菌灵残留量的测定
- 4 GB/T 26354-2010 旅游信息咨询中心设置与服务规范
- 5 GB/T 27616-2011 有害生物风险分析框架
- 6 GB/T 30515-2014 透明和不透明液体石油产品运动黏度 测定法及动力黏度计算法
- 7 SB/T 10520-2009 超市节能规范
- 8 GB/T 39515.4-2020 农林机械 喷雾机的环境要求 第4部分:固定式和半移动式喷雾机
- 9 GB/T 28447-2012 信息安全技术 电子认证服务机构运营管理规范
- 10 GB/T 4331-2003 农用挂车试验方法

关闭预览
