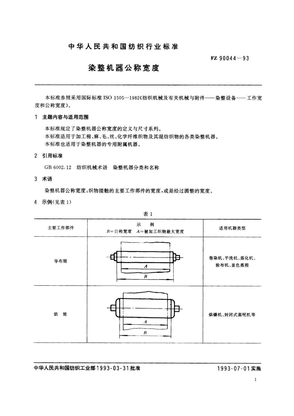
FZ 90044-1993 染整机器公称宽度
FZ 90044-1993
行业标准
中文简体
废止
页数:8页
|
格式:PDF
基本信息
标准号
FZ 90044-1993
相关服务
仅限个人学习交流使用
标准类型
行业标准
标准状态
废止
中国标准分类号(CCS)
染整机器公称宽度
国际标准分类号(ICS)
发布日期
1993-03-31
实施日期
1993-07-01
发布单位/组织
中华人民共和国纺织工业部
归口单位
北京纺织机械研究所
适用范围
-
发布历史
-
1993-07
文前页预览
免费预览已结束,剩余部分可下载查看
研制信息
- 起草单位:
- 上海印染机械厂、北京纺织机械研究所
- 起草人:
- 严维琮、沈小平
- 出版信息:
- 页数:8页 | 字数:8 千字 | 开本: 大16开
推荐标准
- YY/T 0801.2-2010 医用气体管道系统终端 第2部分:用于麻醉气体净化系统的终端 2010-12-27
- YS/T 372.1-2006 贵金属合金元素分析方法 银量的测定 碘化钾电位滴定法 2006-05-25
- GB/T 35534-2017 胰酪蛋白胨检测方法 2017-12-29
- GB/T 43413-2023 无损检测 红外热成像检测 热弹性应力测量方法通则 2023-11-27
- JJG 990-2004 声波检测仪 2004-09-21
- GB/T 21482-2019 船舶与海上技术 充气橡胶靠球 2019-03-25
- GB/T 6730.60-2022 铁矿石 镍含量的测定 火焰原子吸收光谱法 2022-04-15
- GB/T 10101-1988 浮筒卸扣 1988-12-10
- GB/T 34063-2017 城市公用交通设施工效学设计指南 2017-07-31
- GB/T 30927-2014 化妆品中罗丹明B等4种禁用着色剂的测定 高效液相色谱法 2014-07-08
相似标准推荐
更多>- 1 GB/T 7999-2000 铝及铝合金光电(测光法)发射光谱分析方法
- 2 GB/T 22961-2008 河豚鱼、鳗鱼中土霉素、四环素、金霉素、强力霉素残留量的测定 液相色谱-紫外检测法
- 3 GB/T 12726.1-1991 核电厂事故及事故后辐射监测设备 第一部分:一般要求
- 4 YC/T 547.1-2016 烟草行业专用计量器具技术审核规范 第1部分:基本要求和工作程序
- 5 GB/T 34940.1-2017 静态切换系统(STS) 第1部分:总则和安全要求
- 6 GB 16895.27-2006 建筑物电气装置 第7部分:特殊装置或场所的要求 第705节:农业和园艺设施的电气装置
- 7 GB/T 820-2000 十字槽半沉头螺钉
- 8 YY 1277-2023 压力蒸汽灭菌器 生物安全性能要求
- 9 GB/T 27568-2011 轨道交通车辆门窗橡胶密封条
- 10 GB/T 45816-2025 道路车辆 汽车空调系统用制冷剂系统 安全要求

关闭预览
