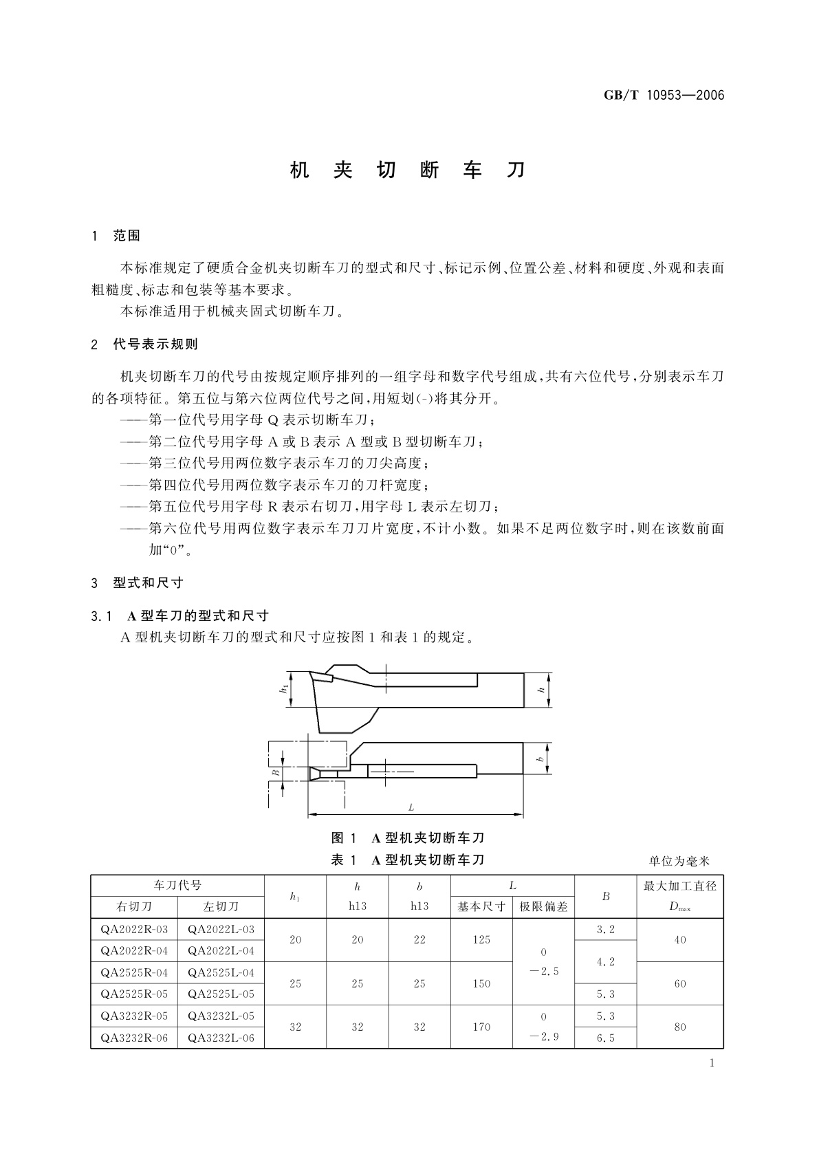
GB/T 10953-2006 机夹切断车刀
GB/T 10953-2006 Cutting-off tools for turning with clamp tips
国家标准
中文简体
现行
页数:8页
|
格式:PDF
基本信息
标准号
GB/T 10953-2006
相关服务
仅限个人学习交流使用
标准类型
国家标准
标准状态
现行
中国标准分类号(CCS)
J41 机夹切断车刀
国际标准分类号(ICS)
25.100.10
发布日期
2006-12-30
实施日期
2007-06-01
发布单位/组织
中华人民共和国国家质量监督检验检疫总局、中国国家标准化管理委员会
归口单位
全国刀具标准化技术委员会(SAC/TC 91)
适用范围
-
发布历史
-
2007-06
文前页预览
免费预览已结束,剩余部分可下载查看
研制信息
- 起草单位:
- 成都工具研究所
- 起草人:
- 樊瑾
- 出版信息:
- 页数:8页 | 字数:8 千字 | 开本: 大16开
推荐标准
- YY/T 1733-2020 医疗器械辐射灭菌 辐照装置剂量分布测试指南 2020-09-27
- GB/T 6809.1-2009 往复式内燃机 零部件和系统术语 第1部分:固定件及外部罩盖 2009-03-19
- GB/T 4353-1984 载客汽车运行燃料消耗量 1984-04-30
- JJF 1834-2020 非自动衡器通用技术要求 2020-01-17
- GB/T 24147-2009 水性紫外光(UV)固化树脂 水溶性不饱和聚酯丙烯酸酯树脂 2009-06-15
- GB/T 17152-1997 运费代码(FCC)—运费和其他费用的统一描述 1997-12-16
- GB/T 14684-2011 建设用砂 2011-06-16
- GB/T 31280-2022 品牌价值评价 酒、饮料和精制茶制造业 2022-12-30
- GB/T 36414-2018 工业过程测量和控制 仪表容错性能技术规范 2018-06-07
- GB/T 13893.2-2019 色漆和清漆 耐湿性的测定 第2部分:冷凝(在带有加热水槽的试验箱内曝露) 2019-03-25
相似标准推荐
更多>- 1 GB/T 13646-1992 橡胶中结合苯乙烯含量的测定 分光光度法
- 2 GB/T 7178.8-1996 铁路调车作业标准 铁路调车取送车辆作业标准
- 3 GB/T 8220.5-1998 铋化学分析方法 固液萃取分离 火焰原子吸收光谱法测定锌量
- 4 GB/T 33991-2017 月球信息要素数据字典
- 5 RB/T 103-2013 能源管理体系 钢铁企业认证要求
- 6 GB/T 42691.5-2023 道路车辆 局域互联网络(LIN) 第5部分:应用程序接口
- 7 GB/T 33794-2017 反应蓝K-RL(C.I.反应蓝105)
- 8 GB/T 21543-2021 饲料添加剂 调味剂 通用要求
- 9 GBZ/T(卫生) 249-2014 荧光原位杂交分析染色体易位估算辐射生物剂量技术方法
- 10 GB/T 30160.1-2013 纺织机械与附件 针织机用针术语 第1部分:舌针

关闭预览
